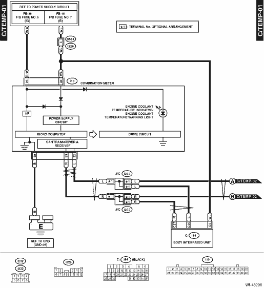
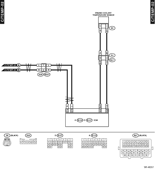
WIRING SYSTEM > Coolant Temperature System
WIRING DIAGRAM


Combination meter system Wiring diagram
Cruise control system Wiring diagramOperation
EyeSight (DIAGNOSTICS) > EyeSight Temporary Code(s) DisplayOPERATIONIf the EyeSight pause code is detected from the stereo camera, all the functions of the EyeSight excluding the conventional cruise control stop temporarily and cannot be used. When the failure is resolved, the function starts ope ...
Dtc c2023 tire 3 air pressure low (normal mode)
TIRE PRESSURE MONITORING SYSTEM (DIAGNOSTICS) > Diagnostic Procedure with Diagnostic Trouble Code (DTC)DTC C2023 TIRE 3 AIR PRESSURE LOW (NORMAL MODE)NOTE:Refer to DTC C2024 for diagnostic procedure. Diagnostic Procedure with Diagnostic Trouble Code (DTC) > DTC C2024 TIRE 4 AIR PRESSURE LOW ( ...
Dtc p0617 starter relay "a" circuit high
ENGINE (DIAGNOSTICS)(H4DO) > Diagnostic Procedure with Diagnostic Trouble Code (DTC)DTC P0617 STARTER RELAY "A" CIRCUIT HIGHDTC DETECTING CONDITION:Immediately at fault recognitionTROUBLE SYMPTOM:Failure of engine to startCAUTION:After servicing or replacing faulty parts, perform Clear ...