ENGINE (DIAGNOSTICS)(H4DO) > Diagnostics for Engine Starting Failure
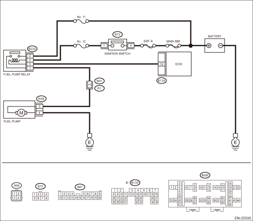
FUEL PUMP CIRCUIT
CAUTION:
After servicing or replacing faulty parts, perform Clear Memory Mode Clear Memory Mode > OPERATION">
, and Inspection Mode Inspection Mode > PROCEDURE">
.
Wiring diagram:
Engine electrical system Engine Electrical System">

| STEP | CHECK | YES | NO |
1.CHECK OPERATING SOUND OF FUEL PUMP.
Check if the fuel pump operates for two seconds when turning the ignition switch to ON.
NOTE:
Fuel pump operation can be executed using the Subaru Select Monitor.
Refer to “Active Test” for the procedures. Active Test">
Does the fuel pump emit operating sound?
Check the fuel injector circuit. Diagnostics for Engine Starting Failure > FUEL INJECTOR CIRCUIT">
Diagnostics for Engine Starting Failure > FUEL PUMP CIRCUIT">Go to Step 2.
2.CHECK GROUND CIRCUIT OF FUEL PUMP.
1) Turn the ignition switch to OFF.
2) Remove the fuel pump access hole lid.
3) Disconnect the connector from fuel pump.
4) Measure the resistance of harness between fuel pump and chassis ground.
Connector & terminal
(R58) No. 4 — Chassis ground:
Is the resistance less than 5 ??
Diagnostics for Engine Starting Failure > FUEL PUMP CIRCUIT">Go to Step 3.
Repair the open circuit in harness between fuel pump connector and chassis ground terminal.
3.CHECK POWER SUPPLY TO FUEL PUMP.
1) Turn the ignition switch to ON.
2) Measure the voltage of power supply circuit between fuel pump connector and chassis ground.
Connector & terminal
(R58) No. 3 (+) — Chassis ground (−):
Is the voltage 10 V or more?
Replace the fuel pump. Fuel Pump">
Diagnostics for Engine Starting Failure > FUEL PUMP CIRCUIT">Go to Step 4.
4.CHECK HARNESS BETWEEN FUEL PUMP CONNECTOR AND FUEL PUMP RELAY CONNECTOR.
1) Turn the ignition switch to OFF.
2) Remove the fuel pump relay.
3) Measure the resistance of harness between fuel pump connector and fuel pump relay connector.
Connector & terminal
(R58) No. 3 — (B220) No. 1:
Is the resistance less than 1 ??
Diagnostics for Engine Starting Failure > FUEL PUMP CIRCUIT">Go to Step 5.
Repair the harness and connector.
NOTE:
In this case, repair the following item:
• Open circuit in harness between fuel pump connector and fuel pump relay connector
• Poor contact of coupling connector
5.CHECK HARNESS BETWEEN FUEL PUMP CONNECTOR AND FUEL PUMP RELAY CONNECTOR.
Measure the resistance between fuel pump connector and chassis ground.
Connector & terminal
(R58) No. 3 — Chassis ground:
Is the resistance 1 M? or more?
Diagnostics for Engine Starting Failure > FUEL PUMP CIRCUIT">Go to Step 6.
Repair the short circuit to ground in harness between fuel pump connector and fuel pump relay connector.
6.CHECK FUEL PUMP RELAY.
1) Connect the battery to fuel pump relay terminals No. 3 and No. 5.
2) Measure the resistance between fuel pump relay terminals.
Terminals
No. 1 — No. 2:
Is the resistance less than 1 ??
Diagnostics for Engine Starting Failure > FUEL PUMP CIRCUIT">Go to Step 7.
Replace the fuel pump relay. Fuel Pump Relay">
7.CHECK HARNESS BETWEEN ECM AND FUEL PUMP RELAY CONNECTOR.
1) Disconnect the connector from ECM.
2) Measure the resistance of harness between ECM connector and fuel pump relay connector.
Connector & terminal
(B135) No. 19 — (B220) No. 5:
Is the resistance less than 1 ??
Diagnostics for Engine Starting Failure > FUEL PUMP CIRCUIT">Go to Step 8.
Repair the open circuit of harness between ECM connector and fuel pump relay connector.
8.CHECK POWER SUPPLY OF FUEL PUMP RELAY.
1) Turn the ignition switch to ON.
2) Measure the voltage between fuel pump relay connector and chassis ground.
Connector & terminal
(B220) No. 2 (+) — Chassis ground (−):
(B220) No. 3 (+) — Chassis ground (−):
Is the voltage 10 V or more?
Repair the poor contact of ECM connector.
Repair the open or ground short in the harness of power supply circuit.
Ignition control system
Fuel injector circuitDtc b1000 airbag ecu malfunction
AIRBAG SYSTEM (DIAGNOSTICS) > Diagnostic Chart with Trouble CodeDTC B1000 AIRBAG ECU MALFUNCTIONDIAGNOSIS START CONDITION:Ignition voltage is 10 V to 16 V.DTC DETECTING CONDITION:Airbag control module is faulty.CAUTION:Before performing diagnosis, refer to “CAUTION” in “General ...
Adjustment
SECURITY AND LOCKS > Impact SensorADJUSTMENT1. CHECK IMPACT SENSOR1. Pull out the key from the ignition switch, or turn the ignition switch to OFF.2. Close all the windows.3. Close all the doors and rear gate. Leave open the front hood.4. Press the LOCK button of the keyless transmitter or access ...
Selecting a station from the list (if equipped)
A station list can be displayed.
1. Touch the tab.
2. Touch the tab and the station
list will
appear.
3. Select the desired station.
Update the station list
Touch the "Update Station List" key on the
station list screen and the following screen
will be displayed.
...