ENGINE (DIAGNOSTICS)(H4DO) > Diagnostic Procedure with Diagnostic Trouble Code (DTC)
DTC P2109 THROTTLE/PEDAL POSITION SENSOR "A" MINIMUM STOP PERFORMANCE
NOTE:
For the diagnostic procedure, refer to DTC P2101. Diagnostic Procedure with Diagnostic Trouble Code (DTC) > DTC P2101 THROTTLE ACTUATOR "A" CONTROL MOTOR CIRCUIT RANGE/PERFORMANCE">
1. OUTLINE OF DIAGNOSIS
Judge as NG when full close point learning cannot conducted or abnormal value is detected.
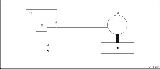
2. COMPONENT DESCRIPTION

(1) | Engine control module (ECM) | (3) | Motor | (4) | Throttle position sensor |
(2) | Drive circuit |
3. EXECUTION CONDITION
Secondary parameters | Execution condition |
Minimum stop position | < −4.020% or > −4.020% |
| Throttle default position − Throttle minimum stop position | | < 1.162 ° |
4. GENERAL DRIVING CYCLE
Perform the diagnosis at full closed point learning.
5. DIAGNOSTIC METHOD
If the duration of time while the following conditions are met is longer than the time indicated, judge as NG.
Malfunction Criteria | Threshold Value |
12 V battery system voltage | < 6 V |
Time Needed for Diagnosis: 8 ms — 80 ms
Malfunction Indicator Light Illumination: Illuminates as soon as a malfunction occurs.
Dtc p2103 throttle actuator "a" control motor circuit high
Dtc p2119 throttle actuator "a" control throttle body range/performanceInstallation
CLUTCH SYSTEM > Clutch Disc and CoverINSTALLATION1. Insert the ST into the clutch disc and the ST end into pilot bearing to install the clutch disc.NOTE:When installing the clutch disc, be careful to attach in the correct direction.ST 499747100CLUTCH DISC GUIDE(A)Flywheel side2. Install the cl ...
Dtc u1232 lost communication with rear/side radar control module
LAN SYSTEM (DIAGNOSTICS) > Diagnostic Procedure with Diagnostic Trouble Code (DTC)DTC U1232 LOST COMMUNICATION WITH REAR/SIDE RADAR CONTROL MODULEDTC DETECTING CONDITION:No data is received from radar sensor.TROUBLE SYMPTOM:Radar sensor does not operate normally.STEPCHECKYESNO1.CHECK PERFORMING O ...
Dtc b2350 rear radar communication error between master and slave
Blind Spot Detection/Rear Cross Traffic Alert (DIAGNOSTICS) > Diagnostic Procedure with Diagnostic Trouble Code (DTC)DTC B2350 REAR RADAR COMMUNICATION ERROR BETWEEN MASTER AND SLAVEDTC DETECTING CONDITION:• Defective harness for CAN communication between radar sensor LH and radar sensor RH ...