ENGINE (DIAGNOSTICS)(H4DO) > Diagnostic Procedure with Diagnostic Trouble Code (DTC)
DTC P0198 ENGINE OIL TEMPERATURE SENSOR "A" CIRCUIT HIGH
DTC detecting condition:
Immediately at fault recognition
Trouble symptom:
• Hard to start
• Improper idling
• Poor driving performance
CAUTION:
After servicing or replacing faulty parts, perform Clear Memory Mode Clear Memory Mode > OPERATION">
, and Inspection Mode Inspection Mode > PROCEDURE">
.
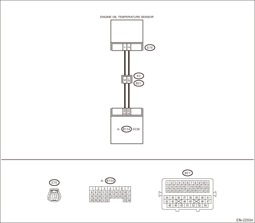
Wiring diagram:
Engine electrical system Engine Electrical System">

| STEP | CHECK | YES | NO |
1.CHECK CURRENT DATA.
1) Start the engine.
2) Read the value of «Oil Temperature» using Subaru Select Monitor.
NOTE:
For detailed operation procedures, refer to “Current Data Display For Engine”. Subaru Select Monitor">
Is the value of «Oil Temperature» −40°C (−40°F) or less?
Diagnostic Procedure with Diagnostic Trouble Code (DTC) > DTC P0198 ENGINE OIL TEMPERATURE SENSOR "A" CIRCUIT HIGH">Go to Step 2.
Even if DTC is detected, the circuit has returned to a normal condition at this time. Reproduce the failure, and then perform the diagnosis again.
NOTE:
In this case, temporary poor contact of connector, temporary open or short circuit of harness may be the cause.
2.CHECK FOR POOR CONTACT.
Check for poor contact between the ECM and engine oil temperature sensor connectors.
Is there poor contact of the ECM or engine oil temperature sensor connectors?
Repair the poor contact of ECM or engine oil temperature sensor connector.
Diagnostic Procedure with Diagnostic Trouble Code (DTC) > DTC P0198 ENGINE OIL TEMPERATURE SENSOR "A" CIRCUIT HIGH">Go to Step 3.
3.CHECK HARNESS BETWEEN ECM AND ENGINE OIL TEMPERATURE SENSOR CONNECTOR.
1) Turn the ignition switch to OFF.
2) Disconnect the connector from ECM.
3) Disconnect the connectors from the engine oil temperature sensor.
4) Measure the resistance of the harness between the ECM connector and engine oil temperature sensor connector.
Connector & terminal
(B134) No. 29 — (E75) No. 1:
(B134) No. 20 — (E75) No. 2:
Is the resistance less than 1 ??
Diagnostic Procedure with Diagnostic Trouble Code (DTC) > DTC P0198 ENGINE OIL TEMPERATURE SENSOR "A" CIRCUIT HIGH">Go to Step 4.
Repair the harness and connector.
NOTE:
In this case, repair the following item:
• Open circuit in harness between ECM connector and engine oil temperature sensor connector
• Poor contact of coupling connector
4.CHECK HARNESS BETWEEN ECM AND ENGINE OIL TEMPERATURE SENSOR CONNECTOR.
1) Connect all connectors.
2) Turn the ignition switch to ON.
3) Measure the voltage between ECM connector and chassis ground.
Connector & terminal
(B134) No. 20 (+) — Chassis ground (−):
Is the voltage 5 V or more?
Repair the short circuit to power in harness between ECM connector and engine oil temperature sensor connector.
Replace the engine oil temperature sensor. Engine Oil Temperature Sensor">
1. OUTLINE OF DIAGNOSIS
Detect the open or short circuit of the oil temperature sensor.
Judge as NG when outside of the judgment value.
2. COMPONENT DESCRIPTION

(A) | Resistance value (k?) | (B) | Temperature °C (°F) | ||
(1) | Connector | (2) | Thermistor element |
3. EXECUTION CONDITION
Secondary Parameters | Execution condition |
None |
4. GENERAL DRIVING CYCLE
Always perform the diagnosis continuously.
5. DIAGNOSTIC METHOD
If the duration of time while the following conditions are met is longer than the time indicated, judge as NG.
Malfunction Criteria | Threshold Value |
Output voltage | ≥ 4.698 V |
Time Needed for Diagnosis: 500 ms
Malfunction Indicator Light Illumination: Illuminates as soon as a malfunction occurs.
Dtc p0197 engine oil temperature sensor "a" circuit low
Dtc p0201 cylinder 1 injector "a" circuitDtc p0346 camshaft position sensor "a" circuit range/performance bank 2
ENGINE (DIAGNOSTICS)(H4DO) > Diagnostic Procedure with Diagnostic Trouble Code (DTC)DTC P0346 CAMSHAFT POSITION SENSOR "A" CIRCUIT RANGE/PERFORMANCE BANK 2NOTE:For the diagnostic procedure, refer to DTC P0345. Diagnostic Procedure with Diagnostic Trouble Code (DTC) > DTC P0345 CAMSH ...
Dtc p0103 mass or volume air flow sensor "a" circuit high
ENGINE (DIAGNOSTICS)(H4DO) > Diagnostic Procedure with Diagnostic Trouble Code (DTC)DTC P0103 MASS OR VOLUME AIR FLOW SENSOR "A" CIRCUIT HIGHDTC detecting condition:Immediately at fault recognitionTrouble symptom:• Improper idling• Engine stall• Poor driving performanc ...
Read diagnostic trouble code (dtc) Operation
TIRE PRESSURE MONITORING SYSTEM (DIAGNOSTICS) > Read Diagnostic Trouble Code (DTC)OPERATION1. On «Start» display, select «Diagnosis».2. On «Vehicle selection» display, input the target vehicle information and select «Confirmed».3. On «Main Menu» display, select «Each System».4. On «S ...