ENGINE (DIAGNOSTICS)(H4DO) > Diagnostic Procedure with Diagnostic Trouble Code (DTC)
DTC P0201 CYLINDER 1 INJECTOR "A" CIRCUIT
DTC DETECTING CONDITION:
Immediately at fault recognition
TROUBLE SYMPTOM:
• Improper idling
• Poor driving performance
CAUTION:
After servicing or replacing faulty parts, perform Clear Memory Mode Clear Memory Mode > OPERATION">
, and Inspection Mode Inspection Mode > PROCEDURE">
.
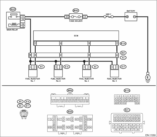
WIRING DIAGRAM:
Engine electrical system Engine Electrical System">

| STEP | CHECK | YES | NO |
1.CHECK POWER SUPPLY TO FUEL INJECTOR.
1) Turn the ignition switch to OFF.
2) Disconnect the connector from fuel injector.
3) Turn the ignition switch to ON.
4) Measure the voltage between fuel injector connector and the engine ground.
Connector & terminal
DTC P0201; (E5) No. 2 (+) — Engine ground (−):
DTC P0202; (E16) No. 2 (+) — Engine ground (−):
DTC P0203; (E6) No. 2 (+) — Engine ground (−):
DTC P0204; (E17) No. 2 (+) — Engine ground (−):
Is the voltage 10 V or more?
Diagnostic Procedure with Diagnostic Trouble Code (DTC) > DTC P0201 CYLINDER 1 INJECTOR "A" CIRCUIT">Go to Step 2.
Repair the harness and connector.
NOTE:
In this case, repair the following item:
• Open circuit in harness between main relay and fuel injector connector
• Poor contact of main relay connector
• Poor contact of coupling connector
2.CHECK HARNESS BETWEEN ECM AND FUEL INJECTOR CONNECTOR.
1) Turn the ignition switch to OFF.
2) Disconnect the connector from ECM.
3) Measure the resistance between fuel injector connector and engine ground.
Connector & terminal
DTC P0201; (E5) No. 1 — Engine ground:
DTC P0202; (E16) No. 1 — Engine ground:
DTC P0203; (E6) No. 1 — Engine ground:
DTC P0204; (E17) No. 1 — Engine ground:
Is the resistance 1 M? or more?
Diagnostic Procedure with Diagnostic Trouble Code (DTC) > DTC P0201 CYLINDER 1 INJECTOR "A" CIRCUIT">Go to Step 3.
Repair the short circuit to ground in harness between ECM connector and fuel injector connector.
3.CHECK HARNESS BETWEEN ECM AND FUEL INJECTOR CONNECTOR.
Measure the resistance of harness between ECM connector and fuel injector connector.
Connector & terminal
DTC P0201; (B134) No. 12 — (E5) No. 1:
DTC P0202; (B134) No. 22 — (E16) No. 1:
DTC P0203; (B134) No. 32 — (E6) No. 1:
DTC P0204; (B134) No. 13 — (E17) No. 1:
Is the resistance less than 1 ??
Diagnostic Procedure with Diagnostic Trouble Code (DTC) > DTC P0201 CYLINDER 1 INJECTOR "A" CIRCUIT">Go to Step 4.
Repair the harness and connector.
NOTE:
In this case, repair the following item:
• Open circuit in harness between ECM connector and fuel injector connector
• Poor contact of coupling connector
4.CHECK FUEL INJECTOR.
Measure the resistance between fuel injector terminals on the corresponding cylinder.
Terminals
No. 1 — No. 2:
Is the resistance 5 — 20 ??
Diagnostic Procedure with Diagnostic Trouble Code (DTC) > DTC P0201 CYLINDER 1 INJECTOR "A" CIRCUIT">Go to Step 5.
Replace the fuel injector. Fuel Injector">
5.CHECK FOR POOR CONTACT.
Check for poor contact of ECM connector.
Is there poor contact of ECM connector?
Repair the poor contact of ECM connector.
Diagnostic Procedure with Diagnostic Trouble Code (DTC) > DTC P0201 CYLINDER 1 INJECTOR "A" CIRCUIT">Go to Step 6.
6.CHECK FUEL INJECTOR OPERATION.
1) Connect all connectors.
2) Start the engine.
3) Check if the corresponding fuel injector emits operating sound.
NOTE:
Use a sound scope to check the operating sound.
Does the fuel injector emit operating sound?
Even if DTC is detected, the circuit has returned to a normal condition at this time. Reproduce the failure, and then perform the diagnosis again.
NOTE:
In this case, temporary poor contact of connector, temporary open or short circuit of harness may be the cause.
Repair the poor contact of fuel injector connector.
1. OUTLINE OF DIAGNOSIS
Based on the self-diagnostic result of the injector driving IC, judge the injector driving circuit as normal or abnormal.
Injector driving IC detects the status of “fuel remains injected” or “fuel is not injected” as a malfunction.
2. EXECUTION CONDITION
Secondary parameters | Execution condition |
Battery voltage | ≥ 10.9 V |
Elapsed time after starting the engine | > 1 s |
Engine speed | ≥ 500 rpm |
Injection status | Not during fuel cut |
3. GENERAL DRIVING CYCLE
Always perform the diagnosis continuously.
4. DIAGNOSTIC METHOD
Judge as NG when the following conditions are established.
Malfunction Criteria | Threshold Value |
Injector driving IC information | Trouble |
Time Needed for Diagnosis: 2560 ms
Malfunction Indicator Light Illumination: Illuminates as soon as a malfunction occurs.
Dtc p0198 engine oil temperature sensor "a" circuit high
Dtc p0202 cylinder 2 injector "a" circuitCheck adaptive cruise control indicator light/constant speed cruise control indicator light and cruise set indicator light
EyeSight (DIAGNOSTICS) > Diagnostics with PhenomenonCHECK ADAPTIVE CRUISE CONTROL INDICATOR LIGHT/CONSTANT SPEED CRUISE CONTROL INDICATOR LIGHT AND CRUISE SET INDICATOR LIGHTTROUBLE SYMPTOM:Adaptive cruise control or conventional cruise control can be set, but adaptive cruise control indicator li ...
Available HD RadioTM technology (if equipped)
Multicast
On the FM radio frequency most digital
stations have "multiple" or supplemental
programs on one FM station.
1. Touch the "Sub CH" key on the control
screen and the following screen will be
displayed.
2. The indication that shows whether the
current broadcast is digital or analo ...
Removal
MECHANICAL(H4DO) > Crank PulleyREMOVALNOTE:When replacing a single part, perform the work with the engine assembly installed to body.1. When working on the vehicleNOTE:When working on the vehicle, perform the following steps also.(1) Remove the radiator main fan & fan motor assembly and radia ...