ENGINE (DIAGNOSTICS)(H4DO) > Diagnostic Procedure with Diagnostic Trouble Code (DTC)
DTC P0197 ENGINE OIL TEMPERATURE SENSOR "A" CIRCUIT LOW
DTC detecting condition:
Immediately at fault recognition
Trouble symptom:
• Hard to start
• Improper idling
• Poor driving performance
CAUTION:
After servicing or replacing faulty parts, perform Clear Memory Mode Clear Memory Mode > OPERATION">
, and Inspection Mode Inspection Mode > PROCEDURE">
.
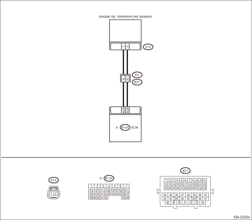
Wiring diagram:
Engine electrical system Engine Electrical System">

| STEP | CHECK | YES | NO |
1.CHECK CURRENT DATA.
1) Start the engine.
2) Read the value of «Oil Temperature» using Subaru Select Monitor.
NOTE:
For detailed operation procedures, refer to “Current Data Display For Engine”. Subaru Select Monitor">
Is the value of «Oil Temperature» 150°C (302°F) or more?
Diagnostic Procedure with Diagnostic Trouble Code (DTC) > DTC P0197 ENGINE OIL TEMPERATURE SENSOR "A" CIRCUIT LOW">Go to Step 2.
Even if DTC is detected, the circuit has returned to a normal condition at this time. Reproduce the failure, and then perform the diagnosis again.
NOTE:
In this case, temporary poor contact of connector, temporary open or short circuit of harness may be the cause.
2.CHECK HARNESS BETWEEN ECM AND ENGINE OIL TEMPERATURE SENSOR CONNECTOR.
1) Turn the ignition switch to OFF.
2) Disconnect the connector from ECM.
3) Disconnect the connectors from the engine oil temperature sensor.
4) Measure the resistance between ECM connector and chassis ground.
Connector & terminal
(B134) No. 20 — Chassis ground:
Is the resistance 1 M? or more?
Replace the engine oil temperature sensor. Engine Oil Temperature Sensor">
Repair the short circuit to ground in the harness between the ECM connector and engine oil temperature sensor connector.
1. OUTLINE OF DIAGNOSIS
Detect the open or short circuit of the oil temperature sensor.
Judge as NG when outside of the judgment value.
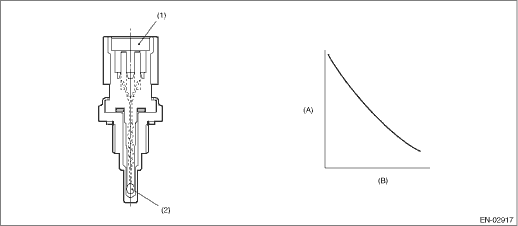
2. COMPONENT DESCRIPTION

(A) | Resistance value (k?) | (B) | Temperature °C (°F) | ||
(1) | Connector | (2) | Thermistor element |
3. EXECUTION CONDITION
Secondary Parameters | Execution condition |
None |
4. GENERAL DRIVING CYCLE
Always perform the diagnosis continuously.
5. DIAGNOSTIC METHOD
If the duration of time while the following conditions are met is longer than the time indicated, judge as NG.
Malfunction Criteria | Threshold Value |
Output voltage | < 0.203 V |
Time Needed for Diagnosis: 500 ms
Malfunction Indicator Light Illumination: Illuminates as soon as a malfunction occurs.
Dtc p0196 engine oil temperature sensor "a" range/performance
Dtc p0198 engine oil temperature sensor "a" circuit highShift lock function
The shift lock function helps prevent the
improper operation of the select lever.
The select lever cannot be operated
unless the ignition switch is turned to the
"ON" position and the brake pedal is
depressed.
The select lever cannot be moved from
the "P" position to any other positio ...
Headlights (models without HID headlights)
CAUTION
Halogen headlight bulbs become
very hot while in use. If you touch
the bulb surface with bare hands or
greasy gloves, fingerprints or
grease on the bulb surface will
develop into hot spots, causing the
bulb to break. If there are finger
prints or grease on the bulb surface,
wipe the ...
Ornament Installation
EXTERIOR/INTERIOR TRIM > OrnamentINSTALLATION1. LETTER MARKAlign the end of application tape with the end of panel, then adhere the letter mark.(a)Panel - rear gate end(b)Application tape end NOTE:• Align the cutout of application tape with the end reference of the front door. (a)• A ...