ENGINE (DIAGNOSTICS)(H4DO) > Diagnostic Procedure with Diagnostic Trouble Code (DTC)
DTC P0103 MASS OR VOLUME AIR FLOW SENSOR "A" CIRCUIT HIGH
DTC detecting condition:
Immediately at fault recognition
Trouble symptom:
• Improper idling
• Engine stall
• Poor driving performance
CAUTION:
After servicing or replacing faulty parts, perform Clear Memory Mode Clear Memory Mode > OPERATION">
, and Inspection Mode Inspection Mode > PROCEDURE">
.
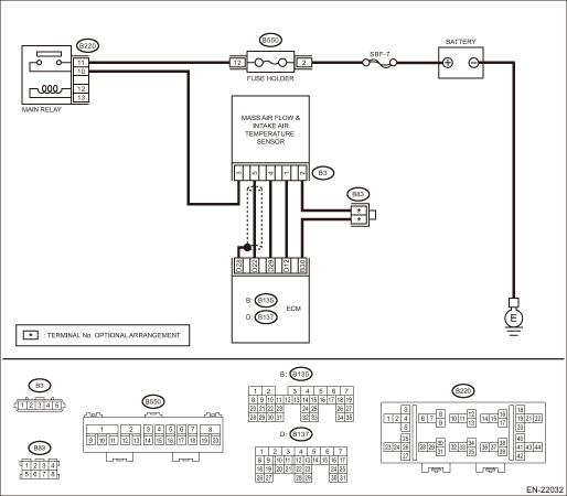
Wiring diagram:
Engine electrical system Engine Electrical System">

| STEP | CHECK | YES | NO |
1.CHECK CURRENT DATA.
1) Start the engine.
2) Read the value of «Air Flow Sensor Voltage» using Subaru Select Monitor.
NOTE:
For detailed operation procedures, refer to “Current Data Display For Engine”. Subaru Select Monitor">
Is the value of «Air Flow Sensor Voltage» 5 V or more?
Diagnostic Procedure with Diagnostic Trouble Code (DTC) > DTC P0103 MASS OR VOLUME AIR FLOW SENSOR "A" CIRCUIT HIGH">Go to Step 2.
Even if DTC is detected, the circuit has returned to a normal condition at this time. Reproduce the failure, and then perform the diagnosis again.
NOTE:
In this case, temporary poor contact of connector, temporary open or short circuit of harness may be the cause.
2.CHECK HARNESS BETWEEN ECM AND MASS AIR FLOW AND INTAKE AIR TEMPERATURE SENSOR CONNECTOR.
1) Turn the ignition switch to OFF.
2) Disconnect the connectors from the mass air flow and intake air temperature sensor.
3) Start the engine.
4) Read the value of «Air Flow Sensor Voltage» using Subaru Select Monitor.
NOTE:
For detailed operation procedures, refer to “Current Data Display For Engine”. Subaru Select Monitor">
Is the value of «Air Flow Sensor Voltage» 5 V or more?
Repair the short circuit of harness to power supply between ECM connector and the mass air flow and intake air temperature sensor connector.
Diagnostic Procedure with Diagnostic Trouble Code (DTC) > DTC P0103 MASS OR VOLUME AIR FLOW SENSOR "A" CIRCUIT HIGH">Go to Step 3.
3.CHECK HARNESS BETWEEN ECM AND MASS AIR FLOW AND INTAKE AIR TEMPERATURE SENSOR CONNECTOR.
1) Turn the ignition switch to OFF.
2) Measure the resistance of harness between mass air flow and intake air temperature sensor connector and engine ground.
Connector & terminal
(B3) No. 4 — Engine ground:
Is the resistance less than 5 ??
Diagnostic Procedure with Diagnostic Trouble Code (DTC) > DTC P0103 MASS OR VOLUME AIR FLOW SENSOR "A" CIRCUIT HIGH">Go to Step 4.
Repair the harness and connector.
NOTE:
In this case, repair the following item:
• Open circuit in harness between ECM connector and the mass air flow and intake air temperature sensor connector
• Poor contact of ECM connector
4.CHECK FOR POOR CONTACT.
Check for poor contact of mass air flow and intake air temperature sensor connector.
Is there poor contact of mass air flow and intake air temperature sensor connector?
Repair the poor contact of mass air flow and intake air temperature sensor connector.
Replace the mass air flow and intake air temperature sensor. Mass Air Flow and Intake Air Temperature Sensor">
1. OUTLINE OF DIAGNOSIS
Detect open or short circuits of the air flow sensor.
Judge as NG if out of specification.
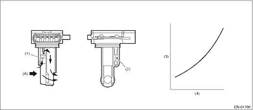
2. COMPONENT DESCRIPTION

(A) | Air | ||||
(1) | Air flow sensor | (3) | Voltage (V) | (4) | Intake air amount (kg (lb)/s) |
(2) | Intake air temperature sensor |
3. EXECUTION CONDITION
Secondary Parameters | Execution condition |
None |
4. GENERAL DRIVING CYCLE
Always perform the diagnosis continuously.
5. DIAGNOSTIC METHOD
If the duration of time while the following conditions are met is longer than the time indicated, judge as NG.
Malfunction Criteria | Threshold Value |
Output voltage | ≥ 4.43 V |
Time Needed for Diagnosis: 500 ms
Malfunction Indicator Light Illumination: Illuminates as soon as a malfunction occurs.
Dtc p0102 mass or volume air flow sensor "a" circuit low
Dtc p0107 manifold absolute pressure/barometric pressure sensor circuit lowElectrical specification
POWER ASSISTED SYSTEM (POWER STEERING) (DIAGNOSTICS) > Control Module I/O SignalELECTRICAL SPECIFICATIONNOTE:The terminal numbers of the power steering control module connectors are as indicated in the figure.ContentsTerminal No.Input/output signalMeasured value and measuring conditionsPower supp ...
Dtc b1800 short in driver s airbag
AIRBAG SYSTEM (DIAGNOSTICS) > Diagnostic Chart with Trouble CodeDTC B1800 SHORT IN DRIVER’S AIRBAGDiagnosis start condition:Ignition voltage is 10 V to 16 V.DTC detecting condition:• Airbag main harness circuit is shorted.• Airbag module harness (driver’s side) circuit is ...
Dtc b14e3 air mix door actuator stepping motor circuit open (passenger)
HVAC SYSTEM (AUTO A/C) (DIAGNOSTICS) > Diagnostic Procedure with Diagnostic Trouble Code (DTC)DTC B14E3 AIR MIX DOOR ACTUATOR STEPPING MOTOR CIRCUIT OPEN (PASSENGER)DTC detecting condition:Air mix door actuator stepping motor circuit is open.Trouble symptom:Temperature cannot be adjusted.Wiring d ...