ENGINE (DIAGNOSTICS)(H4DO) > Diagnostic Procedure with Diagnostic Trouble Code (DTC)
DTC P0102 MASS OR VOLUME AIR FLOW SENSOR "A" CIRCUIT LOW
DTC detecting condition:
Immediately at fault recognition
Trouble symptom:
• Improper idling
• Engine stall
• Poor driving performance
CAUTION:
After servicing or replacing faulty parts, perform Clear Memory Mode Clear Memory Mode > OPERATION">
, and Inspection Mode Inspection Mode > PROCEDURE">
.
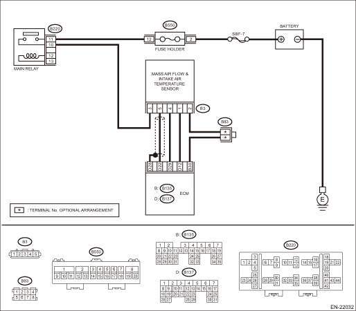
Wiring diagram:
Engine electrical system Engine Electrical System">

| STEP | CHECK | YES | NO |
1.CHECK CURRENT DATA.
1) Start the engine.
2) Read the value of «Air Flow Sensor Voltage» using Subaru Select Monitor.
NOTE:
For detailed operation procedures, refer to “Current Data Display For Engine”. Subaru Select Monitor">
Is the value of «Air Flow Sensor Voltage» less than 0.2 V?
Diagnostic Procedure with Diagnostic Trouble Code (DTC) > DTC P0102 MASS OR VOLUME AIR FLOW SENSOR "A" CIRCUIT LOW">Go to Step 2.
Even if DTC is detected, the circuit has returned to a normal condition at this time. Reproduce the failure, and then perform the diagnosis again.
NOTE:
In this case, temporary poor contact of connector, temporary open or short circuit of harness may be the cause.
2.CHECK POWER SUPPLY OF MASS AIR FLOW AND INTAKE AIR TEMPERATURE SENSOR.
1) Turn the ignition switch to OFF.
2) Disconnect the connectors from the mass air flow and intake air temperature sensor.
3) Turn the ignition switch to ON.
4) Measure the voltage between mass air flow and intake air temperature sensor connector and engine ground.
Connector & terminal
(B3) No. 3 (+) — Engine ground (−):
Is the voltage 10 V or more?
Diagnostic Procedure with Diagnostic Trouble Code (DTC) > DTC P0102 MASS OR VOLUME AIR FLOW SENSOR "A" CIRCUIT LOW">Go to Step 3.
Repair the harness and connector.
NOTE:
In this case, repair the following item:
• Open circuit in harness between main relay and mass air flow and intake air temperature sensor connector
• Poor contact of main relay connector
3.CHECK HARNESS BETWEEN ECM AND MASS AIR FLOW AND INTAKE AIR TEMPERATURE SENSOR CONNECTOR.
1) Turn the ignition switch to OFF.
2) Disconnect the connector from ECM.
3) Measure the resistance of harness between ECM connector and the mass air flow and intake air temperature sensor connector.
Connector & terminal
(B137) No. 22 — (B3) No. 5:
Is the resistance less than 1 ??
Diagnostic Procedure with Diagnostic Trouble Code (DTC) > DTC P0102 MASS OR VOLUME AIR FLOW SENSOR "A" CIRCUIT LOW">Go to Step 4.
Repair the open circuit of harness between ECM connector and the mass air flow and intake air temperature sensor connector.
4.CHECK HARNESS BETWEEN ECM AND MASS AIR FLOW AND INTAKE AIR TEMPERATURE SENSOR CONNECTOR.
Measure the resistance between ECM connector and chassis ground.
Connector & terminal
(B137) No. 22 — Chassis ground:
Is the resistance 1 M? or more?
Diagnostic Procedure with Diagnostic Trouble Code (DTC) > DTC P0102 MASS OR VOLUME AIR FLOW SENSOR "A" CIRCUIT LOW">Go to Step 5.
Repair the ground short circuit of harness between ECM connector and the mass air flow and intake air temperature sensor connector.
5.CHECK FOR POOR CONTACT.
Check for poor contact of ECM and mass air flow and intake air temperature sensor connector.
Is there poor contact of ECM or mass air flow and intake air temperature sensor connector?
Repair the poor contact of ECM or mass air flow and intake air temperature sensor connector.
Replace the mass air flow and intake air temperature sensor. Mass Air Flow and Intake Air Temperature Sensor">
1. OUTLINE OF DIAGNOSIS
Detect open or short circuits of the air flow sensor.
Judge as NG if out of specification.
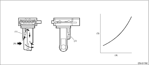
2. COMPONENT DESCRIPTION

(A) | Air | ||||
(1) | Air flow sensor | (3) | Voltage (V) | (4) | Intake air amount (kg (lb)/s) |
(2) | Intake air temperature sensor |
3. EXECUTION CONDITION
Secondary Parameters | Execution condition |
None |
4. GENERAL DRIVING CYCLE
Always perform the diagnosis continuously.
5. DIAGNOSTIC METHOD
If the duration of time while the following conditions are met is longer than the time indicated, judge as NG.
Malfunction Criteria | Threshold Value |
Output voltage | ≤ 0.127 V |
Time Needed for Diagnosis: 500 ms
Malfunction Indicator Light Illumination: Illuminates as soon as a malfunction occurs.
Dtc p0101 mass or volume air flow sensor "a" circuit range/performance
Dtc p0103 mass or volume air flow sensor "a" circuit highInstallation
POWER ASSISTED SYSTEM (POWER STEERING) > Electric Power Steering GearboxINSTALLATION1. Insert the steering gearbox assembly into crossmember, being careful not to damage the boot of the steering gearbox assembly.2. Install the steering gearbox assembly to the crossmember by tightening the bolts t ...
Dtc b1433 ambient temperature sensor circuit short-circuit (air-conditioner)
HVAC SYSTEM (AUTO A/C) (DIAGNOSTICS) > Diagnostic Procedure with Diagnostic Trouble Code (DTC)DTC B1433 AMBIENT TEMPERATURE SENSOR CIRCUIT SHORT-CIRCUIT (AIR-CONDITIONER)DTC detecting condition:Ambient sensor circuit is shorted.Trouble symptom:Ambient temperature is falsely recognized, and the co ...
List of diagnostic trouble code (dtc) List
CONTINUOUSLY VARIABLE TRANSMISSION (DIAGNOSTICS) > List of Diagnostic Trouble Code (DTC)LISTDTCItemContent of diagnosisReferenceP0500VEHICLE SPEED SENSOR "A" CIRCUITWheel speed data from VDC CM&H/U is abnormal. Diagnostic Procedure with Diagnostic Trouble Code (DTC) > DTC P0500 V ...