WIRING SYSTEM > Air Conditioning System
WIRING DIAGRAM
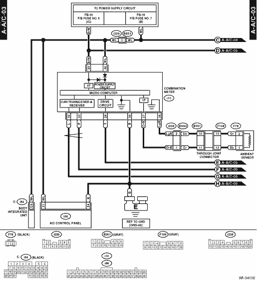
1. MANUAL A/C MODEL


2. AUTO A/C MODEL





Precautions in trouble diagnosis and repair of electric parts
Airbag system Wiring diagramDtc u0155 lost communication with instrument panel cluster (ipc) control module
EyeSight (DIAGNOSTICS) > Diagnostic Procedure with Diagnostic Trouble Code (DTC)DTC U0155 LOST COMMUNICATION WITH INSTRUMENT PANEL CLUSTER (IPC) CONTROL MODULEDetected when CAN data from combination meter is not transmitted to stereo camera.NOTE:Perform the diagnosis for LAN system. Basic Diagno ...
List of cancel code List
CRUISE CONTROL SYSTEM (DIAGNOSTICS) > List of Cancel CodeLISTNOTE:• The cancel code is registered even when cancel is performed intentionally by the driver.• Cancel codes are cleared if the ignition switch is turned to OFF.• If a different cancel code is input after a cancel cod ...
Ignition switch (models without "keyless access with push-button start
system")
WARNING
Never turn the ignition switch to
the "LOCK" position while the
vehicle is being driven or towed
because that will lock the steering
wheel, preventing steering
control. And when the engine is
turned off, it takes a much greater
effort than usual to steer.
Before leaving t ...