ENGINE (DIAGNOSTICS)(H4DO) > Diagnostic Procedure with Diagnostic Trouble Code (DTC)
DTC P2420 EVAP SYSTEM SWITCHING VALVE CONTROL CIRCUIT HIGH
DTC detecting condition:
Immediately at fault recognition
CAUTION:
After servicing or replacing faulty parts, perform Clear Memory Mode Clear Memory Mode > OPERATION">
, and Inspection Mode Inspection Mode > PROCEDURE">
.
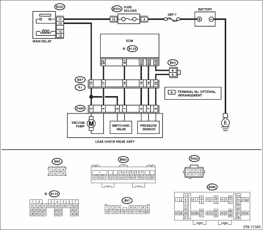
Wiring diagram:
Engine electrical system Engine Electrical System">

| STEP | CHECK | YES | NO |
1.CHECK HARNESS BETWEEN ECM AND LEAK CHECK VALVE ASSEMBLY CONNECTOR.
1) Turn the ignition switch to OFF.
2) Disconnect the connector from the leak check valve assembly.
3) Turn the ignition switch to ON.
4) Measure the voltage between leak check valve assembly and chassis ground.
Connector & terminal
(R400) No. 1 (+) — Chassis ground (−):
Is the voltage 10 V or more?
Repair the short circuit to power in harness between ECM connector and leak check valve assembly connector.
Diagnostic Procedure with Diagnostic Trouble Code (DTC) > DTC P2420 EVAP SYSTEM SWITCHING VALVE CONTROL CIRCUIT HIGH">Go to Step 2.
2.CHECK LEAK CHECK VALVE ASSEMBLY.
1) Turn the ignition switch to OFF.
2) Check the switching valve of the leak check valve assembly. Leak Check Valve Assembly > INSPECTION">
Is the check result OK?
Repair the poor contact in the leak check valve assembly connector.
Replace the leak check valve assembly. Leak Check Valve Assembly">
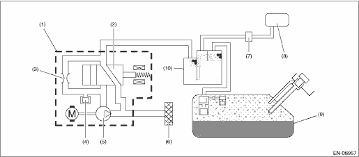
1. OUTLINE OF DIAGNOSIS
Detect the open or short circuit in Evaporative Leak Check Module switching valve.
Judge as NG if out of specification.
2. COMPONENT DESCRIPTION

(1) | Leak check valve ASSY | (5) | Vacuum pump | (9) | Fuel tank |
(2) | Switching valve | (6) | Drain filter | (10) | Canister |
(3) | Reference orifice (0.02 inch orifice) | (7) | Purge control solenoid valve | ||
(4) | Pressure sensor | (8) | Intake manifold |
3. EXECUTION CONDITION
Secondary Parameters | Execution condition |
Battery voltage | ≥ 10.9 V |
Evaporative emission system switching valve command | ON |
4. GENERAL DRIVING CYCLE
Always perform the diagnosis continuously.
5. DIAGNOSTIC METHOD
If the duration of time while the following conditions are met is longer than the time indicated, judge as NG.
Malfunction Criteria | Threshold Value |
Measured EVAP system switching valve current | ≥ 12 A |
Time Needed for Diagnosis: 2500 ms
Malfunction Indicator Light Illumination: Illuminates as soon as a malfunction occurs.
Dtc p2419 evap system switching valve control circuit low
Dtc p2530 ignition switch run position circuitReplacement
SECURITY AND LOCKS > Keyless TransmitterREPLACEMENT1. REGISTRATION OF KEYLESS TRANSMITTER WITH SUBARU SELECT MONITORNOTE:• A maximum of four keyless transmitters can be registered for each individual vehicle.• When replacing or adding the keyless transmitter, new registration of trans ...
Inspection
HVAC SYSTEM (HEATER, VENTILATOR AND A/C) > CompressorINSPECTION1. MAGNET CLUTCH CLEARANCE INSPECTION1. Check the clearance of entire circumference around the drive plate and pulley.Specification:0.3 — 0.6 mm (0.0118 — 0.0236 in)2. Replace the compressor assembly if the inspection result is no ...
Dtc b1761 occupant detection sensor mat liquid coating
AIRBAG SYSTEM (DIAGNOSTICS) > Diagnostic Chart with Trouble CodeDTC B1761 OCCUPANT DETECTION SENSOR MAT LIQUID COATINGNOTE:Refer to “Occupant Detection System” for details on DTC B1761. Diagnostic Procedure with Diagnostic Trouble Code (DTC) > DTC B1761 OCCUPANT DETECTION SENSOR M ...