ENGINE (DIAGNOSTICS)(H4DO) > Diagnostic Procedure with Diagnostic Trouble Code (DTC)
DTC P0390 CAMSHAFT POSITION SENSOR "B" CIRCUIT BANK 2
DTC DETECTING CONDITION:
Immediately at fault recognition
TROUBLE SYMPTOM:
• Engine stall
• Failure of engine to start
CAUTION:
After servicing or replacing faulty parts, perform Clear Memory Mode Clear Memory Mode > OPERATION">
, and Inspection Mode Inspection Mode > PROCEDURE">
.
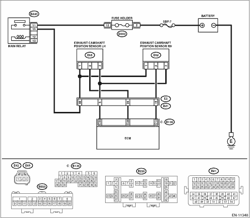
WIRING DIAGRAM:
Engine electrical system Engine Electrical System">

| STEP | CHECK | YES | NO |
1.CHECK POWER SUPPLY OF CAMSHAFT POSITION SENSOR.
1) Turn the ignition switch to OFF.
2) Disconnect the connector from camshaft position sensor.
3) Turn the ignition switch to ON.
4) Measure the voltage between camshaft position sensor connector and engine ground.
Connector & terminal
(E65) No. 1 (+) — Engine ground (−):
Is the voltage 10 V or more?
Diagnostic Procedure with Diagnostic Trouble Code (DTC) > DTC P0390 CAMSHAFT POSITION SENSOR "B" CIRCUIT BANK 2">Go to Step 2.
Repair the harness and connector.
NOTE:
In this case, repair the following item:
• Open circuit or short circuit to ground in harness between main relay connector and camshaft position sensor connector
• Poor contact of coupling connector
2.CHECK HARNESS BETWEEN ECM AND CAMSHAFT POSITION SENSOR CONNECTOR.
1) Turn the ignition switch to OFF.
2) Disconnect the connector from ECM.
3) Measure the resistance between ECM connector and camshaft position sensor connector.
Connector & terminal
(B136) No. 25 — (E65) No. 2:
(B136) No. 34 — (E65) No. 3:
Is the resistance less than 1 ??
Diagnostic Procedure with Diagnostic Trouble Code (DTC) > DTC P0390 CAMSHAFT POSITION SENSOR "B" CIRCUIT BANK 2">Go to Step 3.
Repair the harness and connector.
NOTE:
In this case, repair the following item:
• Open circuit in harness between ECM connector and camshaft position sensor connector
• Poor contact of coupling connector
3.CHECK HARNESS BETWEEN ECM AND CAMSHAFT POSITION SENSOR CONNECTOR.
Measure the resistance between camshaft position sensor connector and engine ground.
Connector & terminal
(E65) No. 2 — Engine ground:
Is the resistance 1 M? or more?
Diagnostic Procedure with Diagnostic Trouble Code (DTC) > DTC P0390 CAMSHAFT POSITION SENSOR "B" CIRCUIT BANK 2">Go to Step 4.
Repair short circuit to ground in harness between ECM connector and camshaft position sensor connector.
4.CHECK HARNESS BETWEEN ECM AND CAMSHAFT POSITION SENSOR CONNECTOR.
Measure the voltage between camshaft position sensor connector and engine ground.
Connector & terminal
(E65) No. 2 (+) — Engine ground (−):
Is the voltage 5 V or more?
Repair the short circuit to power in the harness between ECM connector and camshaft position sensor connector.
Diagnostic Procedure with Diagnostic Trouble Code (DTC) > DTC P0390 CAMSHAFT POSITION SENSOR "B" CIRCUIT BANK 2">Go to Step 5.
5.CHECK CONDITION OF CAMSHAFT POSITION SENSOR.
Is the camshaft position sensor installation bolt tightened securely?
Diagnostic Procedure with Diagnostic Trouble Code (DTC) > DTC P0390 CAMSHAFT POSITION SENSOR "B" CIRCUIT BANK 2">Go to Step 6.
Tighten the camshaft position sensor installation bolt securely.
6.CHECK CAMSHAFT POSITION SENSOR.
Check the waveform of the camshaft position sensor. Engine Control Module (ECM) I/O Signal">
Is there any abnormality in waveform?
Replace the camshaft position sensor. Camshaft Position Sensor">
Repair the following item.
• Poor contact of ECM connector
• Poor contact of camshaft position sensor connector
• Poor contact of coupling connector
1. OUTLINE OF DIAGNOSIS
NOTE:
For the detection standard, refer to DTC P0365. Diagnostic Procedure with Diagnostic Trouble Code (DTC) > DTC P0365 CAMSHAFT POSITION SENSOR "B" CIRCUIT BANK 1">
Dtc p0366 camshaft position sensor "b" circuit range/performance bank 1
Dtc p0391 camshaft position sensor "b" circuit range/performance bank 2Installation
CONTINUOUSLY VARIABLE TRANSMISSION(TR580) > CVTF Cooler (With Warmer Function)INSTALLATION1. Install the CVTF cooler (with warmer feature) to the transmission.Tightening torque:23 N·m (2.3 kgf-m, 17.0 ft-lb)2. Install the engine coolant inlet hose.NOTE:With the triangle mark on the engine ...
Control module i/o signal Electrical specification
INSTRUMENTATION/DRIVER INFO (DIAGNOSTICS) > Control Module I/O SignalELECTRICAL SPECIFICATION• Combination meterTerminal No.ContentTerminal No.Content1Security indicator27Ambient sensor2Charge warning light28UART (MFD)3Oil pressure warning light29Steering switch (+)4RH turn indicator30Pedes ...
Dtc p0038 a/f / o2 heater control circuit high bank 1 sensor 2
ENGINE (DIAGNOSTICS)(H4DO) > Diagnostic Procedure with Diagnostic Trouble Code (DTC)DTC P0038 A/F / O2 HEATER CONTROL CIRCUIT HIGH BANK 1 SENSOR 2DTC DETECTING CONDITION:Detected when two consecutive driving cycles with fault occur.CAUTION:After servicing or replacing faulty parts, perform Clear ...