ENGINE (DIAGNOSTICS)(H4DO) > Diagnostic Procedure with Diagnostic Trouble Code (DTC)
DTC P0131 A/F / O2 SENSOR CIRCUIT LOW VOLTAGE BANK 1 SENSOR 1
DTC detecting condition:
Immediately at fault recognition
CAUTION:
After servicing or replacing faulty parts, perform Clear Memory Mode Clear Memory Mode > OPERATION">
, and Inspection Mode Inspection Mode > PROCEDURE">
.
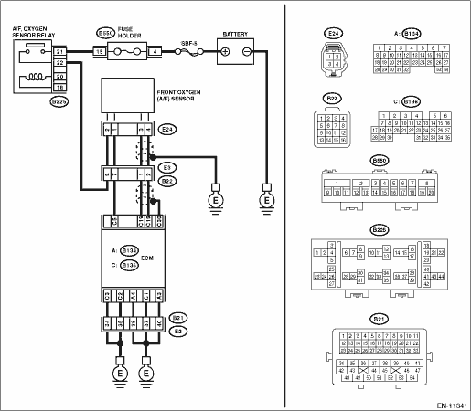
Wiring diagram:
Engine electrical system Engine Electrical System">

| STEP | CHECK | YES | NO |
1.CHECK FRONT OXYGEN (A/F) SENSOR CONNECTOR AND COUPLING CONNECTOR.
Has water entered the connector?
Completely remove any water inside.
Diagnostic Procedure with Diagnostic Trouble Code (DTC) > DTC P0131 A/F / O2 SENSOR CIRCUIT LOW VOLTAGE BANK 1 SENSOR 1">Go to Step 2.
2.CHECK HARNESS BETWEEN ECM AND FRONT OXYGEN (A/F) SENSOR CONNECTOR.
1) Turn the ignition switch to OFF.
2) Disconnect the connector from ECM.
3) Disconnect the connectors from front oxygen (A/F) sensor.
4) Measure the resistance between ECM connector and chassis ground.
Connector & terminal
(B136) No. 18 — Chassis ground:
(B136) No. 19 — Chassis ground:
Is the resistance 1 M? or more?
Diagnostic Procedure with Diagnostic Trouble Code (DTC) > DTC P0131 A/F / O2 SENSOR CIRCUIT LOW VOLTAGE BANK 1 SENSOR 1">Go to Step 3.
Repair the short circuit to ground in harness between ECM connector and front oxygen (A/F) sensor connector.
3.CHECK FOR POOR CONTACT.
Check for poor contact of the front oxygen (A/F) sensor connector.
Is there poor contact of front oxygen (A/F) sensor connector?
Repair the poor contact of front oxygen (A/F) sensor connector.
Replace the front oxygen (A/F) sensor. Front Oxygen (A/F) Sensor">
1. OUTLINE OF DIAGNOSIS
Detect the open or short circuit of sensor.
Judge as NG, when the element voltage is out of the specified range.
2. COMPONENT DESCRIPTION

(A) | Electromotive force | (B) | Air fuel ratio | (C) | Rich |
(D) | Lean | ||||
(1) | Exhaust gas | (2) | Zirconia element oxygen |
3. EXECUTION CONDITION
Secondary Parameters | Execution condition |
Battery voltage | ≥ 10.9 V |
4. GENERAL DRIVING CYCLE
Always perform the diagnosis continuously.
5. DIAGNOSTIC METHOD
If the duration of time while the following conditions are met is longer than the time indicated, judge as NG.
Malfunction Criteria | Threshold Value |
Input voltage (+) | < 0.4 V |
or | |
Input voltage (−) | < 0.4 V |
or | |
|Input voltage (+) − Input voltage (−)| | < 0.1 V |
ECM input voltage (−) | > 3.8 V and < 4.7 V |
Time Needed for Diagnosis:
Input voltage (+): 1000 ms
Input voltage (−): 1000 ms
Malfunction Indicator Light Illumination: Illuminates as soon as a malfunction occurs.
Dtc p0123 throttle/pedal position sensor/switch "a" circuit high
Dtc p0132 a/f / o2 sensor circuit high voltage bank 1 sensor 1Dtc c2021 tire 1 air pressure low (normal mode)
TIRE PRESSURE MONITORING SYSTEM (DIAGNOSTICS) > Diagnostic Procedure with Diagnostic Trouble Code (DTC)DTC C2021 TIRE 1 AIR PRESSURE LOW (NORMAL MODE)NOTE:Refer to DTC C2024 for diagnostic procedure. Diagnostic Procedure with Diagnostic Trouble Code (DTC) > DTC C2024 TIRE 4 AIR PRESSURE LOW ( ...
Removal
EXTERIOR/INTERIOR TRIM > Front BumperREMOVAL1. Disconnect the ground cable from battery. NOTE">2. Remove the bumper face - front.(1) Remove the screw and clips, and turn over the mud guard - front.(2) Disconnect the connectors of the left and right fog light assembly - front. (Model with ...
Tire size
Your vehicle comes equipped with
P-Metric tire size. It is important to
understand the sizing system in
selecting the proper tire for your
vehicles. Here is a brief review of
the tire sizing system with a breakdown
of its individual elements.
P Metric
With the P-Metric system, Section
Width ...