ENGINE (DIAGNOSTICS)(H4DO) > Diagnostic Procedure with Diagnostic Trouble Code (DTC)
DTC P0032 A/F / O2 HEATER CONTROL CIRCUIT HIGH BANK 1 SENSOR 1
DTC DETECTING CONDITION:
Immediately at fault recognition
CAUTION:
After servicing or replacing faulty parts, perform Clear Memory Mode Clear Memory Mode > OPERATION">
, and Inspection Mode Inspection Mode > PROCEDURE">
.
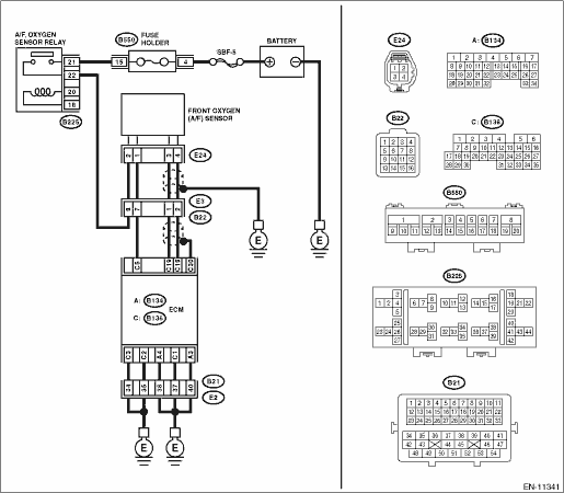
WIRING DIAGRAM:
Engine electrical system Engine Electrical System">

| STEP | CHECK | YES | NO |
1.CHECK HARNESS BETWEEN ECM AND FRONT OXYGEN (A/F) SENSOR CONNECTOR.
1) Turn the ignition switch to OFF.
2) Measure the voltage between ECM connector and chassis ground.
Connector & terminal
(B136) No. 5 (+) — Chassis ground (−):
Is the voltage 10 V or more?
Repair the short circuit to power in the harness between ECM connector and front oxygen (A/F) sensor connector.
Diagnostic Procedure with Diagnostic Trouble Code (DTC) > DTC P0032 A/F / O2 HEATER CONTROL CIRCUIT HIGH BANK 1 SENSOR 1">Go to Step 2.
2.CHECK GROUND CIRCUIT FOR ECM.
1) Disconnect the connector from ECM.
2) Measure the resistance between ECM connector and chassis ground.
Connector & terminal
(B134) No. 3 — Chassis ground:
(B134) No. 4 — Chassis ground:
(B136) No. 1 — Chassis ground:
(B136) No. 2 — Chassis ground:
(B136) No. 3 — Chassis ground:
Is the resistance less than 5 ??
Repair the poor contact of ECM connector.
Repair the harness and connector.
NOTE:
In this case, repair the following item:
• Open circuit of harness between ECM connector and engine ground
• Poor contact of coupling connector
1. OUTLINE OF DIAGNOSIS
Detect front oxygen (A/F) sensor heater open or short circuit.
The front oxygen (A/F) sensor heater performs duty control, and the output terminal voltage at ON is 0 V, and the output terminal voltage at OFF is the battery voltage.
Judge as NG when the terminal voltage remains High.
2. COMPONENT DESCRIPTION

(A) | Battery voltage | (B) | Front oxygen (A/F) sensor heater output voltage | (C) | 128 ms |
(D) | High error |
3. EXECUTION CONDITION
Secondary Parameters | Execution condition |
Battery voltage | ≥ 10.9 V |
Primary oxygen sensor heater control duty | > 12.5 % |
4. GENERAL DRIVING CYCLE
Always perform the diagnosis continuously.
5. DIAGNOSTIC METHOD
If the duration of time while the following conditions are met is longer than the time indicated, judge as NG.
Malfunction Criteria | Threshold Value |
Measured primary oxygen sensor heater control voltage | ≥ 1.9 V |
Time Needed for Diagnosis: 2 seconds
Malfunction Indicator Light Illumination: Illuminates as soon as a malfunction occurs.
Dtc p0031 a/f / o2 heater control circuit low bank 1 sensor 1
Dtc p0037 a/f / o2 heater control circuit low bank 1 sensor 2Traction AA, A, B, C
The traction grades, from highest to
lowest, are AA, A, B and C. Those
grades represent the tire's ability to
stop on wet pavement as measured
under controlled conditions on specified
government test surfaces of
asphalt and concrete. A tire marked
C may have poor traction performance.
WARNIN ...
PIN Code Access (models with "keyless access with push-button start system")
Rear lock button
While all doors (including the rear gate)
are locked, you can unlock the doors
(including the rear gate) without a key by
pressing the rear lock button.
NOTE
PIN Code Access will be helpful if the
key is accidentally left in the vehicle. It
is recommended that a 5-d ...
Lock/unlock
The rear gate can be locked and unlocked
using any of the following systems
Power door locking switch: Refer to
"Power door locking switches" 2-8.
Keyless access with the push-button
start system (if equipped): Refer to "Keyless
access with push-button start system"
2-9.
...