VEHICLE DYNAMICS CONTROL (VDC) (DIAGNOSTICS) > Diagnostic Procedure with Diagnostic Trouble Code (DTC)
DTC C0054 BLS OFF MALFUNCTION
DTC detecting condition:
Defective stop light switch
Trouble symptom:
• VDC does not operate.
• EyeSight does not operate.
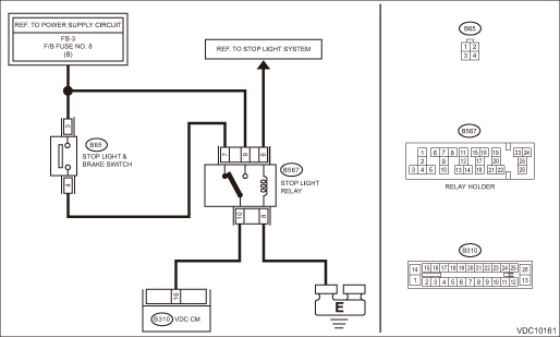
Wiring diagram:
Vehicle dynamics control system Vehicle Dynamics Control System > WIRING DIAGRAM">

| STEP | CHECK | YES | NO |
1.CHECK STOP LIGHT SWITCH.
Check the stop light switch. Stop Light Switch > INSTALLATION">
Is the check result OK?
Diagnostic Procedure with Diagnostic Trouble Code (DTC) > DTC C0054 BLS OFF MALFUNCTION">Go to Step 2.
Adjust the installation position of the stop light switch. Stop Light Switch > INSTALLATION">
2.CHECK STOP LIGHT SWITCH.
1) Turn the ignition switch to OFF.
2) Disconnect the stop light switch connector.
3) Measure the resistance of stop light switch terminals.
Terminals
No. 3 — No. 4:
Is the resistance less than 1 ? when the stop light switch is ON (when pedal is depressed)?
Diagnostic Procedure with Diagnostic Trouble Code (DTC) > DTC C0054 BLS OFF MALFUNCTION">Go to Step 3.
Replace the stop light switch. Stop Light Switch">
3.CHECK STOP LIGHT RELAY.
Measure the resistance of stop light relay terminals.
Terminals
No. 7 — No. 10:
Is the resistance less than 1 ??
Diagnostic Procedure with Diagnostic Trouble Code (DTC) > DTC C0054 BLS OFF MALFUNCTION">Go to Step 4.
Replace the stop light relay.
4.CHECK VDCCM&H/U CONNECTOR.
Disconnect the connector from the VDCCM&H/U.
Is there poor contact or damage of the VDCCM&H/U connector?
Repair the VDCCM&H/U connector.
Diagnostic Procedure with Diagnostic Trouble Code (DTC) > DTC C0054 BLS OFF MALFUNCTION">Go to Step 5.
5.CHECK STOP LIGHT SWITCH CIRCUIT.
Measure the resistance of stop light switch circuit.
Connector & terminal
(B310) No. 16 — (B567) No. 10:
(B65) No. 4 — (B567) No. 7:
(B65) No. 3 — (F/B fuse) No. 8:
Is the resistance less than 1 ??
Diagnostic Procedure with Diagnostic Trouble Code (DTC) > DTC C0054 BLS OFF MALFUNCTION">Go to Step 6.
Repair the stop light switch circuit.
6.CHECK STOP LIGHT SWITCH CIRCUIT.
1) Connect all connectors.
2) Turn the ignition switch to ON.
3) Measure the voltage between stop light relay and chassis ground.
Connector & terminal
(B567) No. 10 (+) — Chassis ground (−):
Is the voltage 10 V or more when the stop light switch is ON (when pedal is depressed)?
Diagnostic Procedure with Diagnostic Trouble Code (DTC) > DTC C0054 BLS OFF MALFUNCTION">Go to Step 7.
Repair the stop light switch circuit.
7.CHECK VDCCM&H/U.
1) Perform the Clear Memory Mode. Clear Memory Mode">
2) Perform the Inspection Mode. Inspection Mode">
3) Read the DTC. Read Diagnostic Trouble Code (DTC)">
Is the same DTC displayed?
Replace the VDCCM&H/U. VDC Control Module and Hydraulic Control Unit (VDCCM&H/U)">
Diagnostic Procedure with Diagnostic Trouble Code (DTC) > DTC C0054 BLS OFF MALFUNCTION">Go to Step 8.
8.CHECK DETECTION OF OTHER DTCS FOR VDC.
Read Diagnostic Trouble Code (DTC)">
Is any other DTC displayed?
Perform the diagnosis according to DTC. List of Diagnostic Trouble Code (DTC)">
Currently, it is normal. There may have been a temporary poor contact in the harness and connector or a temporary noise interference.
Dtc c0054 bls on malfunction
Dtc c0081 system failureDtc b1433 ambient temperature sensor circuit short-circuit (air-conditioner)
HVAC SYSTEM (AUTO A/C) (DIAGNOSTICS) > Diagnostic Procedure with Diagnostic Trouble Code (DTC)DTC B1433 AMBIENT TEMPERATURE SENSOR CIRCUIT SHORT-CIRCUIT (AIR-CONDITIONER)DTC detecting condition:Ambient sensor circuit is shorted.Trouble symptom:Ambient temperature is falsely recognized, and the co ...
Disassembly
MECHANICAL(H4DO) > Cam CarrierDISASSEMBLY1. CAM CARRIER RH1. Loosen the bolts (front camshaft cap RH, intake center camshaft cap RH, intake rear camshaft cap RH, exhaust center camshaft cap RH, and exhaust rear camshaft cap RH) equally, a little at a time in numerical sequence as shown in the fig ...
Installation
EXTERIOR BODY PANELS > Rear GateINSTALLATION1. REAR GATE PANELCAUTION:The panel - rear gate is heavy. When removing and installing it, always work in a team of two or more persons.1. Install the hinge - rear gate to the vehicle body.2. Temporarily install the panel - rear gate to the hinge - rear ...