VEHICLE DYNAMICS CONTROL (VDC) (DIAGNOSTICS) > Diagnostic Procedure with Diagnostic Trouble Code (DTC)
DTC C0054 BLS ON MALFUNCTION
DTC detecting condition:
Defective stop light switch
Trouble symptom:
• VDC does not operate.
• EyeSight does not operate.
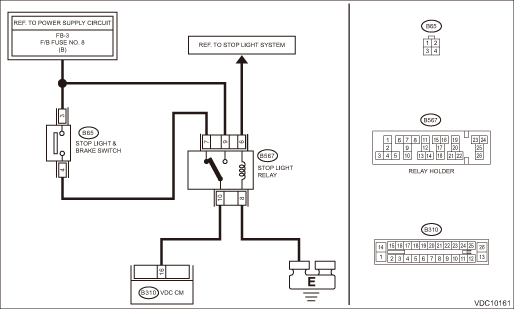
Wiring diagram:
Vehicle dynamics control system Vehicle Dynamics Control System > WIRING DIAGRAM">

| STEP | CHECK | YES | NO |
1.INTERVIEW CUSTOMERS.
Make sure that the operation was performed in which accelerator pedal and brake pedal were depressed simultaneously (with depressing brake pedal with left foot).
Were the acceleration pedal and brake pedal depressed simultaneously?
System is normal. (DTC may be recorded if the brake pedal is always depressed while driving.)
Diagnostic Procedure with Diagnostic Trouble Code (DTC) > DTC C0054 BLS ON MALFUNCTION">Go to Step 2.
2.CHECK STOP LIGHT RELAY.
1) Turn the ignition switch to OFF.
2) Measure the resistance of stop light relay terminals.
Terminals
No. 9 — No. 10:
Is the resistance less than 1 ??
Replace the stop light relay.
Diagnostic Procedure with Diagnostic Trouble Code (DTC) > DTC C0054 BLS ON MALFUNCTION">Go to Step 3.
3.CHECK VDCCM&H/U CONNECTOR.
Disconnect the connector from the VDCCM&H/U.
Is there poor contact or damage of the VDCCM&H/U connector?
Repair the VDCCM&H/U connector.
Diagnostic Procedure with Diagnostic Trouble Code (DTC) > DTC C0054 BLS ON MALFUNCTION">Go to Step 4.
4.CHECK STOP LIGHT SWITCH CIRCUIT.
1) Turn the ignition switch to ON.
2) Measure the voltage between stop light switch and chassis ground.
Connector & terminal
(B567) No. 10 (+) — Chassis ground (−):
Is the voltage 10 V or more when the stop light switch is OFF (when pedal is not depressed)?
Repair the stop light switch circuit.
Diagnostic Procedure with Diagnostic Trouble Code (DTC) > DTC C0054 BLS ON MALFUNCTION">Go to Step 5.
5.CHECK VDCCM&H/U.
1) Connect all connectors.
2) Perform the Clear Memory Mode. Clear Memory Mode">
3) Perform the Inspection Mode. Inspection Mode">
4) Read the DTC. Read Diagnostic Trouble Code (DTC)">
Is the same DTC displayed?
Replace the VDCCM&H/U. VDC Control Module and Hydraulic Control Unit (VDCCM&H/U)">
Diagnostic Procedure with Diagnostic Trouble Code (DTC) > DTC C0054 BLS ON MALFUNCTION">Go to Step 6.
6.CHECK DETECTION OF OTHER DTCS FOR VDC.
Read Diagnostic Trouble Code (DTC)">
Is any other DTC displayed?
Perform the diagnosis according to DTC. List of Diagnostic Trouble Code (DTC)">
Currently, it is normal. There may have been a temporary poor contact in the harness and connector or a temporary noise interference.
Dtc c0052 motor malfunction
Dtc c0054 bls off malfunctionList of diagnostic trouble code (dtc) List
BODY CONTROL SYSTEM (DIAGNOSTICS) > List of Diagnostic Trouble Code (DTC)LISTDTCItemContent of diagnosisNoteB1010BODY CONTROL SYSTEM (BIU) MALFUNCTIONBody integrated unit internal error Diagnostic Procedure with Diagnostic Trouble Code (DTC) > DTC B1010 BODY CONTROL SYSTEM (BIU) MALFUNCTION&qu ...
Ebd warning light, abs warning, vdc off indicator light, vdc warning light and vdc indicator light do not come on
VEHICLE DYNAMICS CONTROL (VDC) (DIAGNOSTICS) > Warning Light Illumination PatternEBD WARNING LIGHT, ABS WARNING, VDC OFF INDICATOR LIGHT, VDC WARNING LIGHT AND VDC INDICATOR LIGHT DO NOT COME ONDetecting condition:Defective combination meterTrouble symptom:When the ignition switch is turned to ON ...
Power steering warning light
This
warning light illuminates when the
ignition switch is turned to the "ON"
position and turns off after the engine
has started. This indicates that the warning
system is working properly.
While the engine is running, this warning
light illuminates when a malfunction has
been detected ...