ENGINE (DIAGNOSTICS)(H4DO) > Diagnostic Procedure for Subaru Select Monitor Communication
COMMUNICATION FOR INITIALIZING IMPOSSIBLE
DIAGNOSIS:
Open or short circuit in data link connector
TROUBLE SYMPTOM:
Subaru Select Monitor communication failure
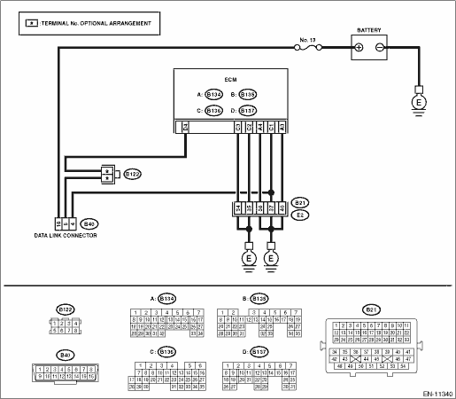
WIRING DIAGRAM:
Engine electrical system Engine Electrical System">

| STEP | CHECK | YES | NO |
1.CHECK POWER SUPPLY CIRCUIT.
Connect DST-i or general scan tool to data link connector.
Does DST-i or the general scan tool turn ON?
Diagnostic Procedure for Subaru Select Monitor Communication > COMMUNICATION FOR INITIALIZING IMPOSSIBLE">Go to Step 4.
Diagnostic Procedure for Subaru Select Monitor Communication > COMMUNICATION FOR INITIALIZING IMPOSSIBLE">Go to Step 2.
2.CHECK POWER SUPPLY CIRCUIT.
Measure the voltage between data link connector and chassis ground.
Connector & terminal
(B40) No. 16 (+) — Chassis ground (−):
Is the voltage 10 V or more?
Diagnostic Procedure for Subaru Select Monitor Communication > COMMUNICATION FOR INITIALIZING IMPOSSIBLE">Go to Step 3.
Repair the power supply circuit.
NOTE:
In this case, repair the following item:
• Open or ground short circuit of harness between battery and data link connector
• Blown out of fuse (M/B No. 13)
3.CHECK HARNESS BETWEEN DATA LINK CONNECTOR AND CHASSIS GROUND.
1) Turn the ignition switch to OFF.
2) Measure the resistance of harness between data link connector and chassis ground.
Connector & terminal
(B40) No. 4 — Chassis ground:
(B40) No. 5 — Chassis ground:
Is the resistance less than 5 ??
Repair the poor contact of data link connector.
Repair the harness and connector.
NOTE:
In this case, repair the following item:
• Open circuit in harness between ECM connector and data link connector
• Open circuit of harness between ECM connector and engine ground
• Poor contact of ECM connector
• Poor contact of coupling connector
4.CHECK HARNESS BETWEEN ECM AND DATA LINK CONNECTOR.
Measure the resistance between data link connector and chassis ground.
Connector & terminal
(B40) No. 7 — Chassis ground:
Is the resistance 1 M? or more?
Repair the poor contact of the ECM or data link connector.
Repair the short circuit to ground in harness between ECM connector and data link connector.
Data link connector Note
Drive cycle ProcedureInstallation
FUEL INJECTION (FUEL SYSTEMS)(H4DO) > Fuel TankINSTALLATION1. Support the fuel tank with a transmission jack, set the fuel tank in place, and temporarily tighten the bolts of the fuel tank band.WARNING:A helper is required to perform this work.2. Tighten the bolts of the fuel tank band in the ord ...
Inspection
CONTINUOUSLY VARIABLE TRANSMISSION(TR580) > Transmission HarnessINSPECTION1. Visually check the harness and connector for damage or crack.2. Check the harness terminal for rust, disconnection or poor contact.3. Check the continuity between harness terminals.NOTE:For details of transmission harnes ...
Dtc c2023 tire 3 air pressure low (normal mode)
TIRE PRESSURE MONITORING SYSTEM (DIAGNOSTICS) > Diagnostic Procedure with Diagnostic Trouble Code (DTC)DTC C2023 TIRE 3 AIR PRESSURE LOW (NORMAL MODE)NOTE:Refer to DTC C2024 for diagnostic procedure. Diagnostic Procedure with Diagnostic Trouble Code (DTC) > DTC C2024 TIRE 4 AIR PRESSURE LOW ( ...