MECHANICAL(H4DO) > General Description
COMPONENT
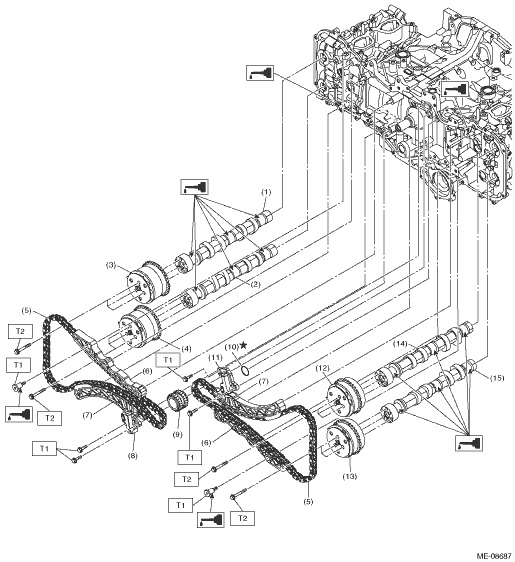
1. TIMING CHAIN

(1) | Intake camshaft RH | (8) | Chain tensioner RH | (15) | Exhaust camshaft LH |
(2) | Exhaust camshaft RH | (9) | Crank sprocket | ||
(3) | Intake cam sprocket RH | (10) | O-ring | Tightening torque: N·m (kgf-m, ft-lb) | |
(4) | Exhaust cam sprocket RH | (11) | Chain tensioner LH | T1: | 6.4 (0.7, 4.7) |
(5) | Timing chain | (12) | Intake cam sprocket LH | T2: | 18 (1.8, 13.3) |
(6) | Chain guide | (13) | Exhaust cam sprocket LH | ||
(7) | Chain tension lever | (14) | Intake camshaft LH | ||
2. CHAIN COVER

(1) | Oil filter | (11) | O-ring | (21) | O-ring |
(2) | Oil pump union | (12) | Gasket | (22) | O-ring |
(3) | Generator cord stay | (13) | Engine oil temperature sensor | ||
(4) | Oil filler cap | (14) | Oil pressure switch | Tightening torque: N·m (kgf-m, ft-lb) | |
(5) | Gasket | (15) | Front oil seal | T1: | 6.4 (0.7, 4.7) |
(6) | Camshaft position sensor | (16) | Crank pulley | T2: | 8 (0.8, 5.9) |
(7) | O-ring | (17) | Oil level gauge | T3: | 18 (1.8, 13.3) |
(8) | Chain cover | (18) | O-ring | T4: | 45 (4.6, 33.2) |
(9) | Oil control solenoid | (19) | Oil level gauge guide | T5: | Crank Pulley > INSTALLATION"> |
(10) | Back-up ring | (20) | O-ring | T6: | Chain Cover > INSTALLATION"> |
3. CYLINDER HEAD AND CAMSHAFT

(1) | Rocker cover RH | (13) | O-ring | (25) | Intake rear camshaft cap LH |
(2) | Rocker cover gasket RH | (14) | Cylinder head plate | (26) | Exhaust rear camshaft cap LH |
(3) | Front camshaft cap RH | (15) | Cylinder head RH | (27) | Rocker cover gasket LH |
(4) | Intake center camshaft cap RH | (16) | Cylinder head gasket RH | (28) | Rocker cover LH |
(5) | Exhaust center camshaft cap RH | (17) | Cylinder head gasket LH | ||
(6) | Intake rear camshaft cap RH | (18) | Cylinder head LH | Tightening torque: N·m (kgf-m, ft-lb) | |
(7) | Exhaust rear camshaft cap RH | (19) | Cam carrier LH | T1: | Cylinder Head > INSTALLATION"> |
(8) | Intake camshaft RH | (20) | Intake camshaft LH | T2: | Cam Carrier > INSTALLATION"> |
(9) | Exhaust camshaft RH | (21) | Exhaust camshaft LH | T3: | Cam Carrier > ASSEMBLY"> |
(10) | Cam carrier RH | (22) | Front camshaft cap LH | T4: | Rocker Cover > INSTALLATION"> |
(11) | Cylinder head bolt | (23) | Intake center camshaft cap LH | ||
(12) | Spark plug pipe gasket | (24) | Exhaust center camshaft cap LH | ||
4. VALVE ASSY

(1) | Exhaust valve | (6) | Valve spring | (11) | Roller rocker arm |
(2) | Intake valve | (7) | Valve spring retainer | (12) | Exhaust valve guide |
(3) | Intake valve guide | (8) | Valve collet | (13) | Exhaust valve oil seal |
(4) | Valve spring seat | (9) | Valve shim | ||
(5) | Intake valve oil seal | (10) | Roller rocker arm pivot |
5. CYLINDER BLOCK 1

(1) | Engine rear hanger (CVT model) | (6) | O-ring | Tightening torque: N·m (kgf-m, ft-lb) | |
(2) | Engine rear hanger (MT model) | (7) | Rear oil seal | T1: | 6.4 (0.7, 4.7) |
(3) | Oil separator cover | (8) | Crankshaft position sensor holder | T2: | 21 (2.1, 15.5) |
(4) | Cylinder block plug | (9) | Cylinder block plate | T3: | 25 (2.5, 18.4) |
(5) | Main gallery plug | (10) | Water jacket spacer | T4: | Cylinder Block > ASSEMBLY"> |
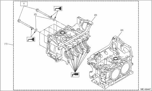
6. CYLINDER BLOCK 2

(1) | Cylinder block ASSY | (3) | Cylinder block RH | Tightening torque: N·m (kgf-m, ft-lb) | |
(2) | Washer | (4) | Cylinder block LH | T: | Cylinder Block > INSTALLATION"> |
7. CRANKSHAFT AND PISTON

(1) | Reinforcement drive plate (CVT model) | (10) | Piston pin | (19) | Crankshaft bearing #2, #4 |
(2) | Drive plate (CVT model) | (11) | Connecting rod cap bolt | (20) | Crankshaft bearing #5 |
(3) | Flywheel (MT model) | (12) | Connecting rod | ||
(4) | Crankshaft position sensor plate | (13) | Connecting rod bearing | Tightening torque: N·m (kgf-m, ft-lb) | |
(5) | Top ring | (14) | Connecting rod cap | T1: | Cylinder Block > INSTALLATION"> |
(6) | Second ring | (15) | Piston LH | T2: | Drive Plate > INSTALLATION"> |
(7) | Oil ring | (16) | Crankshaft | T3: | Flywheel > INSTALLATION"> |
(8) | Piston RH | (17) | Woodruff key | ||
(9) | Circlip | (18) | Crankshaft bearing #1, #3 | ||
8. ENGINE MOUNTING
• CVT model

(1) | Front cushion rubber | (2) | Nut | Tightening torque: N·m (kgf-m, ft-lb) | |
T1: | 35 (3.6, 25.8) | ||||
T2: | 60 (6.1, 44.3) | ||||
• MT model

(1) | Front cushion rubber | (3) | Nut | Tightening torque: N·m (kgf-m, ft-lb) | |
(2) | Front engine mounting bracket | T1: | 35 (3.6, 25.8) | ||
T2: | 42 (4.3, 31.0) | ||||
T3: | 60 (6.1, 44.3) | ||||
Specification
Preparation toolReset to factory default settings
1. Perform the preparation steps according
to "Preparation for initialization"
2. Operate the " " or "
" switch to
select the "Reset to Defaults" item. Then
push the button.
3. The system will prompt a Yes/No
dialogue ("No" is selected first). To return
to the factory d ...
Dtc p0071 ambient air temperature sensor circuit "a" range/performance
ENGINE (DIAGNOSTICS)(H4DO) > Diagnostic Procedure with Diagnostic Trouble Code (DTC)DTC P0071 AMBIENT AIR TEMPERATURE SENSOR CIRCUIT "A" RANGE/PERFORMANCEDTC detecting condition:Detected when two consecutive driving cycles with fault occur.CAUTION:After servicing or replacing faulty par ...
Dtc b2222 system microcomputer fail
INSTRUMENTATION/DRIVER INFO (DIAGNOSTICS) > Diagnostic Procedure with Diagnostic Trouble Code (DTC)DTC B2222 SYSTEM MICROCOMPUTER FAILDTC DETECTING CONDITION:When the microcomputer froze.TROUBLE SYMPTOM:MFD does not operate.NOTE:Reset the MFD. If it does not return to the normal operation, replac ...