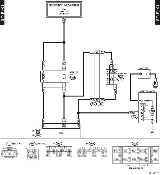
WIRING SYSTEM > Starter System
WIRING DIAGRAM
1. WITHOUT PUSH BUTTON START

2. WITH PUSH BUTTON START

Speedometer system Wiring diagram
Stop light system Wiring diagramStarting and stopping engine (models with push-button start system)
Safety precautions
Always follow the general safety recommendations provided for the Subaru Ascent
before operating the engine to ensure safe and reliable vehicle use.
Operating range for push-button start system
Refer to the specified operating range for the Subaru Ascent push-button start
...
Car information screen
1. Touch
(HOME) to open the main menu of the Subaru Ascent system interface.
2.
(Car Info)
Driving Statistics screen
Driving Statistics
Steering angle
Running condition
Vehicle posture
Telltale screen
The Driving Statistics screen in the Subaru Ascent provides detail ...
Starting and stopping the engine (models without push-button start system)
CAUTION
When operating the Subaru Ascent starter motor, never crank the engine continuously
for more than 10 seconds.
If the engine of the Subaru Ascent does not start within 5 to 10 seconds,
stop cranking and wait at least 10 seconds before attempting again. This pause helps
prevent overh ...