FUEL INJECTION (FUEL SYSTEMS)(H4DO) > Fuel Sub Level Sensor
INSTALLATION
1. Install the fuel sub level sensor to the fuel tank.
(1) Make sure the sealing portion is free from fuel or foreign matter before installation.
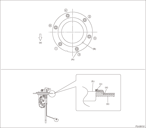
(2) Align the cutout (B) as shown in the figure, and install the fuel sub level sensor upper plate cushion to the fuel sub level sensor upper plate.
(3) Align the cutout of the fuel sub level sensor upper plate with the protrusion (B) of the fuel sub level sensor as shown in the figure, and install the fuel sub level sensor upper plate from the upper side of the fuel sub level sensor.
(4) Install the gasket from the lower side of the fuel sub level sensor so that the protrusion (B) of the fuel sub level sensor and the protrusion (A) of the gasket are positioned as shown in the figure.
NOTE:
Use a new gasket.
(5) Install the fuel sub level sensor to the fuel tank in the direction shown in the figure, and tighten the nuts to the specified torque in the order as shown in the figure.
CAUTION:
Set the arm and float of the fuel sub level sensor while paying attention to prevent them from contacting the fuel tank. If the arm of the fuel sub level sensor is bent, the fuel gauge may not read correctly.
Tightening torque:
4.4 N·m (0.4 kgf-m, 3.2 ft-lb)

(a) | Front side of vehicle | (c) | Fuel sub level sensor upper plate cushion | (e) | Gasket |
(b) | Fuel sub level sensor | (d) | Fuel sub level sensor upper plate |
2. Install the fuel sub level sensor protector, and install the rubber cap (A).
Tightening torque:
4.4 N·m (0.4 kgf-m, 3.2 ft-lb)

3. Connect the quick connector of the jet pump tube.
CAUTION:
• Check that there is no damage or dust on the quick connector. If necessary, clean the seal surface of the pipe.
• When connecting the quick connector, make sure to insert it all the way in before locking the slider.
• When it is difficult to lock the slider, check that the connector is fully inserted.
• After locking the slider, check again that the quick connector is securely connected.
NOTE:
Connect the quick connector as shown in the figure.

(a) | Slider |

4. Connect the connector to the fuel sub level sensor.

5. Install the service hole cover of fuel sub level sensor.

6. Install the rear seat cushion. Rear Seat > INSTALLATION">
7. Connect the battery ground terminal.

Removal
Fuel tankInstallation
REAR SUSPENSION > Rear StabilizerINSTALLATIONCAUTION:• Be sure to use a new flange nut and self-locking nut.• Always tighten the bushing in the state where the vehicle is at curb weight and the wheels are in full contact with the ground.• Install the clamp - stabilizer bushing w ...
Inspection
FRONT SUSPENSION > Front StrutINSPECTIONCheck the removed part for wear, damage and cracks, and then repair or replace it if defective.1. STRUT1. Check for oil leaks.2. Move the piston rod up and down to check that it operates smoothly without any hitch.3. Check the piston rod runout.Preparation ...
Dtc b1431 in-vehicle (post evaporator) temperature sensor circuit short-circuit
HVAC SYSTEM (AUTO A/C) (DIAGNOSTICS) > Diagnostic Procedure with Diagnostic Trouble Code (DTC)DTC B1431 IN-VEHICLE (POST EVAPORATOR) TEMPERATURE SENSOR CIRCUIT SHORT-CIRCUITDTC detecting condition:In-vehicle sensor circuit is shorted.Trouble symptom:In-vehicle air temperature is falsely recognize ...