VEHICLE DYNAMICS CONTROL (VDC) > Front ABS Wheel Speed Sensor
INSPECTION
1. CHECK WITH SUBARU SELECT MONITOR
1. Connect the Subaru Select Monitor to data link connector.
NOTE:
For detailed operation procedures, refer to “Application help”.
(1) On «Start» display, select «Diagnosis».
(2) On «Vehicle selection» display, input the target vehicle information and select «Confirmed».
(3) On «Main Menu» display, select «Each System».
(4) On «Select System» display, select «Brake Control System» and select «Enter».
(5) On «Select Function» display, select «Data Monitor».
(6) From the data monitor item list, select «FR Wheel Speed» and «FL Wheel Speed».
2. Check if the speed indicated on the display changes in the same manner as the speedometer reading during acceleration/deceleration when the steering wheel is in the straight-ahead position.
3. If the speed indicated on the display does not change in the inspection, check the ABS wheel speed sensor. Front ABS Wheel Speed Sensor > INSPECTION">
2. CHECK ABS WHEEL SPEED SENSOR UNIT
1. Visually check the tip of the ABS wheel speed sensor for foreign particles or damage. If necessary, clean the tip or replace the ABS wheel speed sensor.
2. Disconnect the ABS wheel speed sensor connector.
3. Check the ABS wheel speed sensor cable for discontinuity. If defective, replace the ABS wheel speed sensor.
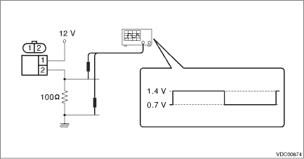
4. Connect a 12 V power supply to No. 1 terminal of ABS wheel speed sensor connector, then attach resistance to the No. 2 terminal. Rotate the wheel at about 2.75 km/h (2 MPH), and measure the voltage using an oscilloscope.
Standard value of output voltage:
0.7 — 1.4 V

5. Replace the ABS wheel speed sensor if the inspection result is not within the standard value.
RemovalDtc u0140 lost communication with body control module
TELEMATICS SYSTEM (DIAGNOSTICS) > Diagnostic Procedure with Diagnostic Trouble Code (DTC)DTC U0140 LOST COMMUNICATION WITH BODY CONTROL MODULEDetected when CAN data is not received from body integrated unit.NOTE:Perform the diagnosis for LAN system. Basic Diagnostic Procedure > PROCEDURE" ...
Dtc p0020 "a" camshaft position actuator control circuit/open bank 2
ENGINE (DIAGNOSTICS)(H4DO) > Diagnostic Procedure with Diagnostic Trouble Code (DTC)DTC P0020 "A" CAMSHAFT POSITION ACTUATOR CONTROL CIRCUIT/OPEN BANK 2DTC detecting condition:Immediately at fault recognitionTrouble symptom:Improper idlingCAUTION:After servicing or replacing faulty part ...
Dtc u0140 lost communication with body control module
AUTO HEADLIGHT BEAM LEVELER SYSTEM (DIAGNOSTICS) > Diagnostic Procedure with Diagnostic Trouble Code (DTC)DTC U0140 LOST COMMUNICATION WITH BODY CONTROL MODULEDetected when CAN data (headlights ON signal) is not received from the body integrated unit.NOTE:Perform the diagnosis for LAN system. Ba ...