LIGHTING SYSTEM > Turn Signal Light & Hazard Light Unit
INSPECTION
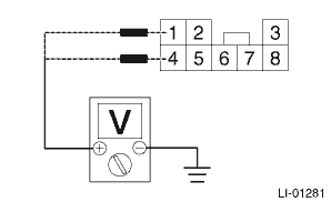
1. Disconnect the connector of the turn signal & hazard unit.
2. Measure the voltage between the turn signal & hazard unit connector and the chassis ground.
Preparation tool:
Circuit tester
Terminal No. | Inspection conditions | Standard | Connection diagram |
4 (+) — Chassis ground (−) | Always | 10 — 14 V |

1 (+) — Chassis ground (−)
IG OFF > ON
Less than 1 V > 10 — 14 V
Repair or replace the harness if the inspection result is not within the standard value.
3. Measure the resistance between the turn signal & hazard unit connector and the chassis ground.
Terminal No. | Inspection conditions | Standard | Connection diagram |
7 — Chassis ground | Always | Less than 1 ? |

Repair or replace the harness if the inspection result is not within the standard value.
4. Connect the turn signal & hazard unit connector.
5. Measure the voltage between turn signal & hazard unit and chassis ground.
Terminal No. | Input/Output | Inspection conditions | Standard |
6 (+) — Chassis ground (−) | Input | Turn signal switch (right) OFF > ON | 9 V or more > less than 1 V |
5 (+) — Chassis ground (−) | Input | Turn signal switch (left) OFF > ON | 9 V or more > less than 1 V |
8 (+) — Chassis ground (−) | Input | Hazard switch OFF > ON | 9 V or more > less than 1 V |
2 (+) — Chassis ground (−) | Output | Turn signal switch (right) OFF > ON | Repeat less than 1 V > less than 1 V ←> more than 9 V at 60 to 120 times per minute. |
3 (+) — Chassis ground (−) | Output | Turn signal switch (left) OFF > ON | Repeat less than 1 V > less than 1 V ←> more than 9 V at 60 to 120 times per minute. |
2 (+) — Chassis ground (−) | Output | Hazard switch OFF > ON | Repeat less than 1 V > less than 1 V ←> more than 9 V at 60 to 120 times per minute. |
3 (+) — Chassis ground (−) | Output | Hazard switch OFF > ON | Repeat less than 1 V > less than 1 V ←> more than 9 V at 60 to 120 times per minute. |
Replace the turn signal & hazard unit if the inspection result is not within the standard value.
RemovalDtc u0424 invalid data received from hvac control module
LAN SYSTEM (DIAGNOSTICS) > Diagnostic Procedure with Diagnostic Trouble Code (DTC)DTC U0424 INVALID DATA RECEIVED FROM HVAC CONTROL MODULEDTC DETECTING CONDITION:Defective data was transmitted from A/C control panel.TROUBLE SYMPTOM:Cooperation control of air conditioner does not operate properly. ...
Dtc p170a l-range switch
CONTINUOUSLY VARIABLE TRANSMISSION (DIAGNOSTICS) > Diagnostic Procedure with Diagnostic Trouble Code (DTC)DTC P170A L-RANGE SWITCHDTC DETECTING CONDITION:Immediately at fault recognitionNOTE:Refer to “DTC P0951 AUTO SHIFT MANUAL CONTROL CIRCUIT RANGE/PERFORMANCE” for diagnostic proced ...
Dtc c0071 steer angle sensor op
VEHICLE DYNAMICS CONTROL (VDC) (DIAGNOSTICS) > Diagnostic Procedure with Diagnostic Trouble Code (DTC)DTC C0071 STEER ANGLE SENSOR OPDTC detecting condition:Steering angle sensor output is faulty.Trouble symptom:• VDC does not operate.• EyeSight does not operate.Wiring diagram:Vehicle ...