HVAC SYSTEM (HEATER, VENTILATOR AND A/C) > FRESH/RECIRC Door Actuator
INSPECTION
1. CHECK LINK
1. Visually check the operation range of the link, and remove the foreign material if any.
2. Operate the FRESH/RECIRC switch to check that the link operates normally.
3. If it does not operate normally as the result of inspection, check the motor - actuator blower.
2. CHECK ACTUATOR
1. Check the actuator operation when battery voltage is applied between the terminals of actuator.
CAUTION:
Disconnect the battery immediately after the actuator stops operation. Otherwise, the motor may be damaged.
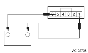
• Manual A/C model
Terminal No. | Inspection conditions | Operating position | Connection diagram |
5 (+) — 1 (−) | Connect battery to the terminals | RECIRC |

1 (+) — 5 (−)
FRESH

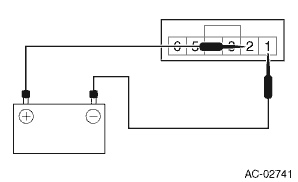
• Auto A/C model
Terminal No. | Inspection conditions | Operating position | Connection diagram |
1 (+) — 2 (−) | Connect battery to the terminals | RECIRC |

2 (+) — 1 (−)
FRESH

2. If it does not operate normally as the result of inspection, replace the motor - actuator blower.
RemovalAdverse safety consequences of overloading on handling and stopping and on
tires
Overloading could affect vehicle
handling, stopping distance, and
vehicle and tire performance in the
following ways. This could lead to
an accident and possibly result in
severe personal injury.
Vehicle stability will deteriorate.
Heavy and/or high-mounted
loads could increase the risk ...
Dtc b11f2 front impact deployment
AIRBAG SYSTEM (DIAGNOSTICS) > Diagnostic Chart with Trouble CodeDTC B11F2 FRONT IMPACT DEPLOYMENTDIAGNOSIS START CONDITION:Ignition voltage is 10 V to 16 V.DTC DETECTING CONDITION:This DTC is indicated when the front airbag module and the pretensioner are deployed.Once this DTC is displayed, the ...
Conditions in which front passenger's
SRS frontal airbag is activated
The front passenger's SRS frontal airbag
will be activated for deployment upon
impact when any of the following conditions
are met regarding the front passenger's
seat.
When the seat is occupied by an adult.
When certain items (e.g. jug of water)
are placed on the seat.
If the passeng ...