HVAC SYSTEM (HEATER, VENTILATOR AND A/C) > Control Panel
INSPECTION
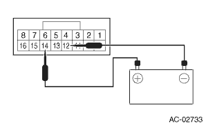
1. CHECK ILLUMINATION
1. Check the illumination operation when battery voltage is applied between the terminals of control panel.
• Manual A/C model
Terminal No. | Inspection conditions | Specification | Connection diagram |
14 (+) — 12 (−) | Connect battery to the terminals | Light ON |

• Auto A/C model
Terminal No. | Inspection conditions | Specification | Connection diagram |
37 (+) — 35 (−) | Connect battery to the terminals | Light ON |

2. If it does not operate normally, replace the heater control assembly.
2. BLOWER SWITCH (MANUAL A/C MODEL)
1. Measure the resistance between the control panel terminals.
Preparation tool:
Circuit tester
Terminal No. | Inspection conditions | Standard | Connection diagram |
— | OFF | — | — |
1 — 2, 4 | 1 (LO) | Less than 1 ? |

1 — 3, 4
2 (M1)
Less than 1 ?

1 — 4, 6
3 (M2)
Less than 1 ?

1 — 4, 5
4 (HI)
Less than 1 ?

2. Replace the heater control assembly if the inspection result is not within the standard.
Control panel
RemovalSTARLINKTM 7.0 Multimedia Plus audio set (U.S. spec. models only, if
equipped)
The audio set will operate only when the
ignition switch is in the "ACC" or "ON"
position.
For details about how to use the
STARLINKTM 7.0 Multimedia Plus audio
set, refer to the STARLINKTM 7.0 Multimedia
Plus or STARLINKTM 7.0 Multimedia
Navigation Owner's Manual.
NOTE
HD Radio Techn ...
Parking brake
To set the parking brake, depress the
brake pedal firmly and hold it down until
the parking brake lever is fully pulled up.
To release the parking brake, pull the lever
up slightly, press the release button, then
lower the lever while keeping the button
pressed.
When the parking brake i ...
Dtc p2746 intermediate shaft speed sensor "b" circuit range/performance
CONTINUOUSLY VARIABLE TRANSMISSION (DIAGNOSTICS) > Diagnostic Procedure with Diagnostic Trouble Code (DTC)DTC P2746 INTERMEDIATE SHAFT SPEED SENSOR "B" CIRCUIT RANGE/PERFORMANCEDTC detecting condition:Immediately at fault recognitionTrouble symptom:• Standing start problems• ...