CONTINUOUSLY VARIABLE TRANSMISSION (DIAGNOSTICS) > Diagnostic Procedure with Diagnostic Trouble Code (DTC)
DTC P2747 INTERMEDIATE SHAFT SPEED SENSOR "B" CIRCUIT NO SIGNAL
DTC detecting condition:
Immediately at fault recognition
Trouble symptom:
• Standing start problems
• Shock occurs when engaging the lockup clutch.
• Shock occurs when selecting shift position.
CAUTION:
Use the check board when measuring the TCM terminal voltage and resistance.
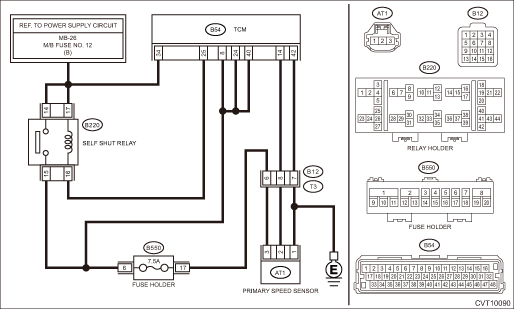
Wiring diagram:
CVT control system CVT Control System">

| STEP | CHECK | YES | NO |
1.CHECK FUSE.
1) Turn the ignition switch to OFF.
2) Remove the fuse (7.5 A) from the fuse holder.
3) Check the fuse.
Is the check result OK?
Diagnostic Procedure with Diagnostic Trouble Code (DTC) > DTC P2747 INTERMEDIATE SHAFT SPEED SENSOR "B" CIRCUIT NO SIGNAL">Go to Step 2.
Replace the fuse. If the fuse blows out easily, repair the short circuit of harness.
2.CHECK HARNESS.
1) Disconnect the TCM connector.
2) Remove the self shut relay.
3) Measure the resistance between TCM connector and relay holder.
Connector & terminal
(B54) No. 25 — (B220) No. 16:
(B54) No. 8 — (B220) No. 15:
(B54) No. 24 — (B220) No. 15:
(B54) No. 40 — (B220) No. 15:
Is the resistance less than 1 ??
Diagnostic Procedure with Diagnostic Trouble Code (DTC) > DTC P2747 INTERMEDIATE SHAFT SPEED SENSOR "B" CIRCUIT NO SIGNAL">Go to Step 3.
Repair the open circuit of harness.
3.CHECK HARNESS.
Measure the resistance between TCM connector and chassis ground.
Connector & terminal
(B54) No. 25 — Chassis ground:
(B54) No. 8 — Chassis ground:
(B54) No. 24 — Chassis ground:
(B54) No. 40 — Chassis ground:
Is the resistance 1 M? or more?
Diagnostic Procedure with Diagnostic Trouble Code (DTC) > DTC P2747 INTERMEDIATE SHAFT SPEED SENSOR "B" CIRCUIT NO SIGNAL">Go to Step 4.
Repair the short circuit of harness.
4.CHECK RELAY POWER SUPPLY.
Measure the voltage between relay holder and chassis ground.
Connector & terminal
(B220) No. 14 (+) — Chassis ground (−):
(B220) No. 17 (+) — Chassis ground (−):
Is the voltage 10 V or more?
Diagnostic Procedure with Diagnostic Trouble Code (DTC) > DTC P2747 INTERMEDIATE SHAFT SPEED SENSOR "B" CIRCUIT NO SIGNAL">Go to Step 5.
Repair the open or short circuit of harness.
5.CHECK SELF SHUT RELAY.
Measure the resistance between self shut relay terminals.
Terminals
No. 16 — No. 17:
Is the resistance 110 — 140 ??
Diagnostic Procedure with Diagnostic Trouble Code (DTC) > DTC P2747 INTERMEDIATE SHAFT SPEED SENSOR "B" CIRCUIT NO SIGNAL">Go to Step 6.
Replace the self shut relay.
6.CHECK SELF SHUT RELAY.
Measure the resistance between self shut relay terminals.
Terminals
No. 14 — No. 15:
Is the resistance 1 M? or more?
Diagnostic Procedure with Diagnostic Trouble Code (DTC) > DTC P2747 INTERMEDIATE SHAFT SPEED SENSOR "B" CIRCUIT NO SIGNAL">Go to Step 7.
Replace the self shut relay.
7.CHECK INPUT SIGNAL FOR TCM.
1) Connect the TCM connector.
2) Install the self shut relay.
3) Read the data of «Control module voltage» using Subaru Select Monitor.
Is the «Control module voltage» 10 V or more?
Current condition is normal. Check for poor contact in connectors or harnesses, and repair the defective part.
Diagnostic Procedure with Diagnostic Trouble Code (DTC) > DTC P2747 INTERMEDIATE SHAFT SPEED SENSOR "B" CIRCUIT NO SIGNAL">Go to Step 8.
8.CHECK HARNESS.
1) Turn the ignition switch to OFF.
2) Disconnect the TCM connector.
3) Disconnect the transmission connector.
4) Measure the resistance between TCM connector and transmission connectors.
Connector & terminal
(B54) No. 14 — (B12) No. 8:
(B54) No. 42 — (B12) No. 7:
(B550) No. 17 — (B12) No. 6:
Is the resistance less than 1 ??
Diagnostic Procedure with Diagnostic Trouble Code (DTC) > DTC P2747 INTERMEDIATE SHAFT SPEED SENSOR "B" CIRCUIT NO SIGNAL">Go to Step 9.
Repair the open circuit of harness.
9.CHECK HARNESS.
Measure the resistance between TCM connector and chassis ground.
Connector & terminal
(B54) No. 14 — Chassis ground:
Is the resistance 1 M? or more?
Diagnostic Procedure with Diagnostic Trouble Code (DTC) > DTC P2747 INTERMEDIATE SHAFT SPEED SENSOR "B" CIRCUIT NO SIGNAL">Go to Step 10.
Repair the short circuit of harness.
10.CHECK HARNESS.
Measure the resistance between relay holder and fuse holder.
Connector & terminal
(B220) No. 15 — (B550) No. 6:
Is the resistance less than 1 ??
Diagnostic Procedure with Diagnostic Trouble Code (DTC) > DTC P2747 INTERMEDIATE SHAFT SPEED SENSOR "B" CIRCUIT NO SIGNAL">Go to Step 11.
Repair the open circuit of harness.
11.CHECK TRANSMISSION HARNESS.
1) Install the fuse.
2) Connect the TCM connector.
3) Turn the ignition switch to ON.
4) Measure the voltage between transmission connector terminals.
Connector & terminal
(B12) No. 6 (+) — Chassis ground (−):
Is the voltage 10 — 13 V?
Diagnostic Procedure with Diagnostic Trouble Code (DTC) > DTC P2747 INTERMEDIATE SHAFT SPEED SENSOR "B" CIRCUIT NO SIGNAL">Go to Step 12.
Repair the open circuit of harness or poor contact of connector.
12.CHECK INPUT SIGNAL FOR TCM.
1) Turn the ignition switch to OFF.
2) Connect the transmission connector.
3) Lift up the vehicle.
4) Start the engine.
5) Set the select lever to “D” range.
6) Read the data of «Primary Rev Speed» using Subaru Select Monitor.
Does the value of «Primary Rev Speed» change according to those of «Turbine Revolution Speed»?
Current condition is normal. Repair the poor contacts of harnesses of primary speed sensor and transmission connector.
Diagnostic Procedure with Diagnostic Trouble Code (DTC) > DTC P2747 INTERMEDIATE SHAFT SPEED SENSOR "B" CIRCUIT NO SIGNAL">Go to Step 13.
13.CHECK TRANSMISSION HARNESS.
1) Turn the ignition switch to OFF.
2) Disconnect the transmission connector.
3) Disconnect the primary speed sensor connector.
4) Measure the resistance between transmission connector and primary speed sensor connector.
Connector & terminal
(T3) No. 6 — (AT1) No. 3:
(T3) No. 7 — (AT1) No. 1:
(T3) No. 8 — (AT1) No. 2:
Is the resistance less than 1 ??
Diagnostic Procedure with Diagnostic Trouble Code (DTC) > DTC P2747 INTERMEDIATE SHAFT SPEED SENSOR "B" CIRCUIT NO SIGNAL">Go to Step 14.
Replace the transmission harness.
14.CHECK PRIMARY SPEED SENSOR HARNESS.
Measure the resistance between transmission connector and chassis ground.
Connector & terminal
(T3) No. 6 — Chassis ground:
(T3) No. 8 — Chassis ground:
Is the resistance 1 M? or more?
Diagnostic Procedure with Diagnostic Trouble Code (DTC) > DTC P2747 INTERMEDIATE SHAFT SPEED SENSOR "B" CIRCUIT NO SIGNAL">Go to Step 15.
Repair the short circuit of harness.
15.CHECK PRIMARY SPEED SENSOR.
1) Turn the ignition switch to OFF.
2) Replace the primary speed sensor. Primary Speed Sensor">
3) Perform the Clear Memory Mode. Clear Memory Mode">
4) Read the DTC.
Is DTC P2747 displayed?
Diagnostic Procedure with Diagnostic Trouble Code (DTC) > DTC P2747 INTERMEDIATE SHAFT SPEED SENSOR "B" CIRCUIT NO SIGNAL">Go to Step 16.
The original primary speed sensor is defective.
16.CHECK SELF SHUT RELAY.
1) Turn the ignition switch to OFF.
2) Replace the self shut relay.
3) Perform the Clear Memory Mode. Clear Memory Mode">
4) Read the DTC.
Is DTC P2747 displayed?
Replace the TCM. Transmission Control Module (TCM)">
The original self shut relay is defective.
1. OUTLINE OF DIAGNOSIS
• Detect no input signal from the primary speed sensor.
• Judge as NG if there is no input signal from the primary pulley speed sensor, while the secondary pulley speed sensor has the input signal although the primary and secondary pulleys are interlocked via the chain.
2. EXECUTION CONDITION
Secondary Parameters | Execution condition |
12 V battery system voltage | ≥ 9 V |
Measured secondary pulley shaft speed | ≥ 500 rpm |
3. DIAGNOSTIC METHOD
If the duration of time while the following conditions are met is longer than the time indicated, judge as NG.
Malfunction Criteria | Threshold Value |
Measured primary pulley shaft speed | 0 rpm |
Time Needed for Diagnosis: 0.5 seconds
Malfunction Indicator Light Illumination: Illuminates as soon as a malfunction occurs.
Dtc p2746 intermediate shaft speed sensor "b" circuit range/performance
Dtc p2750 intermediate shaft speed sensor "c" circuit range/performanceVoice command system operation
1. Press the talk switch on the steering
wheel.
After the voice command top screen has
been displayed, speech guidance will
commence.
NOTE
When the voice command mode is
audio mode, voice guidance for the
voice command system can be skipped
by pressing the talk switch on the
steering ...
Dtc u0155 lost communication with instrument panel cluster (ipc) control module
LAN SYSTEM (DIAGNOSTICS) > Diagnostic Procedure with Diagnostic Trouble Code (DTC)DTC U0155 LOST COMMUNICATION WITH INSTRUMENT PANEL CLUSTER (IPC) CONTROL MODULEDTC DETECTING CONDITION:No data is received from combination meter.TROUBLE SYMPTOM:Display of combination meter does not operate properl ...
Inspection
CONTROL SYSTEMS > AT Shift Lock Solenoid and “P” Range SwitchINSPECTIONSTEPCHECKYESNO1.CHECK SOLENOID UNIT.Measure the resistance of solenoid unit connector terminals.TerminalsNo. 4 — No. 3:Is the resistance 27.6 — 30.5 ?? AT Shift Lock Solenoid and “P” Range Switch &g ...