ENGINE (DIAGNOSTICS)(H4DO) > Diagnostic Procedure with Diagnostic Trouble Code (DTC)
DTC P2012 TGV CONTROL CIRCUIT LOW BANK 2
DTC DETECTING CONDITION:
Immediately at fault recognition
CAUTION:
After servicing or replacing faulty parts, perform Clear Memory Mode Clear Memory Mode > OPERATION">
, and Inspection Mode Inspection Mode > PROCEDURE">
.
WIRING DIAGRAM:
Engine electrical system Engine Electrical System">

| STEP | CHECK | YES | NO |
1.CHECK HARNESS BETWEEN ECM AND TUMBLE GENERATOR VALVE ACTUATOR LH CONNECTOR.
1) Turn the ignition switch to OFF.
2) Disconnect the connector from ECM.
3) Measure the voltage between ECM connector and chassis ground.
Connector & terminal
(B134) No. 23 (+) — Chassis ground (−):
(B134) No. 24 (+) — Chassis ground (−):
Is the voltage 5 V or more?
Repair the short circuit to power in harness between ECM connector and tumble generator valve actuator LH connector.
Replace the tumble generator valve actuator LH. Tumble Generator Valve Actuator">
1. OUTLINE OF DIAGNOSIS
Detect the open or short circuit of tumble generator valve motor.
Judge as NG when the overcurrent signal is sent from IC after tumble generator valve driving IC diagnosis.
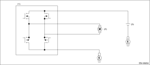
2. COMPONENT DESCRIPTION

(1) | Engine control module (ECM) | (2) | Tumble generator valve | (3) | Battery |
3. EXECUTION CONDITION
Secondary Parameters | Execution condition |
Battery voltage | ≥ 10.9 V |
TGV command | = Open or = closed |
4. GENERAL DRIVING CYCLE
Always perform the diagnosis continuously.
5. DIAGNOSTIC METHOD
If the duration of time while the following conditions are met is longer than the time indicated, judge as NG.
Malfunction Criteria | Threshold Value |
Overcurrent signal from driver IC Short circuit to GND is detected when IC current > 16 A or Short circuit to B+ is detected when IC current > 14 A | = ON |
Time Needed for Diagnosis: 1 second
Malfunction Indicator Light Illumination: Illuminates as soon as a malfunction occurs.
Dtc p2009 tgv control circuit low bank 1
Dtc p2096 post catalyst fuel trim system too lean bank 1Removal
HVAC SYSTEM (HEATER, VENTILATOR AND A/C) > Evaporator SensorREMOVALCAUTION:Before handling the airbag system components, refer to “CAUTION” of “General Description” in “AIRBAG SYSTEM”. General Description > CAUTION">1. Using the refrigerant recovery ...
Engine oil pressure Inspection
MECHANICAL(H4DO) > Engine Oil PressureINSPECTION1. Disconnect the ground cable from battery. NOTE">2. Remove the oil pressure switch. Oil Pressure Switch > REMOVAL">3. Install the oil pressure gauge to the chain cover.4. Connect the battery ground terminal. NOTE">5. ...
Dtc c2541 vehicle dynamics control module vehicle speed sensor
POWER ASSISTED SYSTEM (POWER STEERING) (DIAGNOSTICS) > Diagnostic Procedure with Diagnostic Trouble Code (DTC)DTC C2541 VEHICLE DYNAMICS CONTROL MODULE VEHICLE SPEED SENSORTrouble symptom:The steering wheel operation feels heavy.STEPCHECKYESNO1.CHECK DTC.Read the DTC of the VDC system using the S ...