ENGINE (DIAGNOSTICS)(H4DO) > Diagnostic Procedure with Diagnostic Trouble Code (DTC)
DTC P2009 TGV CONTROL CIRCUIT LOW BANK 1
DTC DETECTING CONDITION:
Immediately at fault recognition
CAUTION:
After servicing or replacing faulty parts, perform Clear Memory Mode Clear Memory Mode > OPERATION">
, and Inspection Mode Inspection Mode > PROCEDURE">
.
WIRING DIAGRAM:
Engine electrical system Engine Electrical System">

| STEP | CHECK | YES | NO |
1.CHECK HARNESS BETWEEN ECM AND TUMBLE GENERATOR VALVE ACTUATOR RH CONNECTOR.
1) Turn the ignition switch to OFF.
2) Disconnect the connector from ECM.
3) Measure the voltage between ECM connector and chassis ground.
Connector & terminal
(B134) No. 25 (+) — Chassis ground (−):
(B134) No. 14 (+) — Chassis ground (−):
Is the voltage 5 V or more?
Repair the short circuit to power in harness between ECM connector and tumble generator valve actuator RH connector.
Replace the tumble generator valve actuator RH. Tumble Generator Valve Actuator">
1. OUTLINE OF DIAGNOSIS
Detect the open or short circuit of tumble generator valve motor.
Judge as NG when the overcurrent signal is sent from IC after tumble generator valve driving IC diagnosis.
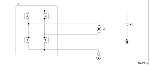
2. COMPONENT DESCRIPTION

(1) | Engine control module (ECM) | (2) | Tumble generator valve | (3) | Battery |
3. EXECUTION CONDITION
Secondary Parameters | Execution condition |
Battery voltage | ≥ 10.9 V |
TGV command | = Open or = closed |
4. GENERAL DRIVING CYCLE
Always perform the diagnosis continuously.
5. DIAGNOSTIC METHOD
If the duration of time while the following conditions are met is longer than the time indicated, judge as NG.
Malfunction Criteria | Threshold Value |
Overcurrent signal from driver IC Short circuit to GND is detected when IC current > 16 A or Short circuit to B+ is detected when IC current > 14 A | = ON |
Time Needed for Diagnosis: 1 second
Malfunction Indicator Light Illumination: Illuminates as soon as a malfunction occurs.
Dtc p2007 tgv control stuck closed bank 2
Dtc p2012 tgv control circuit low bank 2Adjustment
LIGHTING SYSTEM > Headlight AssemblyADJUSTMENT1. HEADLIGHT BEAM ADJUSTMENTCAUTION:• Turn off the light before adjusting the beam level of the light assembly - head. If it is necessary to inspect the beam level, do not keep the light on for two minutes or more.• When blocking the light ...
Diagnostic procedure with cancel code Dtc b2328 rear radar internal failure (radar misalignment)
Blind Spot Detection/Rear Cross Traffic Alert (DIAGNOSTICS) > Diagnostic Procedure with Cancel CodeDTC B2328 REAR RADAR INTERNAL FAILURE (RADAR MISALIGNMENT)DETECTING CONDITION:• Excessive impact was given to the installation area of the radar sensor, which resulted in deviation of the rada ...
Dtc u0073 control module communication bus off
TELEMATICS SYSTEM (DIAGNOSTICS) > Diagnostic Procedure with Diagnostic Trouble Code (DTC)DTC U0073 CONTROL MODULE COMMUNICATION BUS OFFDetected when CAN line abnormality is detected.NOTE:Perform the diagnosis for LAN system. Basic Diagnostic Procedure > PROCEDURE"> ...