CONTINUOUSLY VARIABLE TRANSMISSION (DIAGNOSTICS) > Diagnostic Procedure with Diagnostic Trouble Code (DTC)
DTC P0966 PRESSURE CONTROL SOLENOID "B" CONTROL CIRCUIT LOW
DTC detecting condition:
Immediately at fault recognition
Trouble symptom:
Excessive shift shock
CAUTION:
Use the check board when measuring the TCM terminal voltage and resistance.
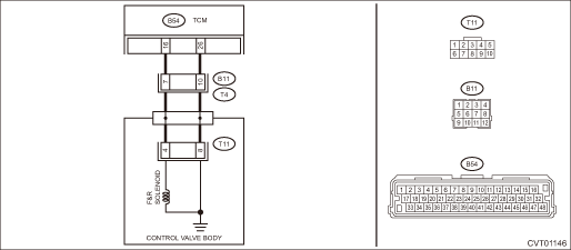
Wiring diagram:
CVT control system CVT Control System">

| STEP | CHECK | YES | NO |
1.CHECK INPUT SIGNAL FOR TCM.
1) After driving with warm up condition, park the vehicle while depressing the brake pedal at “D” range.
2) Read the data of «Commanded Forward & Reverse Linear Solenoid Current» and «Actual Forward & Reverse Linear Solenoid Current» using Subaru Select Monitor.
Does the value of «Commanded Forward & Reverse Linear Solenoid Current» and «Actual Forward & Reverse Linear Solenoid Current» almost correspond?
Check for poor contact of connector.
Diagnostic Procedure with Diagnostic Trouble Code (DTC) > DTC P0966 PRESSURE CONTROL SOLENOID "B" CONTROL CIRCUIT LOW">Go to Step 2.
2.CHECK HARNESS.
1) Turn the ignition switch to OFF.
2) Disconnect the TCM connector.
3) Disconnect the transmission connector.
4) Measure the resistance between TCM connector and chassis ground.
Connector & terminal
(B54) No. 16 — Chassis ground:
Is the resistance 1 M? or more?
Diagnostic Procedure with Diagnostic Trouble Code (DTC) > DTC P0966 PRESSURE CONTROL SOLENOID "B" CONTROL CIRCUIT LOW">Go to Step 3.
Repair the short circuit of harness.
3.CHECK F&R SOLENOID.
Measure the resistance between transmission connector and transmission body.
Connector & terminal
(T4) No. 7 — Transmission body:
Is the resistance approx. 4 — 6 ?? (when cold)
Check for poor contact of connector, and if no fault is found, replace the TCM. Transmission Control Module (TCM)">
Diagnostic Procedure with Diagnostic Trouble Code (DTC) > DTC P0966 PRESSURE CONTROL SOLENOID "B" CONTROL CIRCUIT LOW">Go to Step 4.
4.CHECK HARNESS INSIDE TRANSMISSION.
CAUTION:
Start work after ATF cools down.
1) Remove the transmission valve cover.
2) Check for the harness pinch, damage.
Is there any fault in the harness?
Replace the transmission harness.
Diagnostic Procedure with Diagnostic Trouble Code (DTC) > DTC P0966 PRESSURE CONTROL SOLENOID "B" CONTROL CIRCUIT LOW">Go to Step 5.
5.CHECK HARNESS INSIDE TRANSMISSION.
1) Disconnect the control valve body connector.
2) Measure the resistance between transmission connector and transmission body.
Connector & terminal
(T4) No. 7 — Transmission body:
Is the resistance 1 M? or more?
Replace the control valve body. Control Valve Body">
Replace the transmission harness.
1. OUTLINE OF DIAGNOSIS
• Detect the short circuit to ground in transmission forward/reverse clutch pressure solenoid circuit.
• Judge as NG when an abnormal signal is received from the solenoid driver IC of the transmission forward/reverse clutch pressure solenoid drive circuit.
2. EXECUTION CONDITION
Secondary Parameters | Execution condition |
12 V battery system voltage | ≥ 9 V |
3. DIAGNOSTIC METHOD
If the duration of time while the following conditions are met is longer than the time indicated, judge as NG.
Malfunction Criteria | Threshold Value |
Signal of malfunction from solenoid driver IC | ON |
As defined by: | |
Measured forward & reverse clutch pressure control solenoid current > 1.6 A |
Time Needed for Diagnosis: 0.02 seconds
Malfunction Indicator Light Illumination: Illuminates as soon as a malfunction occurs.
Dtc p0965 pressure control solenoid "b" control circuit range/performance
Dtc p0967 pressure control solenoid "b" control circuit highReplacement
PERIODIC MAINTENANCE SERVICES > Front & Rear Differential Gear OilREPLACEMENT1. FRONT DIFFERENTIAL (MT MODEL)Front differential gear oil of MT model lubricates the transmission and differential together. Refer to “5MT” section for replacement procedure. Transmission Gear Oil > ...
Determining compatibility of tire and vehicle load capacities
The sum of four tires' maximum
load ratings must exceed the maximum
loaded vehicle weight
("GVWR"). In addition, sum of the
maximum load ratings of two front
tires and of two rear tires must
exceed each axle's maximum
loaded capacity ("GAWR"). Original
equipment tires are designed to
fulfil ...
Dtc p0137 o2 sensor circuit low voltage bank 1 sensor 2
ENGINE (DIAGNOSTICS)(H4DO) > Diagnostic Procedure with Diagnostic Trouble Code (DTC)DTC P0137 O2 SENSOR CIRCUIT LOW VOLTAGE BANK 1 SENSOR 2DTC detecting condition:Detected when two consecutive driving cycles with fault occur.CAUTION:After servicing or replacing faulty parts, perform Clear Memory ...