ENGINE (DIAGNOSTICS)(H4DO) > Diagnostic Procedure with Diagnostic Trouble Code (DTC)
DTC P0137 O2 SENSOR CIRCUIT LOW VOLTAGE BANK 1 SENSOR 2
DTC detecting condition:
Detected when two consecutive driving cycles with fault occur.
CAUTION:
After servicing or replacing faulty parts, perform Clear Memory Mode Clear Memory Mode > OPERATION">
, and Inspection Mode Inspection Mode > PROCEDURE">
.
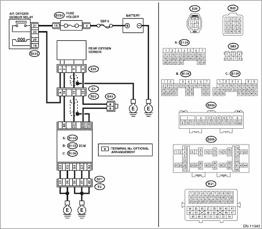
Wiring diagram:
Engine electrical system Engine Electrical System">

| STEP | CHECK | YES | NO |
1.CHECK REAR OXYGEN SENSOR DATA.
1) Warm up the engine until engine coolant temperature is higher than 75°C (167°F), and keep the engine speed at 3,000 rpm. (2 minutes maximum)
2) Read the value of «Rear O2 Sensor Voltage» using the Subaru Select Monitor or a general scan tool.
NOTE:
• Subaru Select Monitor
For detailed operation procedures, refer to “Current Data Display For Engine”. Subaru Select Monitor">
• General scan tool
For detailed operation procedures, refer to the general scan tool operation manual.
Is the value of «Rear O2 Sensor Voltage» 0.490 V or more?
Diagnostic Procedure with Diagnostic Trouble Code (DTC) > DTC P0137 O2 SENSOR CIRCUIT LOW VOLTAGE BANK 1 SENSOR 2">Go to Step 5.
Diagnostic Procedure with Diagnostic Trouble Code (DTC) > DTC P0137 O2 SENSOR CIRCUIT LOW VOLTAGE BANK 1 SENSOR 2">Go to Step 2.
2.CHECK REAR OXYGEN SENSOR CONNECTOR AND COUPLING CONNECTOR.
Has water entered the connector?
Completely remove any water inside.
Diagnostic Procedure with Diagnostic Trouble Code (DTC) > DTC P0137 O2 SENSOR CIRCUIT LOW VOLTAGE BANK 1 SENSOR 2">Go to Step 3.
3.CHECK HARNESS BETWEEN ECM AND REAR OXYGEN SENSOR CONNECTOR.
1) Turn the ignition switch to OFF.
2) Disconnect the connector from ECM.
3) Disconnect the connector from rear oxygen sensor.
4) Measure the resistance of harness between ECM connector and rear oxygen sensor connector.
Connector & terminal
(B136) No. 21 — (E25) No. 3:
(B135) No. 30 — (E25) No. 4:
Is the resistance less than 1 ??
Diagnostic Procedure with Diagnostic Trouble Code (DTC) > DTC P0137 O2 SENSOR CIRCUIT LOW VOLTAGE BANK 1 SENSOR 2">Go to Step 4.
Repair the harness and connector.
NOTE:
In this case, repair the following item:
• Open circuit in harness between ECM connector and rear oxygen sensor connector
• Poor contact of coupling connector
4.CHECK HARNESS BETWEEN ECM AND REAR OXYGEN SENSOR CONNECTOR.
1) Connect the connector to ECM.
2) Turn the ignition switch to ON.
3) Measure the voltage between rear oxygen sensor connector and chassis ground.
Connector & terminal
(E25) No. 3 (+) — Chassis ground (−):
Is the voltage 0.2 — 0.5 V?
Replace the rear oxygen sensor. Rear Oxygen Sensor">
Repair the harness and connector.
NOTE:
In this case, repair the following item:
• Open circuit in harness between ECM connector and rear oxygen sensor connector
• Poor contact of coupling connector
• Poor contact of ECM connector
5.CHECK EXHAUST SYSTEM.
Check exhaust system parts.
NOTE:
Check the following items.
• Looseness and improper fitting of exhaust system parts
• Damage (crack, hole etc.) of parts
• Loose part and improper installation between front oxygen (A/F) sensor and rear oxygen sensor
Is there any fault in exhaust system?
Repair or replace faulty parts.
Replace the rear oxygen sensor. Rear Oxygen Sensor">
1. OUTLINE OF DIAGNOSIS
Detect continuity NG of the oxygen sensor. If the oxygen sensor voltage reading is not within the probable range considering the operating conditions, judge as NG.
2. COMPONENT DESCRIPTION

(A) | Electromotive force | (B) | Air fuel ratio | (C) | Lean |
(D) | Rich | (E) | Theoretical air fuel ratio | (F) | Comparative voltage |
(1) | Atmosphere | (2) | Exhaust gas | (3) | Electromotive force |
3. EXECUTION CONDITION
Secondary parameters | Execution condition | DTC |
Low (1) | P0137 | |
Battery voltage | ≥ 10.9 V | |
Main feedback | In operation | |
Amount of intake air | ≥ 10 g/s (0.35 oz/s) | |
Low (2) | P0137 | |
Battery voltage | ≥ 10.9 V | |
Main feedback | In operation | |
Amount of intake air | < 10 g/s (0.35 oz/s) | |
High | P0138 | |
Battery voltage | ≥ 10.9 V |
4. GENERAL DRIVING CYCLE
After starting the engine, continuously perform the diagnosis with the same engine condition.
5. DIAGNOSTIC METHOD
If the duration of time while the following conditions are met is longer than the time indicated, judge as NG.
Malfunction Criteria | Threshold Value | DTC |
Low | P0137 | |
O2 SENSOR CIRCUIT LOW VOLTAGE BANK 1 SENSOR 2 | < 0.03 V | |
High | P0138 | |
O2 SENSOR CIRCUIT HIGH VOLTAGE BANK 1 SENSOR 2 | ≥ 1.2 V |
Time needed for diagnosis:
Low (1): 20000 ms
Low (2): 40000 ms
High: 2500 ms
Malfunction indicator light illumination: Illuminates when malfunction occurs in 2 continuous driving cycles.
Dtc p0134 a/f / o2 sensor circuit no activity detected bank 1 sensor 1
Dtc p0138 o2 sensor circuit high voltage bank 1 sensor 2Installation
GLASS/WINDOWS/MIRRORS > Rear Door GlassINSTALLATIONCAUTION:• Check that the running channel - rear door is securely fixed to the panel assembly - rear door and to the sash COMPL - rear partition.• Before installing the glass assembly - rear door, check the lip of the running channel - ...
Installation
SECURITY AND LOCKS > Rear Outer HandleINSTALLATION1. Before installation, check the following items.• Lever is free from deformation.• Grease is applied sufficiently to lever joints.If grease is insufficient, add it as necessary before assembling.• If the lever is faulty, replac ...
Removal
EXTERIOR/INTERIOR TRIM > Mud GuardREMOVAL1. Lift up the vehicle.2. Remove the wheels.3. Remove the screws and clips to remove the mud guard.(1)Under cover - front(2)Mud guard - front(3)Mud guard - rear ...