CONTINUOUSLY VARIABLE TRANSMISSION (DIAGNOSTICS) > Diagnostic Procedure with Diagnostic Trouble Code (DTC)
DTC P0717 INPUT/TURBINE SHAFT SPEED SENSOR "A" CIRCUIT NO SIGNAL
DTC detecting condition:
Immediately at fault recognition
Trouble symptom:
• Standing start problems
• Shock occurs when engaging the lockup clutch.
• Shock occurs when selecting shift position.
CAUTION:
Use the check board when measuring the TCM terminal voltage and resistance.
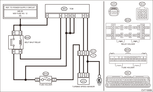
Wiring diagram:
CVT control system CVT Control System">

| STEP | CHECK | YES | NO |
1.CHECK FUSE.
1) Turn the ignition switch to OFF.
2) Remove the fuse (7.5 A) from the fuse holder.
3) Check the fuse.
Is the check result OK?
Diagnostic Procedure with Diagnostic Trouble Code (DTC) > DTC P0717 INPUT/TURBINE SHAFT SPEED SENSOR "A" CIRCUIT NO SIGNAL">Go to Step 2.
Replace the fuse. If the fuse blows out easily, repair the short circuit of harness.
2.CHECK HARNESS.
1) Disconnect the TCM connector.
2) Remove the self shut relay.
3) Measure the resistance between TCM connector and relay holder.
Connector & terminal
(B54) No. 25 — (B220) No. 16:
(B54) No. 8 — (B220) No. 15:
(B54) No. 24 — (B220) No. 15:
(B54) No. 40 — (B220) No. 15:
Is the resistance less than 1 ??
Diagnostic Procedure with Diagnostic Trouble Code (DTC) > DTC P0717 INPUT/TURBINE SHAFT SPEED SENSOR "A" CIRCUIT NO SIGNAL">Go to Step 3.
Repair the open circuit of harness.
3.CHECK HARNESS.
Measure the resistance between TCM connector and chassis ground.
Connector & terminal
(B54) No. 25 — Chassis ground:
(B54) No. 8 — Chassis ground:
(B54) No. 24 — Chassis ground:
(B54) No. 40 — Chassis ground:
Is the resistance 1 M? or more?
Diagnostic Procedure with Diagnostic Trouble Code (DTC) > DTC P0717 INPUT/TURBINE SHAFT SPEED SENSOR "A" CIRCUIT NO SIGNAL">Go to Step 4.
Repair the short circuit of harness.
4.CHECK RELAY POWER SUPPLY.
Measure the voltage between relay holder and chassis ground.
Connector & terminal
(B220) No. 14 (+) — Chassis ground (−):
(B220) No. 17 (+) — Chassis ground (−):
Is the voltage 10 V or more?
Diagnostic Procedure with Diagnostic Trouble Code (DTC) > DTC P0717 INPUT/TURBINE SHAFT SPEED SENSOR "A" CIRCUIT NO SIGNAL">Go to Step 5.
Repair the open or short circuit of harness.
5.CHECK SELF SHUT RELAY.
Measure the resistance between self shut relay terminals.
Terminals
No. 16 — No. 17:
Is the resistance 110 — 140 ??
Diagnostic Procedure with Diagnostic Trouble Code (DTC) > DTC P0717 INPUT/TURBINE SHAFT SPEED SENSOR "A" CIRCUIT NO SIGNAL">Go to Step 6.
Replace the self shut relay.
6.CHECK SELF SHUT RELAY.
Measure the resistance between self shut relay terminals.
Terminals
No. 14 — No. 15:
Is the resistance 1 M? or more?
Diagnostic Procedure with Diagnostic Trouble Code (DTC) > DTC P0717 INPUT/TURBINE SHAFT SPEED SENSOR "A" CIRCUIT NO SIGNAL">Go to Step 7.
Replace the self shut relay.
7.CHECK INPUT SIGNAL FOR TCM.
1) Connect the TCM connector.
2) Install the self shut relay.
3) Read the data of «Control module voltage» using Subaru Select Monitor.
Is the «Control module voltage» 10 V or more?
Current condition is normal. Check for poor contact in connectors or harnesses, and repair the defective part.
Diagnostic Procedure with Diagnostic Trouble Code (DTC) > DTC P0717 INPUT/TURBINE SHAFT SPEED SENSOR "A" CIRCUIT NO SIGNAL">Go to Step 8.
8.CHECK HARNESS.
1) Turn the ignition switch to OFF.
2) Disconnect the TCM connector.
3) Disconnect the transmission connector.
4) Measure the resistance between TCM connector and transmission connectors.
Connector & terminal
(B54) No. 12 — (B12) No. 9:
(B54) No. 42 — (B12) No. 7:
(B550) No. 17 — (B12) No. 6:
Is the resistance less than 1 ??
Diagnostic Procedure with Diagnostic Trouble Code (DTC) > DTC P0717 INPUT/TURBINE SHAFT SPEED SENSOR "A" CIRCUIT NO SIGNAL">Go to Step 9.
Repair the open circuit of harness.
9.CHECK HARNESS.
Measure the resistance between TCM connector and chassis ground.
Connector & terminal
(B54) No. 12 — Chassis ground:
Is the resistance 1 M? or more?
Diagnostic Procedure with Diagnostic Trouble Code (DTC) > DTC P0717 INPUT/TURBINE SHAFT SPEED SENSOR "A" CIRCUIT NO SIGNAL">Go to Step 10.
Repair the short circuit of harness.
10.CHECK HARNESS.
Measure the resistance between relay holder and fuse holder.
Connector & terminal
(B220) No. 15 — (B550) No. 6:
Is the resistance less than 1 ??
Diagnostic Procedure with Diagnostic Trouble Code (DTC) > DTC P0717 INPUT/TURBINE SHAFT SPEED SENSOR "A" CIRCUIT NO SIGNAL">Go to Step 11.
Repair the open circuit of harness.
11.CHECK TRANSMISSION HARNESS.
1) Install the fuse.
2) Connect the TCM connector.
3) Turn the ignition switch to ON.
4) Measure the voltage between transmission connector terminals.
Connector & terminal
(B12) No. 6 (+) — Chassis ground (−):
Is the voltage 10 — 13 V?
Diagnostic Procedure with Diagnostic Trouble Code (DTC) > DTC P0717 INPUT/TURBINE SHAFT SPEED SENSOR "A" CIRCUIT NO SIGNAL">Go to Step 12.
Repair the open circuit of harness or poor contact of connector.
12.CHECK INPUT SIGNAL FOR TCM.
1) Turn the ignition switch to OFF.
2) Connect the transmission connector.
3) Lift up the vehicle.
4) Start the engine.
5) Read the data of «Turbine Revolution Speed» using the Subaru Select Monitor.
Does the value of «Turbine Revolution Speed» change according to the engine speed?
Current condition is normal. Repair the poor contacts of harnesses of turbine speed sensor and transmission connector.
Diagnostic Procedure with Diagnostic Trouble Code (DTC) > DTC P0717 INPUT/TURBINE SHAFT SPEED SENSOR "A" CIRCUIT NO SIGNAL">Go to Step 13.
13.CHECK TRANSMISSION HARNESS.
1) Turn the ignition switch to OFF.
2) Disconnect the transmission connector.
3) Disconnect the turbine speed sensor connector.
4) Measure the resistance between transmission connector and turbine speed sensor connector.
Connector & terminal
(T3) No. 6 — (AT5) No. 1:
(T3) No. 7 — (AT5) No. 3:
(T3) No. 9 — (AT5) No. 2:
Is the resistance less than 1 ??
Diagnostic Procedure with Diagnostic Trouble Code (DTC) > DTC P0717 INPUT/TURBINE SHAFT SPEED SENSOR "A" CIRCUIT NO SIGNAL">Go to Step 14.
Replace the transmission harness.
14.CHECK TURBINE SPEED SENSOR HARNESS.
Measure the resistance between transmission connector and chassis ground.
Connector & terminal
(T3) No. 6 — Chassis ground:
(T3) No. 9 — Chassis ground:
Is the resistance 1 M? or more?
Diagnostic Procedure with Diagnostic Trouble Code (DTC) > DTC P0717 INPUT/TURBINE SHAFT SPEED SENSOR "A" CIRCUIT NO SIGNAL">Go to Step 15.
Repair the short circuit of harness.
15.CHECK TURBINE SPEED SENSOR.
1) Turn the ignition switch to OFF.
2) Replace the turbine speed sensor. Turbine Speed Sensor">
3) Perform the Clear Memory Mode. Clear Memory Mode">
4) Read the DTC.
Is DTC P0717 displayed?
Diagnostic Procedure with Diagnostic Trouble Code (DTC) > DTC P0717 INPUT/TURBINE SHAFT SPEED SENSOR "A" CIRCUIT NO SIGNAL">Go to Step 16.
The original turbine speed sensor is defective.
16.CHECK SELF SHUT RELAY.
1) Turn the ignition switch to OFF.
2) Replace the self shut relay.
3) Perform the Clear Memory Mode. Clear Memory Mode">
4) Read the DTC.
Is DTC P0717 displayed?
Replace the TCM. Transmission Control Module (TCM)">
The original self shut relay is defective.
1. OUTLINE OF DIAGNOSIS
• Detect the no input signal from the turbine speed sensor.
• Judge as NG if there is no input signal from the turbine speed sensor, while the primary speed sensor on the same shaft has the input signal with the forward/reverse clutch engaged.
2. EXECUTION CONDITION
Secondary parameters | Execution condition |
12 V battery system voltage | ≥ 10 V |
Engine speed | ≥ 400 rpm |
Transmission range | Drive or Reverse |
Measured primary pulley shaft speed | ≥ 500 rpm |
3. DIAGNOSTIC METHOD
If the duration of time while the following conditions are met is longer than the time indicated, judge as NG.
Malfunction Criteria | Threshold Value |
Measured turbine shaft speed | 0 rpm |
Time Needed for Diagnosis: 0.6 seconds
Malfunction Indicator Light Illumination: Illuminates as soon as a malfunction occurs.
Dtc u1433 invalid data received from eyesightDtc c0021 front right abs sensor circuit open or short
VEHICLE DYNAMICS CONTROL (VDC) (DIAGNOSTICS) > Diagnostic Procedure with Diagnostic Trouble Code (DTC)DTC C0021 FRONT RIGHT ABS SENSOR CIRCUIT OPEN OR SHORTNOTE:For the diagnostic procedure, refer to “DTC C0027 REAR LEFT ABS SENSOR CIRCUIT OPEN OR SHORT”. Diagnostic Procedure with Di ...
Dtc p2128 throttle/pedal position sensor/switch "e" circuit high
ENGINE (DIAGNOSTICS)(H4DO) > Diagnostic Procedure with Diagnostic Trouble Code (DTC)DTC P2128 THROTTLE/PEDAL POSITION SENSOR/SWITCH "E" CIRCUIT HIGHDTC detecting condition:Immediately at fault recognitionTrouble symptom:• Improper idling• Poor driving performanceCAUTION:Afte ...
Tire care - maintenance and safety practices
Check on a daily basis that the
tires are free from serious damage,
nails, and stones. At the same time,
check the tires for abnormal wear
Inspect the tire tread regularly
and replace the tires before their
tread wear indicators become visible.
When a tire's tread wear
indicator b ...