ENGINE (DIAGNOSTICS)(H4DO) > Diagnostic Procedure with Diagnostic Trouble Code (DTC)
DTC P0335 CRANKSHAFT POSITION SENSOR "A" CIRCUIT
DTC DETECTING CONDITION:
Immediately at fault recognition
TROUBLE SYMPTOM:
• Engine stall
• Failure of engine to start
CAUTION:
After servicing or replacing faulty parts, perform Clear Memory Mode Clear Memory Mode > OPERATION">
, and Inspection Mode Inspection Mode > PROCEDURE">
.
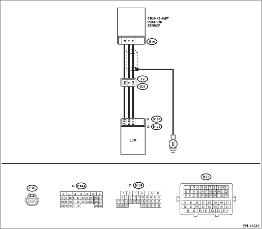
WIRING DIAGRAM:
Engine electrical system Engine Electrical System">

| STEP | CHECK | YES | NO |
1.CHECK INSTALLATION CONDITION OF CRANKSHAFT POSITION SENSOR.
Is the crankshaft position sensor installation bolt tightened securely?
Diagnostic Procedure with Diagnostic Trouble Code (DTC) > DTC P0335 CRANKSHAFT POSITION SENSOR "A" CIRCUIT">Go to Step 2.
Tighten the crankshaft position sensor installation bolt securely. Crankshaft Position Sensor > INSTALLATION">
2.CHECK CRANKSHAFT POSITION SENSOR.
1) Turn the ignition switch to OFF.
2) Remove the crankshaft position sensor.
3) Measure the resistance between terminals of crankshaft position sensor.
Terminals
No. 1 — No. 2:
Is the resistance between 1 and 4 k??
Diagnostic Procedure with Diagnostic Trouble Code (DTC) > DTC P0335 CRANKSHAFT POSITION SENSOR "A" CIRCUIT">Go to Step 3.
Replace the crankshaft position sensor. Crankshaft Position Sensor">
3.CHECK HARNESS BETWEEN ECM AND CRANKSHAFT POSITION SENSOR CONNECTOR.
1) Disconnect the connector from ECM.
2) Measure the resistance of harness between ECM connector and crankshaft position sensor connector.
Connector & terminal
(B136) No. 16 — (E10) No. 1:
(B136) No. 27 — (E10) No. 2:
Is the resistance less than 1 ??
Repair the poor contact of ECM and crankshaft position sensor connector.
Repair the harness and connector.
NOTE:
In this case, repair the following item:
• Open circuit in harness between ECM connector and crankshaft position sensor connector
• Poor contact of coupling connector
1. OUTLINE OF DIAGNOSIS
Detect the open or short circuit of the crankshaft position sensor.
Judge as NG when the crank signal is not input even though the starter was rotated.
2. COMPONENT DESCRIPTION

(A) | Camshaft signal (RH) | (B) | Camshaft signal (LH) | (C) | Crankshaft signal |

(1) | Crankshaft position sensor | (2) | Crankshaft position sensor plate | (3) | Crankshaft half-turn |
3. EXECUTION CONDITION
Secondary Parameters | Execution condition |
Battery voltage | ≥ 8 V |
4. GENERAL DRIVING CYCLE
Always perform the diagnosis continuously.
5. DIAGNOSTIC METHOD
If the duration of time while the following conditions are met is longer than the time indicated, judge as NG.
Malfunction Criteria | Threshold Value |
Crankshaft position sensor signal | Not detected |
Time Needed for Diagnosis: 3000 ms
Malfunction Indicator Light Illumination: Illuminates as soon as a malfunction occurs.
Dtc p0328 knock/combustion vibration sensor 1 circuit high bank 1 or single sensor
Dtc p0336 crankshaft position sensor "a" circuit range/performanceHarness components location Location
WIRING SYSTEM > Harness Components LocationLOCATION(1)Front wiring harness(7)Rear wiring harness RH(12)Front door cord LH(2)Engine wiring harness(8)Rear wiring harness LH(13)Transmission cord(3)Bulkhead wiring harness(9)Roof cord(14)Generator cord(4)Instrument panel wiring harness(10)Rear gate co ...
Assembly
MANUAL TRANSMISSION AND DIFFERENTIAL(5MT) > Transfer Drive GearASSEMBLY1. Set the ST against the inner race of the ball bearing, and install the transfer drive gear.CAUTION:Do not apply a load in excess of 10 kN (1 ton, 1.1 US ton, 1.0 Imp ton).NOTE:Use a new ball bearing.ST 398177700INSTALLER ...
General diagnostic table Inspection
DIFFERENTIALS > General Diagnostic TableINSPECTIONSymptom or troublePossible causeRemedy1. Oil leakage(1) Worn, scratched, or incorrectly seated front or side oil seal. Scored, battered or excessively worn sliding surface of companion flange.Repair or replace.(2) Clogged or damaged air breather c ...