ENGINE (DIAGNOSTICS)(H4DO) > Diagnostic Procedure with Diagnostic Trouble Code (DTC)
DTC P0300 RANDOM/MULTIPLE CYLINDER MISFIRE DETECTED
DTC DETECTING CONDITION:
• Detected when two consecutive driving cycles with fault occur.
• Immediately at fault recognition (A misfire which could damage catalyst occurs.)
TROUBLE SYMPTOM:
• Engine stall
• Improper idling
• Rough driving
CAUTION:
After servicing or replacing faulty parts, perform Clear Memory Mode Clear Memory Mode > OPERATION">
, and Inspection Mode Inspection Mode > PROCEDURE">
.
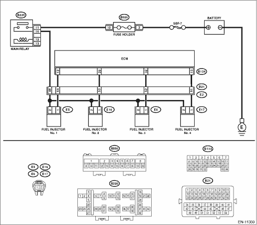
WIRING DIAGRAM:
Engine electrical system Engine Electrical System">

| STEP | CHECK | YES | NO |
1.CHECK OUTPUT SIGNAL OF ECM.
1) Turn the ignition switch to ON.
2) Measure the voltage between ECM and chassis ground on all cylinders.
Connector & terminal
#1 (B134) No. 12 (+) — Chassis ground (−):
#2 (B134) No. 22 (+) — Chassis ground (−):
#3 (B134) No. 32 (+) — Chassis ground (−):
#4 (B134) No. 13 (+) — Chassis ground (−):
Is the voltage 10 V or more?
Diagnostic Procedure with Diagnostic Trouble Code (DTC) > DTC P0300 RANDOM/MULTIPLE CYLINDER MISFIRE DETECTED">Go to Step 6.
Diagnostic Procedure with Diagnostic Trouble Code (DTC) > DTC P0300 RANDOM/MULTIPLE CYLINDER MISFIRE DETECTED">Go to Step 2.
2.CHECK HARNESS BETWEEN ECM AND FUEL INJECTOR CONNECTOR.
1) Turn the ignition switch to OFF.
2) Disconnect the connector from all fuel injectors.
3) Measure the resistance between all fuel injector connectors and engine ground.
Connector & terminal
#1 (E5) No. 1 — Engine ground:
#2 (E16) No. 1 — Engine ground:
#3 (E6) No. 1 — Engine ground:
#4 (E17) No. 1 — Engine ground:
Is the resistance 1 M? or more?
Diagnostic Procedure with Diagnostic Trouble Code (DTC) > DTC P0300 RANDOM/MULTIPLE CYLINDER MISFIRE DETECTED">Go to Step 3.
Repair the short circuit to ground in harness between ECM connector and fuel injector connector.
3.CHECK HARNESS BETWEEN ECM AND FUEL INJECTOR CONNECTOR.
Measure the resistance of harness between ECM and fuel injector on all cylinders.
Connector & terminal
#1 (B134) No. 12 — (E5) No. 1:
#2 (B134) No. 22 — (E16) No. 1:
#3 (B134) No. 32 — (E6) No. 1:
#4 (B134) No. 13 — (E17) No. 1:
Is the resistance less than 1 ??
Diagnostic Procedure with Diagnostic Trouble Code (DTC) > DTC P0300 RANDOM/MULTIPLE CYLINDER MISFIRE DETECTED">Go to Step 4.
Repair the harness and connector.
NOTE:
In this case, repair the following item:
• Open circuit in harness between ECM connector and fuel injector connector
• Poor contact of coupling connector
4.CHECK FUEL INJECTOR.
Measure the resistance between all fuel injector terminals.
Terminals
No. 1 — No. 2:
Is the resistance 5 — 20 ??
Diagnostic Procedure with Diagnostic Trouble Code (DTC) > DTC P0300 RANDOM/MULTIPLE CYLINDER MISFIRE DETECTED">Go to Step 5.
Replace the faulty fuel injector. Fuel Injector">
5.CHECK POWER SUPPLY LINE.
1) Turn the ignition switch to ON.
2) Measure the voltage between all fuel injectors and the engine ground.
Connector & terminal
#1 (E5) No. 2 (+) — Engine ground (−):
#2 (E16) No. 2 (+) — Engine ground (−):
#3 (E6) No. 2 (+) — Engine ground (−):
#4 (E17) No. 2 (+) — Engine ground (−):
Is the voltage 10 V or more?
Repair the poor contact of all connectors in fuel injector circuit.
Repair the harness and connector.
NOTE:
In this case, repair the following item:
• Open circuit in harness between the main relay connector and fuel injector connector on faulty cylinders
• Poor contact of coupling connector
• Poor contact of main relay connector
6.CHECK HARNESS BETWEEN ECM AND FUEL INJECTOR CONNECTOR.
1) Turn the ignition switch to OFF.
2) Disconnect the connector from all fuel injectors.
3) Turn the ignition switch to ON.
4) Measure the voltage between ECM and chassis ground on all cylinders.
Connector & terminal
#1 (B134) No. 12 (+) — Chassis ground (−):
#2 (B134) No. 22 (+) — Chassis ground (−):
#3 (B134) No. 32 (+) — Chassis ground (−):
#4 (B134) No. 13 (+) — Chassis ground (−):
Is the voltage 10 V or more?
Repair the short circuit to power in harness between ECM connector and fuel injector connectors.
Diagnostic Procedure with Diagnostic Trouble Code (DTC) > DTC P0300 RANDOM/MULTIPLE CYLINDER MISFIRE DETECTED">Go to Step 7.
7.CHECK FUEL INJECTOR.
1) Turn the ignition switch to OFF.
2) Measure the resistance between all fuel injector terminals.
Terminals
No. 1 — No. 2:
Is the resistance 5 — 20 ??
Diagnostic Procedure with Diagnostic Trouble Code (DTC) > DTC P0300 RANDOM/MULTIPLE CYLINDER MISFIRE DETECTED">Go to Step 8.
Replace the faulty fuel injector. Fuel Injector">
8.CHECK INSTALLATION CONDITION OF CAMSHAFT POSITION SENSOR/CRANKSHAFT POSITION SENSOR.
Is the camshaft position sensor or crankshaft position sensor loosely installed?
Tighten the camshaft position sensor or crankshaft position sensor. Camshaft Position Sensor > INSTALLATION">
Crankshaft Position Sensor > INSTALLATION">
Diagnostic Procedure with Diagnostic Trouble Code (DTC) > DTC P0300 RANDOM/MULTIPLE CYLINDER MISFIRE DETECTED">Go to Step 9.
9.CHECK CRANKSHAFT POSITION SENSOR PLATE.
Is the crankshaft position sensor plate rusted or does it have broken teeth?
Replace the crankshaft position sensor plate. Cylinder Block">
Diagnostic Procedure with Diagnostic Trouble Code (DTC) > DTC P0300 RANDOM/MULTIPLE CYLINDER MISFIRE DETECTED">Go to Step 10.
10.CHECK INSTALLATION CONDITION OF TIMING CHAIN.
Turn the crankshaft using ST, and align the alignment mark on crank sprocket with alignment mark on cylinder block.
Is the timing chain dislocated from its proper position?
Correct the installation condition of timing chain. Timing Chain Assembly">
Diagnostic Procedure with Diagnostic Trouble Code (DTC) > DTC P0300 RANDOM/MULTIPLE CYLINDER MISFIRE DETECTED">Go to Step 11.
11.CHECK FUEL LEVEL.
Is the fuel meter indication higher than the “Lower” level?
Diagnostic Procedure with Diagnostic Trouble Code (DTC) > DTC P0300 RANDOM/MULTIPLE CYLINDER MISFIRE DETECTED">Go to Step 12.
Refill the fuel so that the fuel meter indication is higher than the “Lower” level, and proceed to the next step. Diagnostic Procedure with Diagnostic Trouble Code (DTC) > DTC P0300 RANDOM/MULTIPLE CYLINDER MISFIRE DETECTED">Go to Step 12.
12.CHECK STATUS OF MALFUNCTION INDICATOR LIGHT.
1) Clear the memory using the Subaru Select Monitor or general scan tool. Clear Memory Mode">
2) Start the engine, and drive the vehicle 10 minutes or more.
Does the malfunction indicator light illuminate or blink?
Diagnostic Procedure with Diagnostic Trouble Code (DTC) > DTC P0300 RANDOM/MULTIPLE CYLINDER MISFIRE DETECTED">Go to Step 14.
Diagnostic Procedure with Diagnostic Trouble Code (DTC) > DTC P0300 RANDOM/MULTIPLE CYLINDER MISFIRE DETECTED">Go to Step 13.
13.CHECK CAUSE OF MISFIRE.
Was the cause of misfire identified when the engine is running?
Finish diagnostics operation, if the engine has no abnormality.
Repair the poor contact of connector.
NOTE:
In this case, repair the following item:
• Poor contact of ignition coil connector
• Poor contact of fuel injector connector on faulty cylinders
• Poor contact of ECM connector
• Poor contact of coupling connector
14.CHECK AIR INTAKE SYSTEM.
Is there any fault in air intake system?
Repair the air intake system.
NOTE:
Check the following items.
• Are there air leaks or air suction caused by loose or dislocated nuts and bolts?
• Are there cracks or any disconnection of hoses?
Diagnostic Procedure with Diagnostic Trouble Code (DTC) > DTC P0300 RANDOM/MULTIPLE CYLINDER MISFIRE DETECTED">Go to Step 15.
15.CHECK ALL CYLINDERS.
Is there a fault in any cylinder?
Repair or replace the faulty part of the faulty cylinder.
NOTE:
Check the following items.
• Spark plug
• Ignition coil
• Fuel injector
• Compression
• Skipping timing chain teeth
Go to DTC P0171. Diagnostic Procedure with Diagnostic Trouble Code (DTC) > DTC P0171 SYSTEM TOO LEAN BANK 1">
1. OUTLINE OF DIAGNOSIS
NOTE:
For the detection standard, refer to DTC P0301. Diagnostic Procedure with Diagnostic Trouble Code (DTC) > DTC P0301 CYLINDER 1 MISFIRE DETECTED">
Dtc p0223 throttle/pedal position sensor/switch "b" circuit high
Dtc p0302 cylinder 2 misfire detectedDtc b2a08 sos button circuit
TELEMATICS SYSTEM (DIAGNOSTICS) > Diagnostic Procedure with Diagnostic Trouble Code (DTC)DTC B2A08 SOS BUTTON CIRCUITDiagnosis start condition:When ignition switch is ON.DTC detecting condition:The following conditions occur for at least 50 ms.• SOS button impedance is more than 10 k?.&bull ...
Dtc c0056 g sensor abnormal
VEHICLE DYNAMICS CONTROL (VDC) (DIAGNOSTICS) > Diagnostic Procedure with Diagnostic Trouble Code (DTC)DTC C0056 G SENSOR ABNORMALDTC DETECTING CONDITION:Longitudinal G sensor signal failureTROUBLE SYMPTOM:• ABS does not operate.• VDC does not operate.• EyeSight does not operate. ...
Diagnostic procedure for subaru select monitor communication Communication for initializing impossible
ENGINE (DIAGNOSTICS)(H4DO) > Diagnostic Procedure for Subaru Select Monitor CommunicationCOMMUNICATION FOR INITIALIZING IMPOSSIBLEDIAGNOSIS:Open or short circuit in data link connectorTROUBLE SYMPTOM:Subaru Select Monitor communication failureWIRING DIAGRAM:Engine electrical system Engine Electr ...