VEHICLE DYNAMICS CONTROL (VDC) (DIAGNOSTICS) > Diagnostic Procedure with Diagnostic Trouble Code (DTC)
DTC C1562 REVERSE ON FAULT
DTC detecting condition:
Abnormal reverse signal
Trouble symptom:
Hill start assist does not operate.
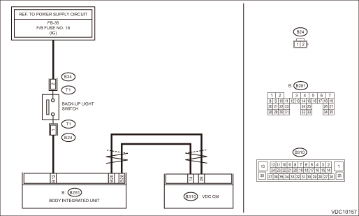
Wiring diagram:
Back-up light system Back-up Light System">
CAN communication system CAN Communication System">

| STEP | CHECK | YES | NO |
1.CHECK LAN SYSTEM.
Perform the diagnosis for LAN system. Basic Diagnostic Procedure">
Is there any fault in LAN system?
Perform the diagnosis according to DTC for LAN system. List of Diagnostic Trouble Code (DTC)">
Diagnostic Procedure with Diagnostic Trouble Code (DTC) > DTC C1562 REVERSE ON FAULT">Go to Step 2.
2.CHECK REVERSE SIGNAL USING SUBARU SELECT MONITOR.
1) Using the Subaru Select Monitor, select “Data monitor”. Subaru Select Monitor > OPERATION">
2) Read the «Reverse Signal» displayed on display.
Is “OFF” displayed when the shift lever is placed in any position other than reverse, and is “ON” displayed in reverse position?
Diagnostic Procedure with Diagnostic Trouble Code (DTC) > DTC C1562 REVERSE ON FAULT">Go to Step 5.
Diagnostic Procedure with Diagnostic Trouble Code (DTC) > DTC C1562 REVERSE ON FAULT">Go to Step 3.
3.CHECK BACK-UP LIGHT ILLUMINATION.
1) Turn the ignition switch to ON.
2) Place the shift lever in reverse position.
Does the back-up light illuminate?
Diagnostic Procedure with Diagnostic Trouble Code (DTC) > DTC C1562 REVERSE ON FAULT">Go to Step 4.
Repair the back-up light circuit.
4.CHECK HARNESS BETWEEN BODY INTEGRATED UNIT AND BACK-UP LIGHT SWITCH (CHECK FOR OPEN CIRCUIT).
1) Turn the ignition switch to OFF.
2) Disconnect the connectors from body integrated unit and back-up light switch.
3) Measure the resistance of harness between body integrated unit and back-up light switch connector.
Connector & terminal
(B281) No. 12 — (B24) No. 1:
Is the resistance less than 1 ??
Replace the back-up light switch. Switches and Harness">
Repair the harness between body integrated unit and back-up light switch connector.
5.CHECK VDCCM&H/U.
1) Connect all connectors.
2) Perform the Clear Memory Mode. Clear Memory Mode">
3) Perform the Inspection Mode. Inspection Mode">
4) Read the DTC. Read Diagnostic Trouble Code (DTC)">
Is the same DTC displayed?
Replace the VDCCM only. VDC Control Module and Hydraulic Control Unit (VDCCM&H/U) > REPLACEMENT">
Diagnostic Procedure with Diagnostic Trouble Code (DTC) > DTC C1562 REVERSE ON FAULT">Go to Step 6.
6.CHECK DETECTION OF OTHER DTCS FOR VDC.
Read Diagnostic Trouble Code (DTC)">
Is any other DTC displayed?
Perform the diagnosis according to DTC. List of Diagnostic Trouble Code (DTC)">
Currently, it is normal. There may have been a temporary poor contact in the harness and connector or a temporary noise interference.
Dtc c1421 ecm control system
Dtc c1561 reverse off faultDtc b1642 side satellite sensor bus rh lost communication
AIRBAG SYSTEM (DIAGNOSTICS) > Diagnostic Chart with Trouble CodeDTC B1642 SIDE SATELLITE SENSOR BUS RH LOST COMMUNICATIONDiagnosis start condition:Ignition voltage is 10 V to 16 V.DTC detecting condition:• Open or short circuit in harness of side sensor bus (RH)• Side airbag sensor (R ...
General diagnostic table Inspection
VEHICLE DYNAMICS CONTROL (VDC) (DIAGNOSTICS) > General Diagnostic TableINSPECTIONSymptomsMain probable causeOther probable causePoor brake performanceLong braking/stopping distance• VDCCM&H/U• Brake pad• Aeration to brake line• Tire specifications, tire wear and air pr ...
Diagnostic procedure without diagnostic trouble code (dtc) Check shift indicator
CONTINUOUSLY VARIABLE TRANSMISSION (DIAGNOSTICS) > Diagnostic Procedure without Diagnostic Trouble Code (DTC)CHECK SHIFT INDICATORDiagnosis:• CAN communication is abnormal with the combination meter.• Combination meter malfunctionTrouble symptom:• Shift indicator does not displa ...