VEHICLE DYNAMICS CONTROL (VDC) (DIAGNOSTICS) > Diagnostic Procedure with Diagnostic Trouble Code (DTC)
DTC C0071 NO SIGNAL FROM STEERING ANGLE SENSOR
DTC detecting condition:
Communication from steering angle sensor is faulty.
Trouble symptom:
• VDC does not operate.
• EyeSight does not operate.
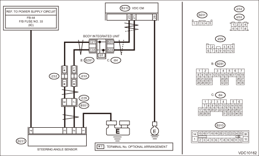
Wiring diagram:
Vehicle dynamics control system Vehicle Dynamics Control System > WIRING DIAGRAM">

| STEP | CHECK | YES | NO |
1.CHECK POWER SUPPLY FOR STEERING ANGLE SENSOR.
1) Turn the ignition switch to OFF.
2) Disconnect the connector from steering angle sensor.
3) Turn the ignition switch to ON.
4) Measure the voltage between steering angle sensor and chassis ground.
Connector & terminal
(B231) No. 4 (+) — Chassis ground (−):
Is the voltage 10 — 15 V?
Diagnostic Procedure with Diagnostic Trouble Code (DTC) > DTC C0071 NO SIGNAL FROM STEERING ANGLE SENSOR">Go to Step 2.
Repair the steering angle sensor power supply circuit.
2.CHECK GROUND CIRCUIT OF STEERING ANGLE SENSOR (CHECK FOR OPEN CIRCUIT).
Measure the resistance between steering angle sensor and chassis ground.
Connector & terminal
(B231) No. 1 — Chassis ground:
Is the resistance less than 10 ??
Diagnostic Procedure with Diagnostic Trouble Code (DTC) > DTC C0071 NO SIGNAL FROM STEERING ANGLE SENSOR">Go to Step 3.
Repair ground circuit in the steering angle sensor.
3.CHECK VDCCM&H/U.
1) Turn the ignition switch to OFF.
2) Connect all connectors.
3) Perform the Clear Memory Mode. Clear Memory Mode">
4) Perform the Inspection Mode. Inspection Mode">
5) Read the DTC. Read Diagnostic Trouble Code (DTC)">
Is the same DTC displayed?
Diagnostic Procedure with Diagnostic Trouble Code (DTC) > DTC C0071 NO SIGNAL FROM STEERING ANGLE SENSOR">Go to Step 4.
Diagnostic Procedure with Diagnostic Trouble Code (DTC) > DTC C0071 NO SIGNAL FROM STEERING ANGLE SENSOR">Go to Step 5.
4.CHECK VDCCM&H/U.
1) Turn the ignition switch to OFF.
2) Replace the steering angle sensor. Steering Angle Sensor">
3) Perform the Clear Memory Mode. Clear Memory Mode">
4) Perform the Inspection Mode. Inspection Mode">
5) Read the DTC. Read Diagnostic Trouble Code (DTC)">
Is the same DTC displayed?
Replace the VDCCM&H/U. VDC Control Module and Hydraulic Control Unit (VDCCM&H/U)">
Diagnostic Procedure with Diagnostic Trouble Code (DTC) > DTC C0071 NO SIGNAL FROM STEERING ANGLE SENSOR">Go to Step 6.
5.CHECK DETECTION OF OTHER DTCS FOR VDC.
Read Diagnostic Trouble Code (DTC)">
Is any other DTC displayed?
Perform the diagnosis according to DTC. List of Diagnostic Trouble Code (DTC)">
Currently, it is normal. There may have been a temporary poor contact in the harness and connector or a temporary noise interference.
6.CHECK DETECTION OF OTHER DTCS FOR VDC.
Read Diagnostic Trouble Code (DTC)">
Is any other DTC displayed?
Perform the diagnosis according to DTC. List of Diagnostic Trouble Code (DTC)">
Original steering angle sensor malfunction
Dtc c0057 vdc interrupted due to egi reason
Dtc c0074 master cylinder pressure sensor outputDtc b2782 steering lock drive request signal correlation
KEYLESS ACCESS WITH PUSH BUTTON START SYSTEM (DIAGNOSTICS) > Diagnostic Procedure with Diagnostic Trouble Code (DTC)DTC B2782 STEERING LOCK DRIVE REQUEST SIGNAL CORRELATIONDTC detecting condition:When the open or short circuit in the steering lock motor power supply circuit is detected.Trouble sy ...
Coolant temperature low indicator light/Coolant temperature high warning
light
CAUTION
After turning the ignition switch
to the "ON" position, if this
indicator light/warning light behaves
in any of the following
ways, the electrical system may
be malfunctioning. Contact your
SUBARU dealer immediately for
an inspection.
It remains blinking in RED.
It remains il ...
Installation
CLUTCH SYSTEM > FlywheelINSTALLATION1. Press in a new pilot bearing to the position where it is flush with the flywheel surface or up to 0.4 mm (0.016 in) deeper than that.CAUTION:Do not press the bearing inner ring.(A)Pilot bearing2. Temporarily tighten the crankshaft position sensor plate and f ...