TELEMATICS SYSTEM (DIAGNOSTICS) > Diagnostic Procedure with Diagnostic Trouble Code (DTC)
DTC B2A0A RED LED CIRCUIT
Diagnosis start condition:
When ACC is ON.
DTC detecting condition:
• Current in LED is less than 1 mA. (Improper LED connection, etc.)
• Current is more than 200 mA for at least 50 ms. (Short-circuited LED, etc.)
Trouble symptom:
LED does not illuminate.
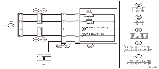
Wiring diagram:
NOTE:
For the coupling connector, refer to “WIRING SYSTEM”.
Telematics Telematics System > WIRING DIAGRAM">

CAUTION:
CommCheck is required after replacing the DCM. Telematics System > OPERATION">
| STEP | CHECK | YES | NO |
1.CHECK DTC.
Read the DTC. Diagnostic Code(s) Display">
Is DTC B2A0A displayed? (Current malfunction)
Diagnostic Procedure with Diagnostic Trouble Code (DTC) > DTC B2A0A RED LED CIRCUIT">Go to Step 2.
Even if DTC is displayed, the circuit has returned to a normal condition at this time. Reproduce the failure, and then perform the diagnosis again.
In this case, temporary poor contact of connector, temporary open or short circuit of harness may be the cause.
2.PERFORM THE SYSTEM OPERATION CHECK.
Perform [RED LED Lighting] in the system operation check mode. System Operation Check Mode">
Does the RED LED illuminate?
Even if DTC is displayed, the circuit has returned to a normal condition at this time. Reproduce the failure, and then perform the diagnosis again.
In this case, temporary poor contact of connector, temporary open or short circuit of harness may be the cause.
Diagnostic Procedure with Diagnostic Trouble Code (DTC) > DTC B2A0A RED LED CIRCUIT">Go to Step 3.
3.CHECK HARNESS (OPEN CIRCUIT).
1) Turn the ignition switch to OFF.
2) Disconnect the telematics button connector.
3) Disconnect the DCM connector.
4) Measure the resistance between telematics button connector and DCM connector.
Connector & terminal
(i270) No. 13 — (AD2) No. 7:
(AD2) No. 1 — Chassis ground:
Is the resistance 1 ? or less?
Diagnostic Procedure with Diagnostic Trouble Code (DTC) > DTC B2A0A RED LED CIRCUIT">Go to Step 4.
Repair or replace the open circuit of harness.
4.CHECK HARNESS (GROUND SHORT CIRCUIT).
Measure the resistance between DCM connector and chassis ground.
Connector & terminal
(i270) No. 13 — Chassis ground:
Is the resistance 1 M? or more?
Diagnostic Procedure with Diagnostic Trouble Code (DTC) > DTC B2A0A RED LED CIRCUIT">Go to Step 5.
Repair or replace the short circuit of the harness.
5.CHECK THE CONNECTOR (SHORT CIRCUIT TO POWER SUPPLY).
Measure the voltage between DCM connector and chassis ground.
Connector & terminal
(i270) No. 13 (+) — Chassis ground (−):
(AD2) No. 1 (+) — Chassis ground (−):
Is the voltage less than 1 V?
Diagnostic Procedure with Diagnostic Trouble Code (DTC) > DTC B2A0A RED LED CIRCUIT">Go to Step 6.
Repair or replace the short circuit of the harness.
6.CHECK THE TELEMATICS BUTTON (LED) UNIT.
Measure the resistance of the telematics button (LED) unit.
Terminals
No. 7 — No. 1:
Is there continuity?
Replace the DCM. Data Communication Module">
Replace the telematics button. Switches and Harness">
Dtc b2a09 i-call button circuit
Dtc b2a0b green led circuitDtc c2324 transmitter 4 function code abnormal
TIRE PRESSURE MONITORING SYSTEM (DIAGNOSTICS) > Diagnostic Procedure with Diagnostic Trouble Code (DTC)DTC C2324 TRANSMITTER 4 FUNCTION CODE ABNORMALDetected when error data is received from each transmitter at a vehicle speed of 40 km/h (25 MPH) or more.DTC DETECTING CONDITION:Unexpected functio ...
Diagnostics chart for security indicator light Inspection
IMMOBILIZER (DIAGNOSTICS) > Diagnostics Chart for Security Indicator LightINSPECTION1. CHECK SECURITY INDICATOR LIGHT CIRCUITCAUTION:When the body integrated unit is replaced, registration of the immobilizer system is required. For details, refer to the “REGISTRATION MANUAL FOR IMMOBILIZER& ...
Dtc b1578 meter
IMMOBILIZER (DIAGNOSTICS) > Diagnostic Procedure with Diagnostic Trouble Code (DTC)DTC B1578 METERDTC DETECTING CONDITION:• Except for C5 modelReference code incompatibility between combination meter and body integrated unit or communication failure between body integrated unit and ECM&bull ...