TELEMATICS SYSTEM (DIAGNOSTICS) > Diagnostic Procedure with Diagnostic Trouble Code (DTC)
DTC B2A08 SOS BUTTON CIRCUIT
Diagnosis start condition:
When ignition switch is ON.
DTC detecting condition:
The following conditions occur for at least 50 ms.
• SOS button impedance is more than 10 k?.
• SOS button is stuck for at least 60 seconds.
Trouble symptom:
• SOS function cannot be used.
• RED LED illuminates.
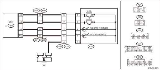
Wiring diagram:
NOTE:
For the coupling connector, refer to “WIRING SYSTEM”.
Telematics Telematics System > WIRING DIAGRAM">

CAUTION:
CommCheck is required after replacing the DCM. Telematics System > OPERATION">
| STEP | CHECK | YES | NO |
1.CHECK DTC.
Read the DTC. Diagnostic Code(s) Display">
Is DTC B2A08 displayed? (Current malfunction)
Diagnostic Procedure with Diagnostic Trouble Code (DTC) > DTC B2A08 SOS BUTTON CIRCUIT">Go to Step 2.
Even if DTC is displayed, the circuit has returned to a normal condition at this time. Reproduce the failure, and then perform the diagnosis again.
In this case, temporary poor contact of connector, temporary open or short circuit of harness may be the cause.
2.CHECK HARNESS (OPEN CIRCUIT).
1) Turn the ignition switch to OFF.
2) Disconnect the telematics button connector.
3) Disconnect the DCM connector.
4) Measure the resistance between telematics button connector and DCM connector.
Connector & terminal
(i270) No. 5 — (AD2) No. 6:
(AD2) No. 1 — Chassis ground:
Is the resistance 1 ? or less?
Diagnostic Procedure with Diagnostic Trouble Code (DTC) > DTC B2A08 SOS BUTTON CIRCUIT">Go to Step 3.
Repair or replace the open circuit of harness.
3.CHECK HARNESS (GROUND SHORT CIRCUIT).
Measure the resistance between DCM connector and chassis ground.
Connector & terminal
(i270) No. 5 — Chassis ground:
Is the resistance 1 M? or more?
Diagnostic Procedure with Diagnostic Trouble Code (DTC) > DTC B2A08 SOS BUTTON CIRCUIT">Go to Step 4.
Repair or replace the short circuit of the harness.
4.CHECK THE CONNECTOR (SHORT CIRCUIT TO POWER SUPPLY).
Measure the voltage between DCM connector and chassis ground.
Connector & terminal
(i270) No. 5 (+) — Chassis ground (−):
(AD2) No. 1 (+) — Chassis ground (−):
Is the voltage less than 1 V?
Diagnostic Procedure with Diagnostic Trouble Code (DTC) > DTC B2A08 SOS BUTTON CIRCUIT">Go to Step 5.
Repair or replace the short circuit of the harness.
5.CHECK THE SOS BUTTON UNIT.
Measure the resistance of the SOS button unit.
Terminals
No. 6 — No. 1:
Is the resistance 1 ? or less when SOS button is ON, and 1.6 (±5%) k? or more when SOS button is OFF?
Replace the DCM. Data Communication Module">
Replace the telematics button. Switches and Harness">
Dtc b2a06 right speaker/audio circuit
Dtc b2a09 i-call button circuitTachometer
The tachometer shows the engine speed
in thousands of revolutions per minute.
CAUTION
Do not operate the engine with the
pointer of the tachometer in the red
zone. In this range, fuel injection will
be cut by the engine control module
to protect the engine from overrevving.
The engine will ...
Dtc p0300 random/multiple cylinder misfire detected
ENGINE (DIAGNOSTICS)(H4DO) > Diagnostic Procedure with Diagnostic Trouble Code (DTC)DTC P0300 RANDOM/MULTIPLE CYLINDER MISFIRE DETECTEDDTC DETECTING CONDITION:• Detected when two consecutive driving cycles with fault occur.• Immediately at fault recognition (A misfire which could dama ...
Harness components location Location
WIRING SYSTEM > Harness Components LocationLOCATION(1)Front wiring harness(7)Rear wiring harness RH(12)Front door cord LH(2)Engine wiring harness(8)Rear wiring harness LH(13)Transmission cord(3)Bulkhead wiring harness(9)Roof cord(14)Generator cord(4)Instrument panel wiring harness(10)Rear gate co ...