WIRING SYSTEM > Interior Light System
WIRING DIAGRAM
1. WITHOUT EyeSight



2. WITH EyeSight



Instrument panel wiring harness Location
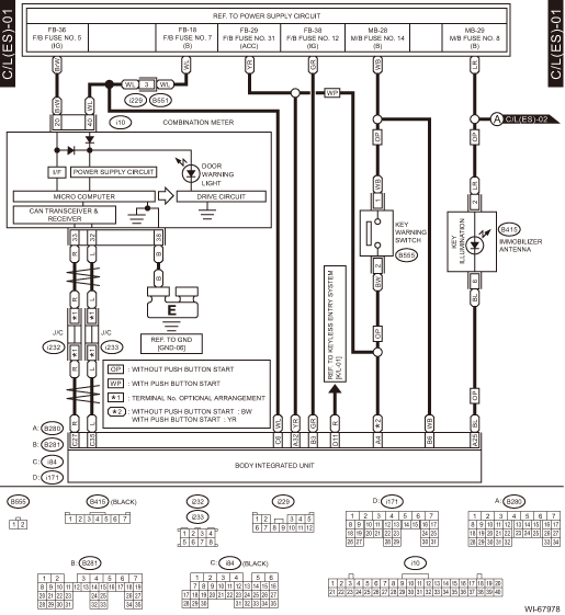
Keyless access system Wiring diagramDtc c0075 wheel cylinder pressure sensor output
VEHICLE DYNAMICS CONTROL (VDC) (DIAGNOSTICS) > Diagnostic Procedure with Diagnostic Trouble Code (DTC)DTC C0075 WHEEL CYLINDER PRESSURE SENSOR OUTPUTDTC detecting condition:Defective pressure sensorTrouble symptom:EyeSight does not operate.STEPCHECKYESNO1.CHECK STOP LIGHT SWITCH CIRCUIT.Check sto ...
Dtc b2327 rear radar internal failure (internal electric circuit)
Blind Spot Detection/Rear Cross Traffic Alert (DIAGNOSTICS) > Diagnostic Procedure with Diagnostic Trouble Code (DTC)DTC B2327 REAR RADAR INTERNAL FAILURE (INTERNAL ELECTRIC CIRCUIT)DTC DETECTING CONDITION:Defective radar sensorTROUBLE SYMPTOM:• All functions of BSD/RCTA stop.• Fail i ...
Dtc p0303 cylinder 3 misfire detected
ENGINE (DIAGNOSTICS)(H4DO) > Diagnostic Procedure with Diagnostic Trouble Code (DTC)DTC P0303 CYLINDER 3 MISFIRE DETECTEDNOTE:For the diagnostic procedure, refer to DTC P0304. Diagnostic Procedure with Diagnostic Trouble Code (DTC) > DTC P0304 CYLINDER 4 MISFIRE DETECTED">1. OUTLINE O ...