ENTERTAINMENT > Audio System
INSPECTION
1. BASIC INSPECTION
Model with 6.2 inch display
1. Using the Check List for Interview, ask the customer the condition of how the trouble occurred. Check List for Interview > CHECK">
2. Check the battery. Battery > INSPECTION">
3. Check the list of Diagnostics with Phenomenon, and perform diagnosis according to the procedures. Diagnostics with Phenomenon > LIST">
Model with 7 inch display
Refer to “BASIC INSPECTION” in “Navigation System”. Navigation System > INSPECTION">
2. SYSTEM BLOCK DIAGRAM
Model with 6.2 inch display

Model with 7 inch display
Refer to “System Block Diagram” in “Navigation System”. Navigation System > INSPECTION">
3. MODULE I/O SIGNAL
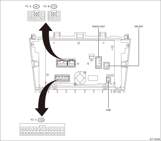
Model with 6.2 inch display

• Power supply and speaker output terminal
Terminal No. | Content | Measuring condition | Measurement value | Note |
(i85) No. 1 | FRONT-RH (+) | — | — | — |
(i85) No. 2 | FRONT-LH (+) | — | — | — |
(i85) No. 3 ←> Chassis ground | ACC | ACC ON | 11 — 15 V | — |
(i85) No. 4 ←> Chassis ground | +B | Always | 11 — 15 V | — |
(i85) No. 5 | FRONT-RH (−) | — | — | — |
(i85) No. 6 | FRONT-LH (−) | — | — | — |
(i85) No. 7 ←> Chassis ground | GND | Always | 0 V | — |
(i85) No. 8 | ANTENNA-ON | — | — | — |
(i85) No. 9 | N.C. | — | — | — |
(i85) No. 10 | ILLUMI (+) | — | — | — |
(i131) No. 1 | REAR-RH (+) | — | — | — |
(i131) No. 2 | REAR-LH (+) | — | — | — |
(i131) No. 3 | REAR-RH (−) | — | — | — |
(i131) No. 4 | N.C. | — | — | — |
(i131) No. 5 | ILLUMI (−) | — | — | — |
(i131) No. 6 | REAR-LH (−) | — | — | — |
• Steering switch and AUX input terminal for microphone etc.
Terminal No. | Content | Measuring condition | Measurement value | Note |
(i192) No. 1 | N.C. | — | — | — |
(i192) No. 2 | REV | — | — | — |
(i192) No. 3 | BRIGHT | — | — | — |
(i192) No. 4 | MAC+B | — | — | — |
(i192) No. 5 | MIC (+) | — | — | — |
(i192) No. 6 | MIC-DET | — | — | — |
(i192) No. 7 | N.C. | — | — | — |
(i192) No. 8 | N.C. | — | — | — |
(i192) No. 9 | N.C. | — | — | — |
(i192) No. 10 | N.C. | — | — | — |
(i192) No. 11 | CAM + 6V | — | — | — |
(i192) No. 12 | CV (+) | — | — | — |
(i192) No. 13 | CV (−) (SHIELD) | — | — | — |
(i192) No. 14 | SHIELD-GND (AUX) | — | — | — |
(i192) No. 15 ←> Chassis ground | PKB | At parking ON | 1 V or less | — |
(i192) No. 16 | N.C. | — | — | — |
(i192) No. 17 ←> Chassis ground | SPD | When the tire is rotating | Pulse signal | — |
(i192) No. 18 | SHIELD-GND (MIC) | — | — | — |
(i192) No. 19 | MIC (−) | — | — | — |
(i192) No. 20 | GND (CAMERA) | — | — | — |
(i192) No. 21 | SW1 (+) | — | — | — |
(i192) No. 22 | SW2 (+) | — | — | — |
(i192) No. 23 | SW-GND | — | — | — |
(i192) No. 24 | N.C. | — | — | — |
(i192) No. 25 | AUX-ON | — | — | — |
(i192) No. 26 | AUX-R (+) | — | — | — |
(i192) No. 27 | AUX-LR (−) | — | — | — |
(i192) No. 28 | AUX-L (+) | — | — | — |
Model with 7 inch display
Refer to “Control Module I/O Signal” in “Navigation System”. Navigation System > INSPECTION">
Audio system
Wiring diagramDtc u0423 invalid data received from instrument panel cluster control module
ENGINE (DIAGNOSTICS)(H4DO) > Diagnostic Procedure with Diagnostic Trouble Code (DTC)DTC U0423 INVALID DATA RECEIVED FROM INSTRUMENT PANEL CLUSTER CONTROL MODULENOTE:For the diagnostic procedure, refer to LAN section. Basic Diagnostic Procedure">1. OUTLINE OF DIAGNOSISDetect malfunction o ...
Access key
Access key (main)
Access key (sub)
Key number plate
The vehicle has two access keys and a
key number plate. For details about the
key number plate, refer to "Key number
plate" 2-3.
A mechanical key is attached to each
access key. The mechanical key is used
for the following opera ...
Read diagnostic trouble code (dtc) Operation
INSTRUMENTATION/DRIVER INFO (DIAGNOSTICS) > Read Diagnostic Trouble Code (DTC)OPERATION1. COMBINATION METER1. On «Start» display, select «Diagnosis».2. On «Vehicle selection» display, input the target vehicle information and select «Confirmed».3. On «Main Menu» display, select «Each Sy ...