COMMUNICATION SYSTEM > Horn Switch
INSPECTION
1. CHECK HORN SWITCH
CAUTION:
Before handling the airbag system components, refer to “CAUTION” of “General Description” in “AIRBAG SYSTEM”. General Description > CAUTION">
1. Turn the ignition switch to OFF.
2. Disconnect the ground cable from battery and wait for at least 60 seconds before starting work. NOTE">
3. Remove the driver’s airbag module. Driver’s Airbag Module > REMOVAL">
4. Check that the connection of the horn switch harness connector is correct.
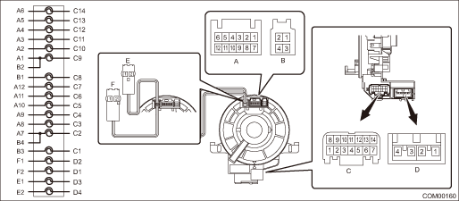
5. Disconnect the horn switch harness connector and check the resistance between the harness connectors.
Preparation tool:
Circuit tester

(a) | Ground terminal | (b) | Horn switch terminal |
Terminal No. | Inspection conditions | Standard |
Horn switch terminal — ground terminal | Always | Less than 1 ? |
6. Replace the driver’s airbag module if the inspection result is not within the standard value.
2. CHECK ROLL CONNECTOR
CAUTION:
• Before handling the airbag system components, refer to “CAUTION” of “General Description” in “AIRBAG SYSTEM”. General Description > CAUTION">
• If the steering wheel and steering angle sensor (steering roll connector) are removed, be sure to perform the following operations.
– Align the center position of the steering roll connector.
– Perform the neutral position setting of the steering angle sensor.
1. Turn the ignition switch to OFF.
2. Disconnect the ground cable from battery and wait for at least 60 seconds before starting work. NOTE">
3. Remove the roll connector. Roll Connector > REMOVAL">
4. Check the resistance between roll connector terminals.
Preparation tool:
Circuit tester

Terminal No. | Inspection conditions | Standard |
A1 — C9 | Always | Less than 1 ? |
5. Replace the roll connector if the inspection result is not within the standard value.
Horn switch
NoteDtc u0126 lost communication with steering angle sensor module
LAN SYSTEM (DIAGNOSTICS) > Diagnostic Procedure with Diagnostic Trouble Code (DTC)DTC U0126 LOST COMMUNICATION WITH STEERING ANGLE SENSOR MODULEDTC DETECTING CONDITION:No data is received from steering angle sensor.TROUBLE SYMPTOM:VDC CM does not operate normally.STEPCHECKYESNO1.CHECK PERFORMING ...
Dtc b1435 evaporator temperature sensor circuit short-circuit
HVAC SYSTEM (AUTO A/C) (DIAGNOSTICS) > Diagnostic Procedure with Diagnostic Trouble Code (DTC)DTC B1435 EVAPORATOR TEMPERATURE SENSOR CIRCUIT SHORT-CIRCUITDTC detecting condition:Evaporator sensor circuit is shorted.Trouble symptom:Evaporator temperature is falsely recognized as high, and the com ...
System features
In the event of wheelspin and/or skidding
on a slippery road surface and/or during
cornering and/or an evasive maneuver,
the Vehicle Dynamics Control system
adjusts the engine's output and the
wheels' respective braking forces to help
maintain traction and directional control.
Traction Con ...