CONTINUOUSLY VARIABLE TRANSMISSION (DIAGNOSTICS) > Diagnostic Procedure with Diagnostic Trouble Code (DTC)
DTC P2751 INTERMEDIATE SHAFT SPEED SENSOR "C" CIRCUIT NO SIGNAL
DTC detecting condition:
Immediately at fault recognition
Trouble symptom:
• Shifting shock is felt.
• Acceleration is poor during standing start.
• Shift control malfunction
CAUTION:
Use the check board when measuring the TCM terminal voltage and resistance.
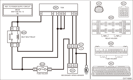
Wiring diagram:
CVT control system CVT Control System">

| STEP | CHECK | YES | NO |
1.CHECK FUSE.
1) Turn the ignition switch to OFF.
2) Remove the fuse (7.5 A) from the fuse holder.
3) Check the fuse.
Is the check result OK?
Diagnostic Procedure with Diagnostic Trouble Code (DTC) > DTC P2751 INTERMEDIATE SHAFT SPEED SENSOR "C" CIRCUIT NO SIGNAL">Go to Step 2.
Replace the fuse. If the fuse blows out easily, repair the short circuit of harness.
2.CHECK HARNESS.
1) Disconnect the TCM connector.
2) Remove the self shut relay.
3) Measure the resistance between TCM connector and relay holder.
Connector & terminal
(B54) No. 25 — (B220) No. 16:
(B54) No. 8 — (B220) No. 15:
(B54) No. 24 — (B220) No. 15:
(B54) No. 40 — (B220) No. 15:
Is the resistance less than 1 ??
Diagnostic Procedure with Diagnostic Trouble Code (DTC) > DTC P2751 INTERMEDIATE SHAFT SPEED SENSOR "C" CIRCUIT NO SIGNAL">Go to Step 3.
Repair the open circuit of harness.
3.CHECK HARNESS.
Measure the resistance between TCM connector and chassis ground.
Connector & terminal
(B54) No. 25 — Chassis ground:
(B54) No. 8 — Chassis ground:
(B54) No. 24 — Chassis ground:
(B54) No. 40 — Chassis ground:
Is the resistance 1 M? or more?
Diagnostic Procedure with Diagnostic Trouble Code (DTC) > DTC P2751 INTERMEDIATE SHAFT SPEED SENSOR "C" CIRCUIT NO SIGNAL">Go to Step 4.
Repair the short circuit of harness.
4.CHECK RELAY POWER SUPPLY.
Measure the voltage between relay holder and chassis ground.
Connector & terminal
(B220) No. 14 (+) — Chassis ground (−):
(B220) No. 17 (+) — Chassis ground (−):
Is the voltage 10 V or more?
Diagnostic Procedure with Diagnostic Trouble Code (DTC) > DTC P2751 INTERMEDIATE SHAFT SPEED SENSOR "C" CIRCUIT NO SIGNAL">Go to Step 5.
Repair the open or short circuit of harness.
5.CHECK SELF SHUT RELAY.
Measure the resistance between self shut relay terminals.
Terminals
No. 16 — No. 17:
Is the resistance 110 — 140 ??
Diagnostic Procedure with Diagnostic Trouble Code (DTC) > DTC P2751 INTERMEDIATE SHAFT SPEED SENSOR "C" CIRCUIT NO SIGNAL">Go to Step 6.
Replace the self shut relay.
6.CHECK SELF SHUT RELAY.
Measure the resistance between self shut relay terminals.
Terminals
No. 14 — No. 15:
Is the resistance 1 M? or more?
Diagnostic Procedure with Diagnostic Trouble Code (DTC) > DTC P2751 INTERMEDIATE SHAFT SPEED SENSOR "C" CIRCUIT NO SIGNAL">Go to Step 7.
Replace the self shut relay.
7.CHECK INPUT SIGNAL FOR TCM.
1) Connect the TCM connector.
2) Install the self shut relay.
3) Read the data of «Control module voltage» using Subaru Select Monitor.
Is the «Control module voltage» 10 V or more?
Current condition is normal. Check for poor contact in connectors or harnesses, and repair the defective part.
Diagnostic Procedure with Diagnostic Trouble Code (DTC) > DTC P2751 INTERMEDIATE SHAFT SPEED SENSOR "C" CIRCUIT NO SIGNAL">Go to Step 8.
8.CHECK HARNESS.
1) Turn the ignition switch to OFF.
2) Disconnect the TCM connector.
3) Disconnect the transmission connector.
4) Measure the resistance between TCM connector and transmission connectors.
Connector & terminal
(B54) No. 13 — (B12) No. 5:
(B54) No. 42 — (B12) No. 7:
(B550) No. 17 — (B12) No. 6:
Is the resistance less than 1 ??
Diagnostic Procedure with Diagnostic Trouble Code (DTC) > DTC P2751 INTERMEDIATE SHAFT SPEED SENSOR "C" CIRCUIT NO SIGNAL">Go to Step 9.
Repair the open circuit of harness.
9.CHECK HARNESS.
Measure the resistance between TCM connector and chassis ground.
Connector & terminal
(B54) No. 13 — Chassis ground:
Is the resistance 1 M? or more?
Diagnostic Procedure with Diagnostic Trouble Code (DTC) > DTC P2751 INTERMEDIATE SHAFT SPEED SENSOR "C" CIRCUIT NO SIGNAL">Go to Step 10.
Repair the short circuit of harness.
10.CHECK HARNESS.
Measure the resistance between relay holder and fuse holder.
Connector & terminal
(B220) No. 15 — (B550) No. 6:
Is the resistance less than 1 ??
Diagnostic Procedure with Diagnostic Trouble Code (DTC) > DTC P2751 INTERMEDIATE SHAFT SPEED SENSOR "C" CIRCUIT NO SIGNAL">Go to Step 11.
Repair the open circuit of harness.
11.CHECK TRANSMISSION HARNESS.
1) Install the fuse.
2) Connect the TCM connector.
3) Turn the ignition switch to ON.
4) Measure the voltage between transmission connector terminals.
Connector & terminal
(B12) No. 6 (+) — Chassis ground (−):
Is the voltage 10 — 13 V?
Diagnostic Procedure with Diagnostic Trouble Code (DTC) > DTC P2751 INTERMEDIATE SHAFT SPEED SENSOR "C" CIRCUIT NO SIGNAL">Go to Step 12.
Repair the open circuit of harness or poor contact of connector.
12.CHECK INPUT SIGNAL FOR TCM.
1) Turn the ignition switch to OFF.
2) Connect the transmission connector.
3) Lift up the vehicle.
4) Start the engine.
5) Set the select lever to “D” range.
6) Read the data of «Secondary Rev Speed» using Subaru Select Monitor.
Does the value of «Secondary Rev Speed» change according to those of «Front Wheel Speed»?
Current condition is normal. Repair the poor contacts of harnesses of secondary speed sensor and transmission connector.
Diagnostic Procedure with Diagnostic Trouble Code (DTC) > DTC P2751 INTERMEDIATE SHAFT SPEED SENSOR "C" CIRCUIT NO SIGNAL">Go to Step 13.
13.CHECK TRANSMISSION HARNESS.
1) Turn the ignition switch to OFF.
2) Disconnect the transmission connector.
3) Disconnect the secondary speed sensor connector.
4) Measure the resistance between transmission connector and secondary speed sensor connector.
Connector & terminal
(T3) No. 5 — (AT4) No. 2:
(T3) No. 6 — (AT4) No. 3:
(T3) No. 7 — (AT4) No. 1:
Is the resistance less than 1 ??
Diagnostic Procedure with Diagnostic Trouble Code (DTC) > DTC P2751 INTERMEDIATE SHAFT SPEED SENSOR "C" CIRCUIT NO SIGNAL">Go to Step 14.
Replace the transmission harness.
14.CHECK SECONDARY SPEED SENSOR HARNESS.
Measure the resistance between transmission connector and chassis ground.
Connector & terminal
(T3) No. 5 — Chassis ground:
(T3) No. 6 — Chassis ground:
Is the resistance 1 M? or more?
Diagnostic Procedure with Diagnostic Trouble Code (DTC) > DTC P2751 INTERMEDIATE SHAFT SPEED SENSOR "C" CIRCUIT NO SIGNAL">Go to Step 15.
Repair the short circuit of harness.
15.CHECK SECONDARY SPEED SENSOR.
1) Turn the ignition switch to OFF.
2) Replace the secondary speed sensor. Secondary Speed Sensor">
3) Perform the Clear Memory Mode. Clear Memory Mode">
4) Read the DTC.
Is DTC P2751 displayed?
Diagnostic Procedure with Diagnostic Trouble Code (DTC) > DTC P2751 INTERMEDIATE SHAFT SPEED SENSOR "C" CIRCUIT NO SIGNAL">Go to Step 16.
The original secondary speed sensor is defective.
16.CHECK SELF SHUT RELAY.
1) Turn the ignition switch to OFF.
2) Replace the self shut relay.
3) Perform the Clear Memory Mode. Clear Memory Mode">
4) Read the DTC.
Is DTC P2751 displayed?
Replace the TCM. Transmission Control Module (TCM)">
The original self shut relay is defective.
1. OUTLINE OF DIAGNOSIS
• Detect the no input signal from the secondary speed sensor.
• Judge as NG if there is no input signal from the secondary pulley speed sensor, while the primary pulley speed sensor has the input signal although the primary and secondary pulleys are interlocked via the chain.
2. EXECUTION CONDITION
Secondary Parameters | Execution condition |
12 V battery system voltage | ≥ 9 V |
Transmission range | Drive or Reverse |
Measured primary pulley shaft speed | ≥ 1000 rpm |
3. DIAGNOSTIC METHOD
If the duration of time while the following conditions are met is longer than the time indicated, judge as NG.
Malfunction Criteria | Threshold Value |
Measured secondary pulley shaft speed | 0 rpm |
Time Needed for Diagnosis: 0.5 seconds
Malfunction Indicator Light Illumination: Illuminates as soon as a malfunction occurs.
Dtc p2750 intermediate shaft speed sensor "c" circuit range/performance
Dtc p2757 torque converter clutch pressure control solenoid control circuit performance/stuck offEfficient cooling after parking in direct sunlight
After parking in direct sunlight, drive with
the windows open for a few minutes to allow outside air to circulate into the
heated interior. This results in quicker
cooling by the air conditioner. Keep the
windows closed during the operation of
the air conditioner for maximum cooling
efficiency ...
Deleting the contact data
You can delete the phonebook data stored
in the audio set.
1. Display the "PHONE" screen. Refer to
"How to change the hands-free phone
system" F5-73.
2. Touch the "Contacts" key, and then
select the "Delete All" key.
3. Select the "OK" key when the confirmation
screen appears.
compati ...
Dtc b2784 antenna circuit (push engine switch)
KEYLESS ACCESS WITH PUSH BUTTON START SYSTEM (DIAGNOSTICS) > Diagnostic Procedure with Diagnostic Trouble Code (DTC)DTC B2784 ANTENNA CIRCUIT (PUSH ENGINE SWITCH)DTC detecting condition:When open or short circuit occurs in the antenna coil.Trouble symptom:The keyless access function may not be op ...