ENGINE (DIAGNOSTICS)(H4DO) > Diagnostic Procedure with Diagnostic Trouble Code (DTC)
DTC P2101 THROTTLE ACTUATOR "A" CONTROL MOTOR CIRCUIT RANGE/PERFORMANCE
DTC detecting condition:
Immediately at fault recognition
Trouble symptom:
• Improper idling
• Poor driving performance
• Engine stall
CAUTION:
After servicing or replacing faulty parts, perform Clear Memory Mode Clear Memory Mode > OPERATION">
, and Inspection Mode Inspection Mode > PROCEDURE">
.
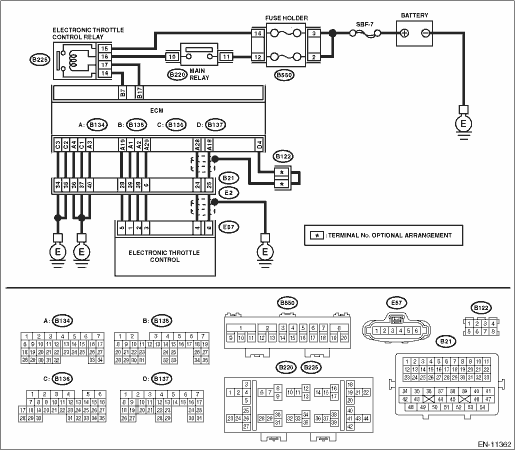
Wiring diagram:
Engine electrical system Engine Electrical System">

| STEP | CHECK | YES | NO |
1.CHECK ELECTRONIC THROTTLE CONTROL RELAY.
1) Turn the ignition switch to OFF.
2) Remove the electronic throttle control relay.
3) Connect the battery to terminals No. 16 and No. 17 of electronic throttle control relay.
4) Measure the resistance between electronic throttle control relay terminals.
Terminals
No. 14 — No. 15:
Is the resistance less than 1 ??
Diagnostic Procedure with Diagnostic Trouble Code (DTC) > DTC P2101 THROTTLE ACTUATOR "A" CONTROL MOTOR CIRCUIT RANGE/PERFORMANCE">Go to Step 2.
Replace the electronic throttle control relay. Electronic Throttle Control Relay">
2.CHECK POWER SUPPLY OF ELECTRONIC THROTTLE CONTROL RELAY.
Measure the voltage between electronic throttle control relay connector and chassis ground.
Connector & terminal
(B225) No. 15 (+) — Chassis ground (−):
Is the voltage 10 V or more?
Diagnostic Procedure with Diagnostic Trouble Code (DTC) > DTC P2101 THROTTLE ACTUATOR "A" CONTROL MOTOR CIRCUIT RANGE/PERFORMANCE">Go to Step 3.
Repair the open or short to ground in the power supply circuit.
3.CHECK HARNESS BETWEEN ECM AND ELECTRONIC THROTTLE CONTROL RELAY CONNECTOR.
1) Disconnect the connector from ECM.
2) Turn the ignition switch to ON.
3) Measure the voltage between electronic throttle control relay connector and chassis ground.
Connector & terminal
(B225) No. 17 (+) — Chassis ground (−):
Is the voltage 10 V or more?
Repair the short circuit to power in the harness between ECM connector and electronic throttle control relay connector.
Diagnostic Procedure with Diagnostic Trouble Code (DTC) > DTC P2101 THROTTLE ACTUATOR "A" CONTROL MOTOR CIRCUIT RANGE/PERFORMANCE">Go to Step 4.
4.CHECK HARNESS BETWEEN ECM AND ELECTRONIC THROTTLE CONTROL RELAY CONNECTOR.
1) Turn the ignition switch to OFF.
2) Measure the resistance between electronic throttle control relay connector and chassis ground.
Connector & terminal
(B225) No. 14 — Chassis ground:
(B225) No. 17 — Chassis ground:
Is the resistance 1 M? or more?
Diagnostic Procedure with Diagnostic Trouble Code (DTC) > DTC P2101 THROTTLE ACTUATOR "A" CONTROL MOTOR CIRCUIT RANGE/PERFORMANCE">Go to Step 5.
Repair the short circuit to ground in harness between ECM connector and electronic throttle control relay connector.
5.CHECK HARNESS BETWEEN ECM AND ELECTRONIC THROTTLE CONTROL RELAY CONNECTOR.
Measure the resistance between ECM connector and electronic throttle control relay connector.
Connector & terminal
(B135) No. 17 — (B225) No. 17:
(B135) No. 7 — (B225) No. 14:
Is the resistance less than 1 ??
Diagnostic Procedure with Diagnostic Trouble Code (DTC) > DTC P2101 THROTTLE ACTUATOR "A" CONTROL MOTOR CIRCUIT RANGE/PERFORMANCE">Go to Step 6.
Repair the open circuit in harness between ECM connector and electronic throttle control relay connector.
6.CHECK HARNESS BETWEEN ECM AND ELECTRONIC THROTTLE CONTROL CONNECTOR.
1) Turn the ignition switch to OFF.
2) Disconnect the connectors from electronic throttle control.
3) Measure the resistance between ECM connector and chassis ground.
Connector & terminal
(B134) No. 19 — Chassis ground:
(B134) No. 18 — Chassis ground:
(B134) No. 18 — (B136) No. 4:
(B134) No. 28 — Chassis ground:
(B134) No. 28 — (B136) No. 4:
Is the resistance 1 M? or more?
Diagnostic Procedure with Diagnostic Trouble Code (DTC) > DTC P2101 THROTTLE ACTUATOR "A" CONTROL MOTOR CIRCUIT RANGE/PERFORMANCE">Go to Step 7.
Repair the ground short circuit of harness between ECM connector and electronic throttle control connector.
7.CHECK SHORT CIRCUIT INSIDE THE ECM.
1) Connect the connector to ECM.
2) Measure the resistance between electronic throttle control connector and engine ground.
Connector & terminal
(E57) No. 6 — Engine ground:
(E57) No. 4 — Engine ground:
Is the resistance 200 k? or more?
Diagnostic Procedure with Diagnostic Trouble Code (DTC) > DTC P2101 THROTTLE ACTUATOR "A" CONTROL MOTOR CIRCUIT RANGE/PERFORMANCE">Go to Step 8.
Repair the ground short circuit of harness between ECM connector and electronic throttle control connector. Replace the ECM if defective. Engine Control Module (ECM)">
8.CHECK HARNESS BETWEEN ECM AND ELECTRONIC THROTTLE CONTROL CONNECTOR.
1) Disconnect the connector from ECM.
2) Measure the resistance of harness between ECM connector and electronic throttle control connector.
Connector & terminal
(B134) No. 18 — (E57) No. 6:
(B134) No. 28 — (E57) No. 4:
(B134) No. 29 — (E57) No. 3:
Is the resistance less than 1 ??
Diagnostic Procedure with Diagnostic Trouble Code (DTC) > DTC P2101 THROTTLE ACTUATOR "A" CONTROL MOTOR CIRCUIT RANGE/PERFORMANCE">Go to Step 9.
Repair the harness and connector.
NOTE:
In this case, repair the following item:
• Open circuit in harness between ECM connector and electronic throttle control connector
• Poor contact of coupling connector
9.CHECK HARNESS BETWEEN ECM AND ELECTRONIC THROTTLE CONTROL CONNECTOR.
1) Connect the connector to ECM.
2) Measure the resistance between electronic throttle control connector and engine ground.
Connector & terminal
(E57) No. 3 — Engine ground:
Is the resistance less than 5 ??
Diagnostic Procedure with Diagnostic Trouble Code (DTC) > DTC P2101 THROTTLE ACTUATOR "A" CONTROL MOTOR CIRCUIT RANGE/PERFORMANCE">Go to Step 10.
Repair the harness and connector.
NOTE:
In this case, repair the following item:
• Open circuit of harness between ECM connector and engine ground
• Poor contact of ECM connector
• Poor contact of coupling connector
10.CHECK HARNESS BETWEEN ECM AND ELECTRONIC THROTTLE CONTROL CONNECTOR.
1) Turn the ignition switch to ON.
2) Measure the voltage between electronic throttle control connector and engine ground.
Connector & terminal
(E57) No. 6 (+) — Engine ground (−):
(E57) No. 4 (+) — Engine ground (−):
Is the voltage 5 V or more?
Repair the short circuit to power in the harness between ECM connector and electronic throttle control connector.
Diagnostic Procedure with Diagnostic Trouble Code (DTC) > DTC P2101 THROTTLE ACTUATOR "A" CONTROL MOTOR CIRCUIT RANGE/PERFORMANCE">Go to Step 11.
11.CHECK HARNESS BETWEEN ECM AND ELECTRONIC THROTTLE CONTROL CONNECTOR.
1) Turn the ignition switch to OFF.
2) Disconnect the connector from ECM.
3) Measure the resistance between ECM connectors.
Connector & terminal
(B134) No. 19 — (B134) No. 18:
(B134) No. 19 — (B134) No. 28:
Is the resistance 1 M? or more?
Diagnostic Procedure with Diagnostic Trouble Code (DTC) > DTC P2101 THROTTLE ACTUATOR "A" CONTROL MOTOR CIRCUIT RANGE/PERFORMANCE">Go to Step 12.
Repair the short circuit to power in the harness between ECM connector and electronic throttle control connector.
12.CHECK SENSOR OUTPUT.
1) Connect all connectors.
2) Start the engine and warm up completely.
3) Stop the engine, and then turn the ignition switch to ON (engine OFF).
4) Read the value of «Main-Throttle Sensor» using Subaru Select Monitor.
NOTE:
For detailed operation procedures, refer to “Current Data Display For Engine”. Subaru Select Monitor">
Is the value of «Main-Throttle Sensor» 0.81 — 0.87 V?
Diagnostic Procedure with Diagnostic Trouble Code (DTC) > DTC P2101 THROTTLE ACTUATOR "A" CONTROL MOTOR CIRCUIT RANGE/PERFORMANCE">Go to Step 13.
Repair the poor contact of electronic throttle control connector. Replace the electronic throttle control if defective. Throttle Body">
13.CHECK SENSOR OUTPUT.
Read the value of «Sub-Throttle Sensor» using Subaru Select Monitor.
NOTE:
For detailed operation procedures, refer to “Current Data Display For Engine”. Subaru Select Monitor">
Is the value of «Sub-Throttle Sensor» 1.64 — 1.70 V?
Diagnostic Procedure with Diagnostic Trouble Code (DTC) > DTC P2101 THROTTLE ACTUATOR "A" CONTROL MOTOR CIRCUIT RANGE/PERFORMANCE">Go to Step 14.
Repair the poor contact of electronic throttle control connector. Replace the electronic throttle control if defective. Throttle Body">
14.CHECK HARNESS BETWEEN ECM AND ELECTRONIC THROTTLE CONTROL CONNECTOR.
1) Turn the ignition switch to OFF.
2) Disconnect the connector from ECM.
3) Disconnect the connectors from electronic throttle control.
4) Measure the resistance between ECM connector and electronic throttle control connector.
Connector & terminal
(B134) No. 2 — (E57) No. 2:
(B134) No. 1 — (E57) No. 1:
Is the resistance less than 1 ??
Diagnostic Procedure with Diagnostic Trouble Code (DTC) > DTC P2101 THROTTLE ACTUATOR "A" CONTROL MOTOR CIRCUIT RANGE/PERFORMANCE">Go to Step 15.
Repair the harness and connector.
NOTE:
In this case, repair the following item:
• Open circuit in harness between ECM connector and electronic throttle control connector
• Poor contact of coupling connector
15.CHECK HARNESS BETWEEN ECM AND ELECTRONIC THROTTLE CONTROL CONNECTOR.
1) Connect the connector to ECM.
2) Turn the ignition switch to ON.
3) Measure the voltage between electronic throttle control connector and engine ground.
Connector & terminal
(E57) No. 2 (+) — Engine ground (−):
(E57) No. 1 (+) — Engine ground (−):
Is the voltage 5 V or more?
Repair the short circuit to power in the harness between ECM connector and electronic throttle control connector.
Diagnostic Procedure with Diagnostic Trouble Code (DTC) > DTC P2101 THROTTLE ACTUATOR "A" CONTROL MOTOR CIRCUIT RANGE/PERFORMANCE">Go to Step 16.
16.CHECK HARNESS BETWEEN ECM AND ELECTRONIC THROTTLE CONTROL CONNECTOR.
1) Turn the ignition switch to OFF.
2) Disconnect the connector from ECM.
3) Measure the resistance between electronic throttle control connector and engine ground.
Connector & terminal
(E57) No. 2 — Engine ground:
(E57) No. 1 — Engine ground:
Is the resistance 1 M? or more?
Diagnostic Procedure with Diagnostic Trouble Code (DTC) > DTC P2101 THROTTLE ACTUATOR "A" CONTROL MOTOR CIRCUIT RANGE/PERFORMANCE">Go to Step 17.
Repair the ground short circuit of harness between ECM connector and electronic throttle control connector.
17.CHECK ELECTRONIC THROTTLE CONTROL CONNECTOR HARNESS.
Measure the resistance between electronic throttle control connectors.
Connector & terminal
(E57) No. 2 — (E57) No. 1:
Is the resistance 1 M? or more?
Diagnostic Procedure with Diagnostic Trouble Code (DTC) > DTC P2101 THROTTLE ACTUATOR "A" CONTROL MOTOR CIRCUIT RANGE/PERFORMANCE">Go to Step 18.
Repair the short circuit in harness between ECM connector and electronic throttle control connector.
18.CHECK ELECTRONIC THROTTLE CONTROL GROUND CIRCUIT.
Measure the resistance between ECM connector and chassis ground.
Connector & terminal
(B134) No. 3 — Chassis ground:
(B134) No. 4 — Chassis ground:
(B136) No. 1 — Chassis ground:
(B136) No. 2 — Chassis ground:
(B136) No. 3 — Chassis ground:
Is the resistance less than 5 ??
Diagnostic Procedure with Diagnostic Trouble Code (DTC) > DTC P2101 THROTTLE ACTUATOR "A" CONTROL MOTOR CIRCUIT RANGE/PERFORMANCE">Go to Step 19.
Repair the harness and connector.
NOTE:
In this case, repair the following item:
• Open circuit of harness between ECM connector and engine ground
• Poor contact of coupling connector
19.CHECK ELECTRONIC THROTTLE CONTROL.
Measure the resistance between electronic throttle control terminals.
Terminals
No. 2 — No. 1:
Is the resistance 50 ? or less?
Diagnostic Procedure with Diagnostic Trouble Code (DTC) > DTC P2101 THROTTLE ACTUATOR "A" CONTROL MOTOR CIRCUIT RANGE/PERFORMANCE">Go to Step 20.
Replace the electronic throttle control. Throttle Body">
20.CHECK ELECTRONIC THROTTLE CONTROL.
Move the throttle valve to the fully opened and fully closed positions with fingers.
Check that the valve returns to the specified position when releasing fingers.
Does the valve return to the specified position? Standard value: 3 mm (0.12 in) from fully closed position
Repair the poor contact of ECM connector.
Replace the electronic throttle control. Throttle Body">
1. OUTLINE OF DIAGNOSIS
Judge as NG when the motor current becomes large or drive circuit is heated.
2. COMPONENT DESCRIPTION

(1) | Engine control module (ECM) | (4) | Drive circuit | (6) | Electronic throttle control relay |
(2) | Detecting circuit | (5) | Temperature detection circuit | (7) | Motor |
(3) | Overcurrent detection circuit |
3. EXECUTION CONDITION
Secondary Parameters | Execution condition |
Battery voltage | ≥ 6.2 V |
Electronic throttle control relay output | ON |
4. GENERAL DRIVING CYCLE
Always perform the diagnosis continuously.
5. DIAGNOSTIC METHOD
If the duration of time while the following conditions are met is longer than the time indicated, judge as NG.
Malfunction Criteria | Threshold Value |
Overcurrent signal from the electronic throttle control drive IC | ON |
Time Needed for Diagnosis: 512 ms
Malfunction Indicator Light Illumination: Illuminates as soon as a malfunction occurs.
Dtc p2097 post catalyst fuel trim system too rich bank 1
Dtc p2102 throttle actuator "a" control motor circuit lowMulti information display (models with type B combination meter)
WARNING
Always pay adequate attention to
safe driving when operating the
multi information display while the
vehicle is in motion. When operation
of the multi information display
interferes with your ability to concentrate
on driving, stop the vehicle
before performing operations on the
scr ...
Dtc p0203 cylinder 3 injector "a" circuit
ENGINE (DIAGNOSTICS)(H4DO) > Diagnostic Procedure with Diagnostic Trouble Code (DTC)DTC P0203 CYLINDER 3 INJECTOR "A" CIRCUITNOTE:For the diagnostic procedure, refer to DTC P0201. Diagnostic Procedure with Diagnostic Trouble Code (DTC) > DTC P0201 CYLINDER 1 INJECTOR "A" C ...
Engine
SPECIFICATIONS > CrosstrekENGINEModel2.0 L DOHC non-turboEngine typeHorizontally opposed, liquid cooled, 4-cylinder, 4-stroke gasoline engineValve arrangementDOHCBore ? strokemm (in)84.0 ? 90.0 (3.31 ? 3.54)Displacementcm3 (cu in)1,995 (121.7)Compression ratio10.5Ignition order1 — 3 — 2 — 4 ...