VEHICLE DYNAMICS CONTROL (VDC) (DIAGNOSTICS) > Diagnostic Procedure with Diagnostic Trouble Code (DTC)
DTC C1542 CLUTCH SWITCH ON MALFUNCTION
DTC detecting condition:
Abnormal clutch signal
Trouble symptom:
Hill start assist does not operate.
NOTE:
Depending on the user clutch operation patterns, the hill start assist warning light may illuminate for a while, and then go off.
Illumination condition:
While the vehicle speed is 10 km/h (6 MPH) or above, and the clutch switch signal ON (depressed) condition continues five minutes or more, if the vehicle speed lowers to 10 km/h (6 MPH) or below, the module judges as abnormal (clutch switch stuck ON), and then turns on the warning light.
Turning off condition:
If the clutch switch signal OFF (foot released) condition continues for 2 seconds, the module turns off the warning light.
The hill start assist function does not operate, while the warning light illuminates.
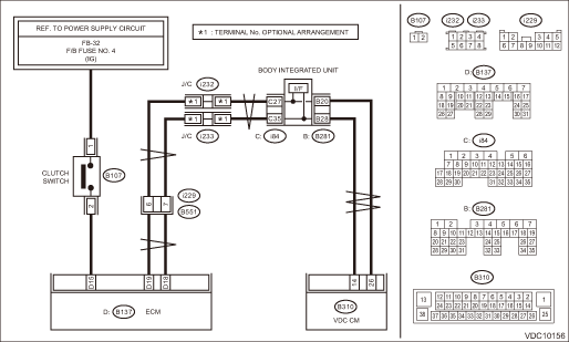
Wiring diagram:
Engine electrical system Engine Electrical System > WIRING DIAGRAM">
CAN communication system CAN Communication System">

| STEP | CHECK | YES | NO |
1.CHECK LAN SYSTEM.
Perform the diagnosis for LAN system. Basic Diagnostic Procedure">
Is there any fault in LAN system?
Perform the diagnosis according to DTC for LAN system. List of Diagnostic Trouble Code (DTC)">
Diagnostic Procedure with Diagnostic Trouble Code (DTC) > DTC C1542 CLUTCH SWITCH ON MALFUNCTION">Go to Step 2.
2.CHECK CLUTCH SIGNAL USING SUBARU SELECT MONITOR.
1) Using the Subaru Select Monitor, select “Data monitor”. Subaru Select Monitor > OPERATION">
2) Read the «Clutch Switch» displayed on display.
Is “OFF” displayed when the clutch pedal is not depressed, and is “ON” displayed when depressed?
Diagnostic Procedure with Diagnostic Trouble Code (DTC) > DTC C1542 CLUTCH SWITCH ON MALFUNCTION">Go to Step 5.
Diagnostic Procedure with Diagnostic Trouble Code (DTC) > DTC C1542 CLUTCH SWITCH ON MALFUNCTION">Go to Step 3.
3.CHECK CLUTCH SIGNAL OF ECM USING SUBARU SELECT MONITOR.
1) Using the Subaru Select Monitor, select “Data monitor” in ECM. Subaru Select Monitor > OPERATION">
2) Read the «Clutch Switch» displayed on display.
Is “OFF” displayed when the clutch pedal is not depressed, and is “ON” displayed when depressed?
Diagnostic Procedure with Diagnostic Trouble Code (DTC) > DTC C1542 CLUTCH SWITCH ON MALFUNCTION">Go to Step 5.
Diagnostic Procedure with Diagnostic Trouble Code (DTC) > DTC C1542 CLUTCH SWITCH ON MALFUNCTION">Go to Step 4.
4.CHECK HARNESS BETWEEN ECM AND CLUTCH SWITCH (CHECK FOR OPEN CIRCUIT).
1) Turn the ignition switch to OFF.
2) Disconnect the connectors from ECM and clutch switch.
3) Measure the resistance of harness between ECM and clutch switch connector.
Connector & terminal
(B137) No. 15 — (B107) No. 2:
Is the resistance less than 1 ??
Repair the power supply circuit of clutch switch. Or replace the clutch switch. Clutch Switch">
Repair the harness between ECM and clutch switch connector.
5.CHECK VDCCM&H/U.
1) Connect all connectors.
2) Perform the Clear Memory Mode. Clear Memory Mode">
3) Perform the Inspection Mode. Inspection Mode">
4) Read the DTC. Read Diagnostic Trouble Code (DTC)">
Is the same DTC displayed?
Replace the VDCCM only. VDC Control Module and Hydraulic Control Unit (VDCCM&H/U) > REPLACEMENT">
Diagnostic Procedure with Diagnostic Trouble Code (DTC) > DTC C1542 CLUTCH SWITCH ON MALFUNCTION">Go to Step 6.
6.CHECK DETECTION OF OTHER DTCS FOR VDC.
Read Diagnostic Trouble Code (DTC)">
Is any other DTC displayed?
Perform the diagnosis according to DTC. List of Diagnostic Trouble Code (DTC)">
Currently, it is normal. There may have been a temporary poor contact in the harness and connector or a temporary noise interference.
Dtc c1541 clutch switch off malfunction
Dtc u0422 invalid data received from body control moduleOperation
SUNROOF/T-TOP/CONVERTIBLE TOP (SUNROOF) > Sunroof Control SystemOPERATION1. INITIALIZE OPERATIONCAUTION:During initialization, perform the position learning and the sliding learning. Sliding learning mode can not be initiated unless the position learning is performed.NOTE:When initialize operatio ...
65
CRUISE CONTROL SYSTEM (DIAGNOSTICS) > Diagnostic Procedure with Cancel Code65Cruise control command switch malfunction is detected.While the command switch is pressed ON for a long time (approximately two minutes), stuck ON condition is detected.TROUBLE SYMPTOM:• Cruise control cannot be se ...
Dtc p0365 camshaft position sensor "b" circuit bank 1
ENGINE (DIAGNOSTICS)(H4DO) > Diagnostic Procedure with Diagnostic Trouble Code (DTC)DTC P0365 CAMSHAFT POSITION SENSOR "B" CIRCUIT BANK 1DTC DETECTING CONDITION:Immediately at fault recognitionTROUBLE SYMPTOM:• Engine stall• Failure of engine to startCAUTION:After servicing ...