TELEMATICS SYSTEM (DIAGNOSTICS) > Diagnostic Procedure with Diagnostic Trouble Code (DTC)
DTC B2A04 MIC CIRCUIT
Diagnosis start condition:
When ACC is ON.
DTC detecting condition:
Any of the followings continues for 1 second or more.
• MIC impedance is more than 10 k?. (Detached MIC, etc.)
• MIC impedance is less than 10 ?. (Short-circuited MIC, etc.)
Trouble symptom:
• Call function cannot be used.
• RED LED illuminates.
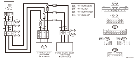
Wiring diagram:
NOTE:
For the coupling connector, refer to “WIRING SYSTEM”.
Telematics Telematics System > WIRING DIAGRAM">

CAUTION:
CommCheck is required after replacing the DCM. Telematics System > OPERATION">
| STEP | CHECK | YES | NO |
1.CHECK DTC.
Read the DTC. Diagnostic Code(s) Display">
Is DTC B2A04 displayed? (Current malfunction)
Diagnostic Procedure with Diagnostic Trouble Code (DTC) > DTC B2A04 MIC CIRCUIT">Go to Step 2.
Even if DTC is displayed, the circuit has returned to a normal condition at this time. Reproduce the failure, and then perform the diagnosis again.
In this case, temporary poor contact of connector, temporary open or short circuit of harness may be the cause.
2.CHECK HARNESS (OPEN CIRCUIT).
1) Turn the ignition switch to OFF.
2) Disconnect the microphone connector.
3) Disconnect the DCM connector.
4) Measure the resistance between microphone connector and DCM connector.
Connector & terminal
With sunroof and without EyeSight
(R56) No. 7 — (i271) No. 14:
(R56) No. 8 — (i271) No. 8:
(R56) No. 9 — (i271) No. 6:
Without sunroof and without EyeSight
(R56) No. 4 — (i271) No. 14:
(R56) No. 5 — (i271) No. 8:
(R56) No. 6 — (i271) No. 6:
With EyeSight
(R405) No. 4 — (i271) No. 6:
(R405) No. 3 — (i271) No. 8:
(R405) No. 5 — (i271) No. 14:
Is the resistance 1 ? or less?
Diagnostic Procedure with Diagnostic Trouble Code (DTC) > DTC B2A04 MIC CIRCUIT">Go to Step 3.
Repair or replace the open circuit of harness.
3.CHECK HARNESS (GROUND SHORT CIRCUIT).
Measure the resistance between DCM connector and chassis ground.
Connector & terminal
(i271) No. 8 — Chassis ground:
(i271) No. 14 — Chassis ground:
(i271) No. 6 — Chassis ground:
Is the resistance 1 M? or more?
Diagnostic Procedure with Diagnostic Trouble Code (DTC) > DTC B2A04 MIC CIRCUIT">Go to Step 4.
Repair or replace the short circuit of the harness.
4.CHECK THE CONNECTOR (SHORT CIRCUIT TO POWER SUPPLY).
Measure the voltage between DCM connector and chassis ground.
Connector & terminal
(i271) No. 8 (+) — Chassis ground (−):
(i271) No. 14 (+) — Chassis ground (−):
(i271) No. 6 (+) — Chassis ground (−):
Is the voltage less than 1 V?
Diagnostic Procedure with Diagnostic Trouble Code (DTC) > DTC B2A04 MIC CIRCUIT">Go to Step 5.
Repair or replace the short circuit of the harness.
5.CHECK MICROPHONE.
Confirm the microphone voice input.
Is the voice input OK?
Replace the DCM. Data Communication Module">
Replace the microphone. Microphone">
Dtc b2a03 gps antenna circuit
Dtc b2a05 left speaker/audio circuitBluetooth audio
The Bluetooth audio system enables
users to enjoy listening to music that is
played on a portable player on the vehicle
speakers via wireless communication.
This audio system supports Bluetooth, a
wireless data system capable of playing
portable audio music without cables. If
your device do ...
Dtc b28b3 stereo camera low temperature
EyeSight (DIAGNOSTICS) > Diagnostic Procedure with Diagnostic Trouble Code (DTC)DTC B28B3 STEREO CAMERA LOW TEMPERATUREDetected when the temperature of the stereo camera excessively decreases.NOTE:When this DTC is detected, performing adjustment or inspection of the camera will not return to the ...
ABS (Anti-lock Brake System)
The ABS prevents the lock-up of wheels
which may occur during sudden braking or
braking on slippery road surfaces. This
helps prevent the loss of steering control
and directional stability caused by wheel
lock-up.
When the ABS is operating, you may hear
a chattering noise or feel a slight v ...