AIRBAG SYSTEM (DIAGNOSTICS) > Diagnostic Chart with Trouble Code
DTC B1821 OPEN IN SIDE AIRBAG RH
Diagnosis start condition:
Ignition voltage is 10 V to 16 V.
DTC detecting condition:
• Side airbag harness (RH) circuit is open.
• Side airbag module (RH) is faulty.
• Airbag control module is faulty.
CAUTION:
Before performing diagnosis, refer to “CAUTION” in “General Description”. General Description > CAUTION">
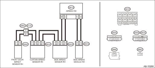
Wiring diagram:
Airbag system Airbag System > WIRING DIAGRAM">

| STEP | CHECK | YES | NO |
1.CHECK POOR CONTACT OF CONNECTORS.
Check for poor contact of the connectors between the airbag control module, side airbag module RH and the side airbag sensor RH.
Is there poor contact?
Replace the airbag rear harness along with body harness.
Diagnostic Chart with Trouble Code > DTC B1821 OPEN IN SIDE AIRBAG RH">Go to Step 2.
2.CHECK SIDE AIRBAG MODULE.
1) Turn the ignition switch to OFF, disconnect the battery ground cable, and wait for 60 seconds or more.
2) Disconnect the connector (AB24) from the side airbag module (RH), and connect the connector (1AJ) in the test harness AJ to connector (AB24).
3) Connect the airbag resistor to the test harness AJ connector (3AJ).
4) Connect the battery ground terminal and turn the ignition switch to ON.
Does the airbag warning light illuminate for 6 seconds and go off?
Replace the side airbag module (RH). Side Airbag Module > REMOVAL">
Diagnostic Chart with Trouble Code > DTC B1821 OPEN IN SIDE AIRBAG RH">Go to Step 3.
3.CHECK AIRBAG REAR HARNESS (SIDE AIRBAG MODULE HARNESS RH).
1) Turn the ignition switch to OFF, disconnect the battery ground cable, and wait for 60 seconds or more.
2) Disconnect the connector (AB26) from seat belt pretensioner (RH).
3) Disconnect the connector (AB33) from curtain airbag module (RH).
4) Disconnect the airbag resistor from test harness AJ.
5) Disconnect the connectors (AB6, AB17, AB18) from airbag control module.
6) Connect the connector (1AG) in the test harness AG to the connectors (AB6, AB17, AB18).
7) Measure the resistance between connector in the test harness AG and connector in the test harness AJ.
Connector & terminal
(5AG) No. 5 — (3AJ) No. 1:
(5AG) No. 7 — (3AJ) No. 2:
Is the resistance less than 10 ??
Diagnostic Chart with Trouble Code > DTC B1821 OPEN IN SIDE AIRBAG RH">Go to Step 4.
Replace the airbag rear harness along with body harness.
4.CHECK AIRBAG CONTROL MODULE.
1) Connect all connectors.
2) Clear the memory. Clear Memory Mode">
3) Perform the Inspection Mode. Inspection Mode">
4) Read the DTC. (Current malfunction) Read Diagnostic Trouble Code (DTC)">
Is DTC B1821 displayed?
Replace the airbag control module. Airbag Control Module">
Diagnostic Chart with Trouble Code > DTC B1821 OPEN IN SIDE AIRBAG RH">Go to Step 5.
5.CHECK FOR ANY OTHER DTC ON DISPLAY.
Is any other DTC displayed?
Check DTC using “List of Diagnostic Trouble Code (DTC)”. List of Diagnostic Trouble Code (DTC)">
Finish the diagnosis.
Dtc b1820 short in side airbag rh
Dtc b1822 short in side airbag rh (to ground)Casual speech recognization
Due to natural language speech recognition
technology, this system enables recognition
of a command when spoken
naturally. However, the system cannot
recognize every variation of each command.
In some situations, it is possible to
omit the command for the procedure and
directly state the de ...
All-Wheel Drive warning light (CVT models)
This
light blinks if the vehicle is driven with
tires of differing diameters fitted on the
wheels or with an excessively low air
pressure in any of the tires.
WARNING
If the AWD warning light flashes,
promptly park in a safe location then
check whether all four tires are the
same diamete ...
Gross Vehicle Weight (GVW) and Gross Vehicle Weight Rating (GVWR)
Gross Vehicle Weight
The Gross Vehicle Weight (GVW) must
never exceed the Gross Vehicle Weight
Rating (GVWR).
Gross Vehicle Weight (GVW) is the
combined total of the weight of the vehicle,
driver, passengers, luggage, trailer hitch,
trailer tongue load and any other optional
equipment ...