Subaru Ascent 2018-2026 Owner's Manual: Components

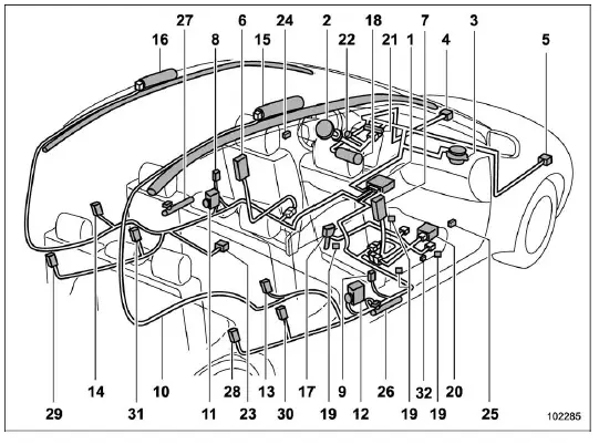
The Subaru Ascent SRS airbag system includes multiple strategically placed components
designed to provide comprehensive protection to occupants during various types of
collisions.
- Driver's SRS frontal airbag: located in the center of the steering wheel
- Front passenger's SRS frontal airbag: positioned in the upper dashboard
area
- SRS side airbags: integrated into the outer sides of the front seatbacks
- SRS curtain airbags: installed along the roof sides, extending from the
front pillars to the rear seating area
- SRS knee airbag: located beneath the steering column for driver protection

- Airbag control module with integrated impact and rollover sensors
- Driver frontal airbag module
- Front passenger frontal airbag module
- Front impact sensor (left side)
- Front impact sensor (right side)
- Driver side airbag module
- Front passenger side airbag module
- Side impact sensor (left center pillar)
- Side impact sensor (right center pillar)
- Airbag wiring system
- Driver seatbelt pretensioner with adaptive force limiter
- Front passenger seatbelt pretensioner with adaptive force limiter
- Side impact sensor (right rear wheel area)
- Side impact sensor (left rear wheel area)
- Right curtain airbag module
- Left curtain airbag module
- Front passenger seatbelt buckle switch
- Driver knee airbag module
- Front passenger occupant detection sensors
- Front passenger occupant detection control module
- Front passenger airbag ON/OFF indicator lights
- SRS airbag warning indicator
- Side impact sensor (under second-row center seat)
- Side impact sensor (left front door)
- Side impact sensor (right front door)
- Lap belt pretensioner (front passenger)
- Lap belt pretensioner (driver)
- Side impact sensor (rear right wheel area)
- Side impact sensor (rear left wheel area)
- Second-row seatbelt pretensioner (right side)
- Second-row seatbelt pretensioner (left side)
- Front passenger seat position sensor
For optimal safety in the Subaru Ascent, it is essential to understand how the
SRS airbag system works and to maintain proper seating positions and restraint usage
for all passengers, especially children. Correct use of safety systems significantly
enhances protection and minimizes the risk of injury in unexpected situations.
WARNING
Always ensure that children are seated in the rear seats of your Subaru Ascent
and are properly restrained using appropriate safety systems. The SRS airbag deploys
with extremely high ...
This Subaru Ascent is equipped with an advanced SUBARU frontal airbag system
engineered to meet the latest safety regulations, including the updated Federal
Motor Vehicle Safety Standard (FMVSS) N ...
Other materials:
Diagnostic procedure for subaru select monitor communication Communication for initializing impossible
ENGINE (DIAGNOSTICS)(H4DO) > Diagnostic Procedure for Subaru Select Monitor CommunicationCOMMUNICATION FOR INITIALIZING IMPOSSIBLEDIAGNOSIS:Open or short circuit in data link connectorTROUBLE SYMPTOM:Subaru Select Monitor communication failureWIRING DIAGRAM:Engine electrical system Engine Electr ...
Dtc u0140 lost communication with body control module
CONTINUOUSLY VARIABLE TRANSMISSION (DIAGNOSTICS) > Diagnostic Procedure with Diagnostic Trouble Code (DTC)DTC U0140 LOST COMMUNICATION WITH BODY CONTROL MODULENOTE:Refer to “LAN SYSTEM (DIAGNOSTICS)” for diagnostic procedures. Basic Diagnostic Procedure">1. OUTLINE OF DIAGNOS ...
Seat fabric
Remove loose dirt, dust or debris with a
vacuum cleaner. If the dirt is caked on the
fabric or hard to remove with a vacuum
cleaner, use a soft brush then vacuum it.
Wipe the fabric surface with a tightly
wrung cloth and dry the seat fabric
thoroughly. If the fabric is still dirty, wipe
usi ...
© 2016-2026 Copyright www.sucross.com
