CRUISE CONTROL SYSTEM (DIAGNOSTICS) > Diagnostic Procedure with Cancel Code
12
Detected when brake pedal is depressed or malfunction related to stop light & brake switch occurs.
TROUBLE SYMPTOM:
• Cruise control cannot be set.
• Cruise control cannot be released.
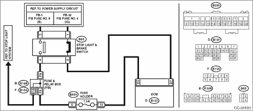
WIRING DIAGRAM:
Cruise control system Cruise Control System > WIRING DIAGRAM">

| STEP | CHECK | YES | NO |
1.CHECK STOP LIGHT & BRAKE SWITCH.
Check the stop light & brake switch. Stop Light & Brake Switch">
Is the stop light & brake switch and installation position OK?
Diagnostic Procedure with Cancel Code > 12">Go to Step 2.
Replace the stop light & brake switch. Or adjust the installation position.
2.CHECK STOP LIGHT & BRAKE SWITCH CIRCUIT.
1) Turn the ignition switch to OFF.
2) Disconnect the stop light & brake switch harness connector.
3) Turn the ignition switch to ON.
4) Measure the voltage between harness connector terminal and chassis ground.
Connector & terminal
(B65) No. 3 (+) — Chassis ground (−):
Is the voltage 10 V or more?
Diagnostic Procedure with Cancel Code > 12">Go to Step 3.
• Check fuse No. 8 (in fuse & relay box).
• Check for open or short in the harness between stop light & brake switch and fuse & relay box.
3.CHECK STOP LIGHT & BRAKE SWITCH CIRCUIT.
Measure the voltage between harness connector terminal and chassis ground.
Connector & terminal
(B65) No. 1 (+) — Chassis ground (−):
Is the voltage 10 V or more?
Diagnostic Procedure with Cancel Code > 12">Go to Step 4.
• Check fuse No. 4 (in fuse & relay box).
• Check for open or short in the harness between stop light & brake switch and fuse & relay box.
4.CHECK STOP LIGHT & BRAKE SWITCH CIRCUIT.
1) Turn the ignition switch to OFF.
2) Disconnect the harness connector of ECM.
3) Measure the resistance between ECM harness connector terminal and stop light & brake switch harness connector terminal.
Connector & terminal
(B137) No. 3 — (B65) No. 4:
(B137) No. 7 — (B65) No. 2:
Is the resistance less than 10 ??
Replace the ECM.
Engine Control Module (ECM)">
Repair the harness.
49
13Dtc b2329 rear radar axis alignment incomplete
Blind Spot Detection/Rear Cross Traffic Alert (DIAGNOSTICS) > Diagnostic Procedure with Diagnostic Trouble Code (DTC)DTC B2329 REAR RADAR AXIS ALIGNMENT INCOMPLETEDTC DETECTING CONDITION:Axis adjustment of the radar sensor has failed.(Forced termination of the Subaru Select Monitor, improper loca ...
Headlight beam leveler (if equipped)
Automatic headlight beam leveler (models with
HID headlights)
The HID headlights generate more light
than conventional halogen headlights.
Therefore a driver of an oncoming vehicle
may experience too much glare if your
headlight beam height adjustment is high
when the vehicle is carrying a ...
Dtc b280a vdc echo back disagreement
EyeSight (DIAGNOSTICS) > Diagnostic Procedure with Diagnostic Trouble Code (DTC)DTC B280A VDC ECHO BACK DISAGREEMENTDetected when error occurs in the VDC. (VDC brake control malfunction 1)When lost communication with vehicle dynamics control and vehicle dynamics control module abnormal or VDC ech ...