DIFFERENTIALS > General Description
SPECIFICATION
1. REAR DIFFERENTIAL
When replacing a rear differential assembly, select the correct one according to the following table.
NOTE:
• Using a different rear differential assembly will cause the drive train and tires to drag or emit abnormal noise.
• For option code, refer to “ID” section. 
Model | 2.0 L non-turbo | ||
CVT | 5MT | ||
Rear differential type | VA1-type | T-type | |
Identification | XD | 41 | TP |
LSD type | — | ||
Type of gear | Hypoid gear | ||
Gear ratio (number of gear teeth) | 3.700 (37/10) | 4.444 (40/9) | |
Oil capacity | 0.8 L (0.8 US qt, 0.7 Imp qt) | ||
Rear differential gear oil | GL–5 (75W-90) | ||
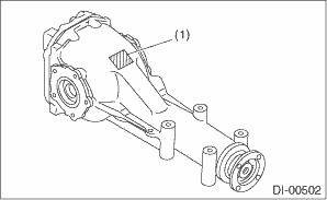
2. IDENTIFICATION
Identification positions are shown in the following figures. For details concerning identification, refer to the “ID” section.
• T-type

(1) | Identification |
• VA1-type

(1) | Identification |
3. REAR DIFFERENTIAL GEAR OIL
Recommended gear oil:
GL–5 (75W–90) or equivalent
CAUTION:
Each oil manufacturer has its base oil and additives. Thus, do not mix two or more brands.

(1) | Item |
(2) | Rear differential gear oil |
(3) | API classification |
(4) | SAE viscosity No. and applicable temperature |
4. SERVICE DATA
Drive pinion bearing preload (for new bearing) | Measured with spring measurement (measured from the companion flange bolt) | N (kgf, lbf) | T-type | 18.1 — 38.8 (1.8 — 4.0, 4.1 — 8.7) |
VA1-type | 12.7 — 32.2 (1.3 — 3.3, 2.9 — 7.2) | |||
Measured with torque wrench | N·m (kgf-m, ft-lb) | T-type | 0.69 — 1.47 (0.07 — 0.15, 0.51 — 1.08) | |
VA1-type | 0.48 — 1.22 (0.05 — 0.12, 0.35 — 0.90) | |||
Side gear backlash | mm (in) | T-type | 0.10 — 0.20 (0.004 — 0.008) | |
VA1-type | 0.05 — 0.15 (0.002 — 0.006) | |||
Hypoid driven gear backlash | mm (in) | T-type | 0.10 — 0.20 (0.004 — 0.008) | |
VA1-type | 0.10 — 0.15 (0.004 — 0.006) | |||
Hypoid driven gear runout on its back surface | mm (in) | T-type | 0.05 (0.002) | |
Total preload (measured from the companion flange bolt hole) | N (kgf, lbf) | T-type | 20.7 — 54.4 (2.1 — 5.5, 4.7 — 12.2) | |
Companion flange mating surface runout | mm (in) | 0.08 (0.003) | ||
Companion flange runout on its inner side | mm (in) | 0.08 (0.003) | ||
Caution
ComponentPreparation tool
LIGHTING SYSTEM > General DescriptionPREPARATION TOOL1. SPECIAL TOOLILLUSTRATIONTOOL NUMBERDESCRIPTIONREMARKS — SUBARU SELECT MONITOR 4Used for setting of each function and troubleshooting for electrical system.NOTE:For detailed operation procedures of Subaru Select Monitor 4, refer to “A ...
Inspection
BRAKE > Brake FluidINSPECTIONCAUTION:• Do not let brake fluid come into contact with the painted surface of the vehicle body. Wash away with water immediately and wipe off if it is spilled by accident.• Do not reuse drained brake fluid. When refilling brake fluid, always refill new br ...
Service mode (models without "keyless access with push-button start system")
In service mode, the remote engine start
function is temporarily disabled to prevent
the system from unexpectedly starting the
engine while being serviced.
To engage or disengage service mode:
1. Enter the vehicle and close all vehicle
doors and the rear gate.
2. Verify that the select le ...