Blind Spot Detection/Rear Cross Traffic Alert (DIAGNOSTICS) > Subaru Select Monitor
INSPECTION
1. COMMUNICATION FOR INITIALIZING IMPOSSIBLE
When communication with the radar sensor is impossible
Detecting condition:
• Defective harness connector
• Power supply circuit malfunction
• Defective radar sensor
• Defective CAN communication circuit
• Defective Subaru Select Monitor
Trouble symptom:
Communication is impossible between radar sensor and Subaru Select Monitor.
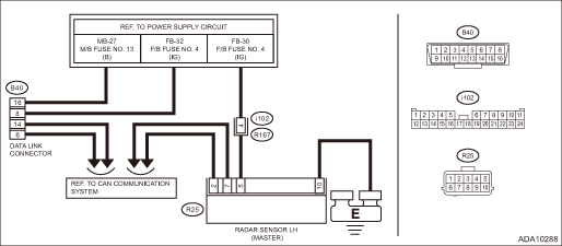
Wiring diagram:
BSD/RCTA system Blind Spot Detection/Rear Cross Traffic Alert > WIRING DIAGRAM">

| STEP | CHECK | YES | NO |
1.CHECK FUSE.
1) Turn the ignition switch to OFF.
2) Check the fuse for radar sensor LH. Relay and Fuse">
Is it normal?
Subaru Select Monitor > INSPECTION">Go to Step 2.
Replace the fuse. If the replaced fuse has blown out immediately, repair the short circuit to ground in harness between fuse and radar sensor LH.
2.CHECK HARNESS (OPEN CIRCUIT).
1) Disconnect the radar sensor LH connector.
2) Turn the ignition switch to ON.
3) Using a tester, measure the voltage between radar sensor LH connector (harness side) and chassis ground.
Connector & terminal
(R25) No. 5 (+) — Chassis ground (−):
Is the voltage 10 V or more?
Subaru Select Monitor > INSPECTION">Go to Step 3.
Repair the open circuit of harness between fuse and radar sensor LH connector.
3.CHECK HARNESS (OPEN CIRCUIT).
1) Turn the ignition switch to OFF.
2) Using a tester, measure the resistance between radar sensor LH connector (harness side) and chassis ground.
Connector & terminal
(R25) No. 10 — Chassis ground:
Is the resistance less than 1 ??
Subaru Select Monitor > INSPECTION">Go to Step 4.
Repair the open circuit in harness between radar sensor and chassis ground.
4.CHECK LAN SYSTEM.
1) Connect the radar sensor LH connector.
2) Inspect LAN system. Basic Diagnostic Procedure">
Is it normal?
Subaru Select Monitor > INSPECTION">Go to Step 5.
Perform the inspection according to the diagnosis for LAN system.
5.CHECK RADAR SENSOR.
Communicate with the radar sensor.
Is communication possible?
The circuit has returned to a normal condition at this time. Reproduce the failure, and then perform the diagnosis again.
NOTE:
In this case, temporary poor contact of connector, temporary open or short circuit of harness may be the cause.
Replace the radar sensor LH. Radar Sensor">
OperationInstallation
EMISSION CONTROL (AUX. EMISSION CONTROL DEVICES)(H4DO) > Purge Control Solenoid ValveINSTALLATIONInstall in the reverse order of removal.NOTE:• Hold the purge control solenoid valve unit by hand to prevent it from rotating together.• Connect the vacuum hose as shown in the figure.(a)T ...
Dtc u0155 lost communication with instrument panel cluster (ipc) control module
Blind Spot Detection/Rear Cross Traffic Alert (DIAGNOSTICS) > Diagnostic Procedure with Diagnostic Trouble Code (DTC)DTC U0155 LOST COMMUNICATION WITH INSTRUMENT PANEL CLUSTER (IPC) CONTROL MODULEDetected when CAN data from combination meter does not arrive.NOTE:Perform the diagnosis for LAN syst ...
Dtc b2790 id code box circuit
KEYLESS ACCESS WITH PUSH BUTTON START SYSTEM (DIAGNOSTICS) > Diagnostic Procedure with Diagnostic Trouble Code (DTC)DTC B2790 ID CODE BOX CIRCUITDTC detecting condition:An error has occurred inside the ID code box.Trouble symptom:Engine will not start.CAUTION:For replacement procedure of ID code ...