AIRBAG SYSTEM (DIAGNOSTICS) > Subaru Select Monitor
INSPECTION
1. COMMUNICATION FOR INITIALIZING IMPOSSIBLE
DTC detecting condition:
Defective harness connector
Trouble symptom:
Communication is impossible between the airbag control module and the Subaru Select Monitor.
CAUTION:
Before performing diagnosis, refer to “CAUTION” in “General Description”. General Description > CAUTION">
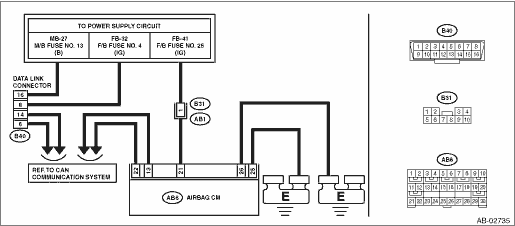
WIRING DIAGRAM:
Airbag system Airbag System > WIRING DIAGRAM">

| STEP | CHECK | YES | NO |
1.CHECK IGNITION SWITCH.
Is the ignition switch ON?
Subaru Select Monitor > INSPECTION">Go to Step 2.
Turn the ignition switch to ON, and select the airbag mode using the Subaru Select Monitor.
2.CHECK BATTERY.
1) Turn the ignition switch to OFF.
2) Measure the battery voltage.
Is the voltage 11 V or more?
Subaru Select Monitor > INSPECTION">Go to Step 3.
Charge or replace the battery.
3.CHECK BATTERY TERMINAL.
Check the battery terminal.
Is there poor contact at battery terminal?
Replace or tighten the battery terminal.
Subaru Select Monitor > INSPECTION">Go to Step 4.
4.CHECK SUBARU SELECT MONITOR COMMUNICATION.
1) Turn the ignition switch to ON.
2) Using the Subaru Select Monitor, check whether communication to other systems can be executed normally.
Is the system name displayed on Subaru Select Monitor?
Subaru Select Monitor > INSPECTION">Go to Step 9.
Subaru Select Monitor > INSPECTION">Go to Step 5.
5.CHECK SUBARU SELECT MONITOR.
Is Subaru Select Monitor powered on?
Subaru Select Monitor > INSPECTION">Go to Step 7.
Subaru Select Monitor > INSPECTION">Go to Step 6.
6.CHECK FUSE.
Remove a fuse in the data link connector and visually check the fuse.
Is the fuse OK?
Repair the harness between the battery and the data link connector.
Replace the fuse. If the fuse is blown out again, check the power supply circuit.
7.CHECK AIRBAG CONTROL MODULE CONNECTOR.
1) Turn the ignition switch to OFF, disconnect the battery ground cable, and wait for 60 seconds or more.
2) Confirm that the connectors of airbag control module (AB6, AB17, AB18) are securely connected.
Is the connector of the airbag control module securely connected?
Subaru Select Monitor > INSPECTION">Go to Step 8.
Connect the connector of the airbag control module.
8.CHECK SUBARU SELECT MONITOR COMMUNICATION.
1) Disconnect the airbag control module connector.
2) Connect the battery ground terminal.
3) Turn the ignition switch to ON.
4) Check whether communication to other systems can be executed normally.
Is the system name displayed on Subaru Select Monitor?
Replace the airbag control module. Airbag Control Module">
Subaru Select Monitor > INSPECTION">Go to Step 9.
9.CHECK FUSE.
Remove fuse No. 25 from the fuse & relay box, and perform visual inspection.
Is the fuse OK?
Subaru Select Monitor > INSPECTION">Go to Step 10.
Replace the fuse. If the fuse is blown out again, check the power supply circuit.
10.CHECK AIRBAG CONTROL MODULE CONNECTOR.
1) Turn the ignition switch to OFF, disconnect the battery ground cable, and wait for 60 seconds or more.
2) Confirm that the connectors of airbag control module (AB6, AB17, AB18) are securely connected.
Is the connector of the airbag control module securely connected?
Subaru Select Monitor > INSPECTION">Go to Step 11.
Connect the connector of the airbag control module.
11.CHECK CAN COMMUNICATION.
Inspect LAN system. Basic Diagnostic Procedure > PROCEDURE">
Is there any fault?
Repair it according to the diagnosis for LAN system.
Subaru Select Monitor > INSPECTION">Go to Step 12.
12.CHECK POWER SUPPLY CIRCUIT.
1) Disconnect the connectors (AB6, AB17, AB18) from airbag control module.
2) Connect the connector (1AG) in the test harness AG to the connectors (AB6, AB17, AB18).
3) Turn the ignition switch to ON.
4) Measure the voltage between connector (2AG) in the test harness AG and chassis ground.
Connector & terminal
(2AG) No. 1 (+) — Chassis ground (−):
Is the voltage 10 V or more?
Subaru Select Monitor > INSPECTION">Go to Step 13.
Repair the harness between the airbag control module and the battery. Or replace the airbag main harness along with the bulkhead harness.
13.CHECK BETWEEN AIRBAG CONTROL MODULE AND CHASSIS GROUND.
1) Turn the ignition switch to OFF.
2) Measure the resistance between connector (2AG) in the test harness AG and chassis ground.
Connector & terminal
(2AG) No. 4 — Chassis ground:
(2AG) No. 3 — Chassis ground:
Is the resistance less than 10 ??
Subaru Select Monitor > INSPECTION">Go to Step 14.
Repair the harness between the airbag control module and the chassis ground. Or replace the airbag main harness along with the bulkhead harness.
14.CHECK POOR CONTACT OF CONNECTOR.
Is there poor contact of the control module power supply, ground circuit and data link connector?
Repair the connector. (Replace the harness without repairing the airbag system connector.)
Replace the airbag control module. Airbag Control Module > REMOVAL">
OperationList
BODY CONTROL SYSTEM (DIAGNOSTICS) > Read Current DataLISTItems to be displayedUnit of measureContentNoteBATT voltage (control)10 — 15 VBody integrated unit input valueAlwaysBATT voltage (BACKUP)10 — 15 VBody integrated unit input valueAlwaysIGN Voltage10 — 15 VBody integrated unit input val ...
Dtc p2757 torque converter clutch pressure control solenoid control circuit performance/stuck off
CONTINUOUSLY VARIABLE TRANSMISSION (DIAGNOSTICS) > Diagnostic Procedure with Diagnostic Trouble Code (DTC)DTC P2757 TORQUE CONVERTER CLUTCH PRESSURE CONTROL SOLENOID CONTROL CIRCUIT PERFORMANCE/STUCK OFFDTC detecting condition:Detected when two consecutive driving cycles with fault occur.Trouble ...
Dtc c0022 front right abs sensor signal
VEHICLE DYNAMICS CONTROL (VDC) (DIAGNOSTICS) > Diagnostic Procedure with Diagnostic Trouble Code (DTC)DTC C0022 FRONT RIGHT ABS SENSOR SIGNALNOTE:For the diagnostic procedure, refer to “DTC C0028 REAR LEFT ABS SENSOR SIGNAL”. Diagnostic Procedure with Diagnostic Trouble Code (DTC) &g ...