CONTINUOUSLY VARIABLE TRANSMISSION (DIAGNOSTICS) > Diagnostic Procedure with Diagnostic Trouble Code (DTC)
DTC P0724 BRAKE SWITCH "B" CIRCUIT HIGH
DTC detecting condition:
Immediately at fault recognition
Trouble symptom:
Gear is not shifted down when climbing a hill or driving down a hill.
CAUTION:
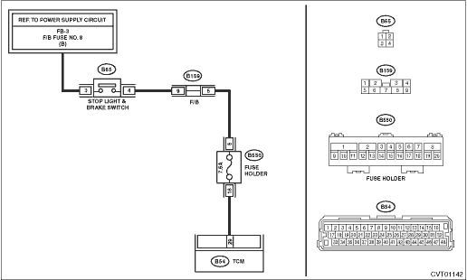
Use the check board when measuring the TCM terminal voltage and resistance.
Wiring diagram:
• Without EyeSight
Stop light system Stop Light System > WIRING DIAGRAM">

• With EyeSight
Stop light system Stop Light System > WIRING DIAGRAM">

| STEP | CHECK | YES | NO |
1.CHECK STOP LIGHT SWITCH.
1) Turn the ignition switch to OFF.
2) Disconnect the stop light switch connector.
3) Measure the resistance between stop light switch.
Terminals
No. 3 — No. 4:
Is the resistance 1 M? or more?
Diagnostic Procedure with Diagnostic Trouble Code (DTC) > DTC P0724 BRAKE SWITCH "B" CIRCUIT HIGH">Go to Step 2.
Replace the stop light switch. Stop Light Switch">
2.CHECK HARNESS.
1) Disconnect the TCM connector.
2) Turn the ignition switch to ON.
3) Measure the voltage between TCM connector and chassis ground.
Connector & terminal
(B54) No. 29 (+) — Chassis ground (−):
Is the voltage 10 V or more?
Repair the short circuit of harness.
Diagnostic Procedure with Diagnostic Trouble Code (DTC) > DTC P0724 BRAKE SWITCH "B" CIRCUIT HIGH">Go to Step 3.
3.CHECK INPUT SIGNAL FOR TCM.
1) Connect all connectors.
2) Turn the ignition switch to ON.
3) Read the data of «Stop Light Switch» using Subaru Select Monitor.
Is “OFF” displayed?
Current condition is normal. Check for poor contact in connectors or harnesses, and repair the defective part.
Diagnostic Procedure with Diagnostic Trouble Code (DTC) > DTC P0724 BRAKE SWITCH "B" CIRCUIT HIGH">Go to Step 4.
4.CHECK FOR POOR CONTACT.
Is there poor contact in the stop light switch input signal circuit?
Repair the poor contact.
Replace the TCM. Transmission Control Module (TCM)">
1. OUTLINE OF DIAGNOSIS
• Detect the brake signal stuck to ON.
• Judge as NG if a predetermined number of acceleration occurs while the cruise control is set to OFF and the brake is ON.
2. EXECUTION CONDITION
Secondary parameters | Execution condition |
Cruise control | OFF |
3. DIAGNOSTIC METHOD
If the duration of time while the following conditions are met is longer than the time indicated, judge as NG.
Malfunction Criteria | Threshold Value |
Number of times that vehicle speed changes from 1 km/h to 30 km/h while the brake SW is ON | > 10 count |
Malfunction Indicator Light Illumination: Does not illuminate.
Dtc p0719 brake switch "b" circuit low
Dtc p0730 incorrect gear ratioTrailer safety chains
WARNING
Always use safety chains between
your vehicle and the trailer. Towing
trailer without safety chains could
create a traffic safety hazard if the
trailer separates from the hitch due
to coupling damage or hitch ball
damage.
In case the trailer hitch connector or hitch
ball should brea ...
Clear memory mode Operation
BODY CONTROL SYSTEM (DIAGNOSTICS) > Clear Memory ModeOPERATION1. On «Start» display, select «Diagnosis».2. On «Vehicle selection» display, input the target vehicle information and select «Confirmed».3. On «Main Menu» display, select «Each System».4. On «Select System» display, selec ...
Sun visor extension plate (models with the EyeSight system)
With the sun visor positioned over the side
window, you can use the sun visor
extension plate to prevent glare through
the gap between the sun visor and center
pillar. To use the extension plate, pull it
toward the rear of the vehicle. When you
have finished using it, stow it by pushing it ...