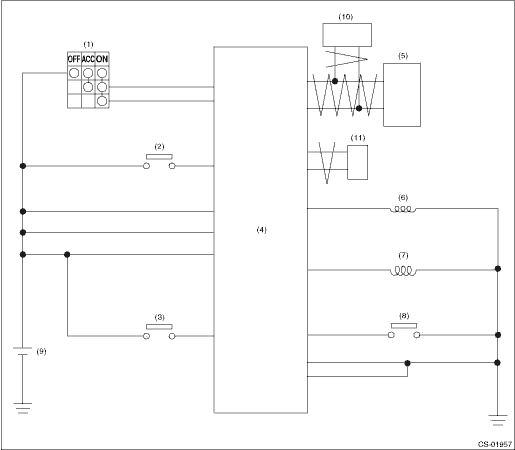
CONTROL SYSTEMS > AT Shift Lock Control System
WIRING DIAGRAM
1. MODEL WITHOUT PUSH BUTTON IGNITION SWITCH

(1) | Ignition switch | (5) | TCM (shift range information) | (9) | Battery |
(2) | Stop light and brake switch | (6) | Key lock solenoid | (10) | ECM (delivery (test) mode signal) |
(3) | Key warning switch | (7) | Shift lock solenoid | (11) | VDC CM (vehicle speed information) |
(4) | Body integrated unit | (8) | “P” range switch |
2. MODEL WITH PUSH BUTTON IGNITION SWITCH

(1) | Keyless access CM | (5) | Body integrated unit | (8) | “P” range switch |
(2) | IG relay 1 (push button start) | (6) | TCM (shift range information) | (9) | ECM (delivery (test) mode signal) |
(3) | Stop light and brake switch | (7) | Shift lock solenoid | (10) | VDC CM (vehicle speed information) |
(4) | Battery |
LocationDtc b1613 front sub sensor rh initialization error
AIRBAG SYSTEM (DIAGNOSTICS) > Diagnostic Chart with Trouble CodeDTC B1613 FRONT SUB SENSOR RH INITIALIZATION ERRORDiagnosis start condition:Ignition voltage is 10 V to 16 V.DTC detecting condition:• Open or short circuit in harness of front sensor bus (RH)• Front sub sensor (RH) is fa ...
Dtc b16f7 curtain airbag sensor lh recognition error
AIRBAG SYSTEM (DIAGNOSTICS) > Diagnostic Chart with Trouble CodeDTC B16F7 CURTAIN AIRBAG SENSOR LH RECOGNITION ERRORDiagnosis start condition:Ignition voltage is 10 V to 16 V.DTC detecting condition:• Curtain airbag sensor LH is misinstalled.• Airbag CM is faulty.CAUTION:Before perfor ...
Dtc u0140 lost communication with body control module
LAN SYSTEM (DIAGNOSTICS) > Diagnostic Procedure with Diagnostic Trouble Code (DTC)DTC U0140 LOST COMMUNICATION WITH BODY CONTROL MODULEDTC DETECTING CONDITION:No data is received from body integrated unit.TROUBLE SYMPTOM:Cooperation control with body integrated unit does not operate properly.STEP ...